Simulazione filtri attivi
Moderatori:
carloc,
g.schgor,
BrunoValente,
IsidoroKZ
13 messaggi
• Pagina 1 di 2 • 1, 2
0
voti
buonasera avrei una cosa da chiedere... a scuola ci hanno fatto dimensionare il condensatore di un filtro attivo..... ma quando vado a simulare tutto il circuito sul programma multisim (non so se lo conoscete) utilizzo lo strumento per il diagramma di Bode ma non mi da il valore giusto del guadagno... è due giorni che ci sto battendo il capo con il mio professore ma non riusciamo a capire il motivo... qualcuno può aiutarmi??
0
voti
Ciao
Pana.
Se vuoi che qualcuno ti aiuti, devi postare il disegno del circuito, utilizzando FidoCADJ, altrimenti non si hanno riferimenti.
A questi link trovi alcune guide all' uso:
http://www.electroyou.it/darwinne/wiki/ ... electroyou
http://www.electroyou.it/darwinne/wiki/fidocadj
http://www.electroyou.it/elettrodomus/w ... -per-tonni
Inoltre cerca di spiegare in che modo lo hai simulato.
Se vuoi che qualcuno ti aiuti, devi postare il disegno del circuito, utilizzando FidoCADJ, altrimenti non si hanno riferimenti.
A questi link trovi alcune guide all' uso:
http://www.electroyou.it/darwinne/wiki/ ... electroyou
http://www.electroyou.it/darwinne/wiki/fidocadj
http://www.electroyou.it/elettrodomus/w ... -per-tonni
Inoltre cerca di spiegare in che modo lo hai simulato.
1
voti
In questo caso potrebbe essere utile anche vedere il circuito dato in pasto al simulatore, oltre che ovviamente il grafico del risultato.
Per usare proficuamente un simulatore, bisogna sapere molta più elettronica di lui
Plug it in - it works better!
Il 555 sta all'elettronica come Arduino all'informatica! (entrambi loro malgrado)
Se volete risposte rispondete a tutte le mie domande
Plug it in - it works better!
Il 555 sta all'elettronica come Arduino all'informatica! (entrambi loro malgrado)
Se volete risposte rispondete a tutte le mie domande
0
voti
allora il circuito è fatto bene.. deve essere un passa alto ma il problema sta nel fatto che il simulatore sull'interfaccia del bode potter non mi da il guadagno giusto alla frequenza di taglio.... tipo a 1kHz mi da un guadagno di -83db..... quando in realtà dovrebbe essere intorno ai -17 in questo caso...e non so come passarvi l'immagine del grafico che mi viene su multisim.
grazie della collaborazione
3
voti
Per postare le immagini, extrema ratio, puoi fare un print screen e poi lo converti in png con larghezza max 640 pixel. E` possibile che il programma abbia una funzione print oppure esporta per avere lo schema e le forme d'onda su un file.
Poi lo alleghi al messaggio con "invia allegato" che c'e` sotto la finesra di scrittura, e selezioni inserisci immagine nel testo.
SMADLADO (mi sento molto Galileo
)
Poi lo alleghi al messaggio con "invia allegato" che c'e` sotto la finesra di scrittura, e selezioni inserisci immagine nel testo.
SMADLADO (mi sento molto Galileo
Per usare proficuamente un simulatore, bisogna sapere molta più elettronica di lui
Plug it in - it works better!
Il 555 sta all'elettronica come Arduino all'informatica! (entrambi loro malgrado)
Se volete risposte rispondete a tutte le mie domande
Plug it in - it works better!
Il 555 sta all'elettronica come Arduino all'informatica! (entrambi loro malgrado)
Se volete risposte rispondete a tutte le mie domande
5
voti
ASM
Tra l'altro, così a spanne, alla frequenza di taglio

mi aspetterei il modulo del guadagno intorno a -20dB del guadagno alle alte frequenze più -3dB che tolgono l'approssimazione asintotica cioè intorno a -23dB.
Quindi certamente non -83dB ma neanche -17dB che sembrerebbero un -20+3 di cui non capisco il perché
Tra l'altro, così a spanne, alla frequenza di taglio

mi aspetterei il modulo del guadagno intorno a -20dB del guadagno alle alte frequenze più -3dB che tolgono l'approssimazione asintotica cioè intorno a -23dB.
Quindi certamente non -83dB ma neanche -17dB che sembrerebbero un -20+3 di cui non capisco il perché
Se ti serve il valore di beta: hai sbagliato il progetto!
0
voti
questa è il diagramma di bode che mi viene fuori... grazie ancora dell'aiuto che mi state dando
1
voti
Metti anche lo schema preso dal simulatore.
Per usare proficuamente un simulatore, bisogna sapere molta più elettronica di lui
Plug it in - it works better!
Il 555 sta all'elettronica come Arduino all'informatica! (entrambi loro malgrado)
Se volete risposte rispondete a tutte le mie domande
Plug it in - it works better!
Il 555 sta all'elettronica come Arduino all'informatica! (entrambi loro malgrado)
Se volete risposte rispondete a tutte le mie domande
0
voti
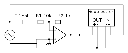
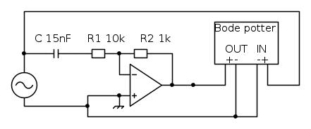
eccolo... scusate il ritardo nelle mie risposte ma ho un po da fare e grazie ancora per l'aiuto
3
voti
Ok. Temevo che non avessi messo l'alimentazione, invece c;e` :). Ma non va. Per quel circuito e quell'operazionale devi mettere una alimentazione duale, positiva e negativa rispetto al potenziale di riferimento. Con quel circuito l'operazionale e` fuori dalla dal suo intervallo di tensione di modo comune, e questa spiega perche' attenua.
Anche se usassi un operazionale a singola alimentazione, il circuito non andrebbe bene lo stesso perche' quando il segnale di ingresso sale, la tensione di uscita dovrebbe diventare negativa e non essendoci una alimentazione negativa, proprio non ce la fa!
Anche se usassi un operazionale a singola alimentazione, il circuito non andrebbe bene lo stesso perche' quando il segnale di ingresso sale, la tensione di uscita dovrebbe diventare negativa e non essendoci una alimentazione negativa, proprio non ce la fa!
Per usare proficuamente un simulatore, bisogna sapere molta più elettronica di lui
Plug it in - it works better!
Il 555 sta all'elettronica come Arduino all'informatica! (entrambi loro malgrado)
Se volete risposte rispondete a tutte le mie domande
Plug it in - it works better!
Il 555 sta all'elettronica come Arduino all'informatica! (entrambi loro malgrado)
Se volete risposte rispondete a tutte le mie domande
13 messaggi
• Pagina 1 di 2 • 1, 2
Chi c’è in linea
Visitano il forum: Nessuno e 80 ospiti

Elettrotecnica e non solo (admin)
Un gatto tra gli elettroni (IsidoroKZ)
Esperienza e simulazioni (g.schgor)
Moleskine di un idraulico (RenzoDF)
Il Blog di ElectroYou (webmaster)
Idee microcontrollate (TardoFreak)
PICcoli grandi PICMicro (Paolino)
Il blog elettrico di carloc (carloc)
DirtEYblooog (dirtydeeds)
Di tutto... un po' (jordan20)
AK47 (lillo)
Esperienze elettroniche (marco438)
Telecomunicazioni musicali (clavicordo)
Automazione ed Elettronica (gustavo)
Direttive per la sicurezza (ErnestoCappelletti)
EYnfo dall'Alaska (mir)
Apriamo il quadro! (attilio)
H7-25 (asdf)
Passione Elettrica (massimob)
Elettroni a spasso (guidob)
Bloguerra (guerra)






