da
BrunoValente » 20 ott 2012, 10:39
Ciao
kotek,
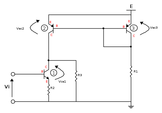
immagino che la tua difficoltà dipenda dal non considerare che la Ic di TR2 è uguale a quella di TR3: il circuito TR2-TR3 è uno specchio di corrente e serve proprio ad imporre una corrente di collettore voluta a TR2 tramite la scelta del valore di R1.
Devi considerare che, se TR2 e TR3 sono identici, avendo la stessa Vbe, hanno di conseguenza anche la stessa Ic.
Il collegamento tra C e B di TR3 di fatto non sottrae una quota sostanziale di corrente alla Ic di TR3 :in quel collegamento scorre la corrente delle due basi che è dell'ordine di

volte più piccola di Ic, quindi la Ic di TR3, che è uguale alla Ic di TR2, è anche quasi uguale alla corrente

.
Se quindi la Ic emessa da TR2 vale circa 1.98mA e quella assorbita da TR1 vale 1mA, essendoci nel collegamento tra i due collettori il nodo dove si innesta R3,vuol dire che l'esubero scorre in R3...il resto è ovvio.