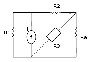
parallelo con
e serie
? o è in parallelo pure con
?
Moderatori:
g.schgor,
IsidoroKZ
e serie
?
?@lillo
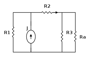
parallelo con R3 e serie con R2 ?
...o è in parallelo pure con R2

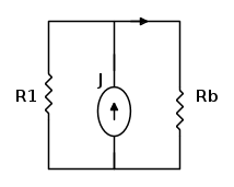
è in parallelo con
e serie 
.
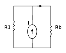
ed una resistenza equivalente collegate in parallelo, e il generatore J.lillo ha scritto::-)
... mi servono esercizi completi per un articolo... sia io cheadmin te ne saremmo grati.
Londoneye ha scritto:Quel generatore, quando si opera sulle riduzioni, come deve essere "inteso", come spento o semplicemente non considerato?






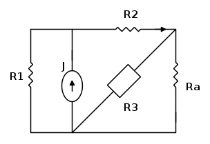
risulta in parallelo con
, dunque li sostituiamo con una resistenza equivalente e ne calcoliamo il valore:
= 
risulta in parallelo con
e in serie con
. Dal calcolo si ricava un altro resistore equivalente di resistenza 

è in parallelo con
.
finale( e quindi non ci sono più riduzioni possibili da effettuare), possiamo procedere al calcolo della tensione del generatore J:
-----> 
Torna a Elettrotecnica generale
Visitano il forum: Nessuno e 91 ospiti