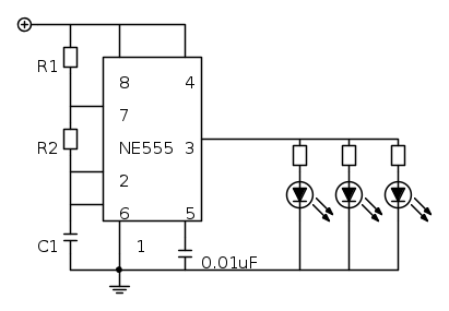
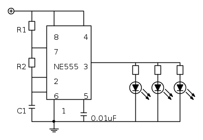
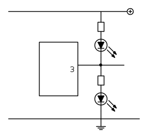
razielmitico ha scritto:volevo riportare (per esercizio) il circuito a led in parallelo sulla millefori,quando vado a fare i collegamenti col pin 3,siccome devono partire 3 fili che portino la corrente ai 3 led in serie,devo: mettere l'integrato,saldare il piedino,appogiare il primo filo,saldare,poi il secondo filo,saldare,terzo filo,saldare? non so se mi sono spiegato...
Purtroppo no, non ti sei spiegato per niente.
Perche' non rileggi i messaggi prima dell'invio? C'e' l'apposito tasto "anteprima".
P.S. Mai saldare direttamente l'integrato sulla basetta; serviti di uno zoccolo.

Elettrotecnica e non solo (admin)
Un gatto tra gli elettroni (IsidoroKZ)
Esperienza e simulazioni (g.schgor)
Moleskine di un idraulico (RenzoDF)
Il Blog di ElectroYou (webmaster)
Idee microcontrollate (TardoFreak)
PICcoli grandi PICMicro (Paolino)
Il blog elettrico di carloc (carloc)
DirtEYblooog (dirtydeeds)
Di tutto... un po' (jordan20)
AK47 (lillo)
Esperienze elettroniche (marco438)
Telecomunicazioni musicali (clavicordo)
Automazione ed Elettronica (gustavo)
Direttive per la sicurezza (ErnestoCappelletti)
EYnfo dall'Alaska (mir)
Apriamo il quadro! (attilio)
H7-25 (asdf)
Passione Elettrica (massimob)
Elettroni a spasso (guidob)
Bloguerra (guerra)




