Alimentazione circuiti e led
Moderatori:
carloc,
g.schgor,
BrunoValente,
IsidoroKZ
0
voti
Ecco le foto del circuito,sono 3,una parte componenti,una parte collegamenti e una foto zommata su dove ho avuto più problemi a fare i collegamenti e a sandare (infatti è un po' bruciachiato) lo zoccolo (poteva venire molto più compatto ma ho preferito evitare di farli troppo attacati uno con l'altro):
- Allegati
-
- SAM_0824.JPG (419.49 KiB) Osservato 1663 volte
-
- SAM_0821.JPG (374.75 KiB) Osservato 1663 volte
-
- SAM_0819.JPG (357.42 KiB) Osservato 1663 volte
-

razielmitico
-10 5 - Frequentatore

- Messaggi: 153
- Iscritto il: 23 ott 2012, 22:59
0
voti
Funziona perfettamente!
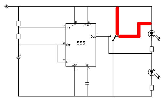
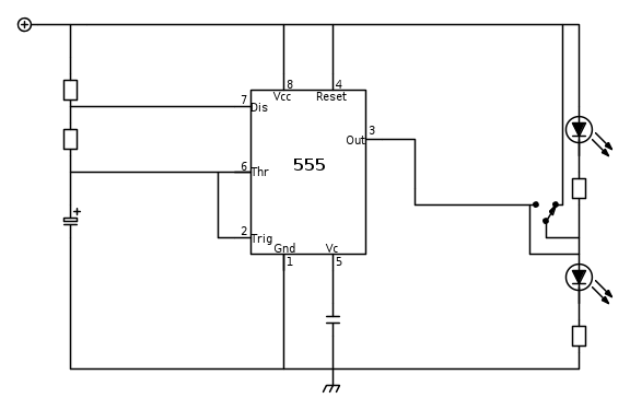
Ma ierisera pensavo una cosa,se voglio con una levetta attivare il lampeggiamento o disattivarlo? ovvero se premo la leva lampeggiano se ripremo rimangono fissi.Ho pensato se faccio partire un cavo dal positivo che collego a un interruttore e questo interruttore lo collego ai led mentre faccio uscire dal pin 3 un cavo che collego al l'altro polo positivo dell'interruttore così se premo e attivo il pin 3 lampeggiano altrimenti luce fissa,che ne dite? posso farne lo schema.
Ma ierisera pensavo una cosa,se voglio con una levetta attivare il lampeggiamento o disattivarlo? ovvero se premo la leva lampeggiano se ripremo rimangono fissi.Ho pensato se faccio partire un cavo dal positivo che collego a un interruttore e questo interruttore lo collego ai led mentre faccio uscire dal pin 3 un cavo che collego al l'altro polo positivo dell'interruttore così se premo e attivo il pin 3 lampeggiano altrimenti luce fissa,che ne dite? posso farne lo schema.
-

razielmitico
-10 5 - Frequentatore

- Messaggi: 153
- Iscritto il: 23 ott 2012, 22:59
0
voti
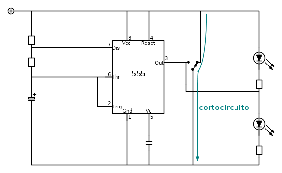
Hai provato a seguire i rami che hai disegnato nelle due posizioni del deviatore per capire come andrebbero le cose se veramente lo costruissi? Basta ragionarci un pochino, è un errore abbastanza evidente anche per un neofita!
Tralasciando il fatto che le due connessioni che ti ho evidenziato sono perfettamente identiche (una delle due basta a far diventare l'altra ridondante), il deviatore da un lato mette in cortocircuito l'alimentazione, mentre dall'altro collega l'uscita del 555 a massa, bruciandolo in poco tempo per la resistenza pressochè nulla che si presenta alla sua uscita.
Tralasciando il fatto che le due connessioni che ti ho evidenziato sono perfettamente identiche (una delle due basta a far diventare l'altra ridondante), il deviatore da un lato mette in cortocircuito l'alimentazione, mentre dall'altro collega l'uscita del 555 a massa, bruciandolo in poco tempo per la resistenza pressochè nulla che si presenta alla sua uscita.
-

rusty
4.075 2 9 11 - Utente disattivato per decisione dell'amministrazione proprietaria del sito
- Messaggi: 1578
- Iscritto il: 25 gen 2009, 13:10
0
voti
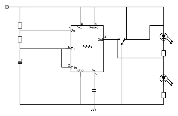
Si avete ragione,mi ero accorto della prima immagine che ha messo rusty (dove segni di rosso i collegamenti) ma non del 555 ò_ò ci ragiono sù e riprovo!
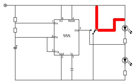
Ho capito cosa non andava in quel circuito,adesso così dovrebbe andare:
Ho capito cosa non andava in quel circuito,adesso così dovrebbe andare:
-

razielmitico
-10 5 - Frequentatore

- Messaggi: 153
- Iscritto il: 23 ott 2012, 22:59
Chi c’è in linea
Visitano il forum: Nessuno e 273 ospiti

Elettrotecnica e non solo (admin)
Un gatto tra gli elettroni (IsidoroKZ)
Esperienza e simulazioni (g.schgor)
Moleskine di un idraulico (RenzoDF)
Il Blog di ElectroYou (webmaster)
Idee microcontrollate (TardoFreak)
PICcoli grandi PICMicro (Paolino)
Il blog elettrico di carloc (carloc)
DirtEYblooog (dirtydeeds)
Di tutto... un po' (jordan20)
AK47 (lillo)
Esperienze elettroniche (marco438)
Telecomunicazioni musicali (clavicordo)
Automazione ed Elettronica (gustavo)
Direttive per la sicurezza (ErnestoCappelletti)
EYnfo dall'Alaska (mir)
Apriamo il quadro! (attilio)
H7-25 (asdf)
Passione Elettrica (massimob)
Elettroni a spasso (guidob)
Bloguerra (guerra)





