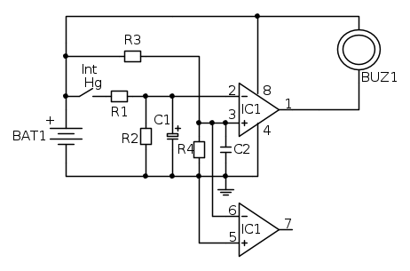
Con i componenti pari a:
R1=22 k

R2=120 k

R3=18 k

R4=18 k

Nota= Tutte le R sono 5%, 1/4W
C1=330
F 16V elettroliticoC2=10nF poliestere
IC1= LM358 DIL
BUZ= Buzzer in DC, per esempio questo
INT-HG= Interruttore al mercurio o a sfera.
BAT1= Batteria 9V Transistor + clip portapila
L'interruttore va posizionato in modo che sia chiuso quando il cane è fermo.
Dai conti che ho fatto il cane deve star fermo 5s circa prima che il buzzer suoni.
Più il cane sta fermo e per più tempo suonerà il buzzer quando riparte, perché il condensatore C1
avrà avuto più tempo per caricarsi.
Non credo che capiti, ma se sta fermo finché il condensatore è completamente carico ci vorranno
27s circa prima che smetta di suonare.
A tal proposito questo funzionamento dipende dall'uso: a cosa serve il circuito? A far muovere il cane
oppure a trovarlo?
Se serve a farlo muovere potrebbe essere un tempo troppo lungo.


Elettrotecnica e non solo (admin)
Un gatto tra gli elettroni (IsidoroKZ)
Esperienza e simulazioni (g.schgor)
Moleskine di un idraulico (RenzoDF)
Il Blog di ElectroYou (webmaster)
Idee microcontrollate (TardoFreak)
PICcoli grandi PICMicro (Paolino)
Il blog elettrico di carloc (carloc)
DirtEYblooog (dirtydeeds)
Di tutto... un po' (jordan20)
AK47 (lillo)
Esperienze elettroniche (marco438)
Telecomunicazioni musicali (clavicordo)
Automazione ed Elettronica (gustavo)
Direttive per la sicurezza (ErnestoCappelletti)
EYnfo dall'Alaska (mir)
Apriamo il quadro! (attilio)
H7-25 (asdf)
Passione Elettrica (massimob)
Elettroni a spasso (guidob)
Bloguerra (guerra)
pigreco]=π





