...dimenticavo...
il secondo cronometro viene utilizzato con un comando manuale (giusto per avere una doppia rilevazione) e per questo ho ritenuto che non servisse l'antirimbalzo.
mi resterà da constatare, in fase di prova, se la ricevente avrà problemi a ricevere due comandi praticamente in simultanea.
Impianto di cronometraggio
Moderatori:
carloc,
g.schgor,
BrunoValente,
IsidoroKZ
0
voti
1
voti
Scusa, avevo visto solo l'ultimo post, ma non il precedente.
No, così non può andare.
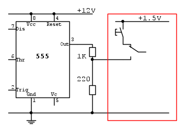
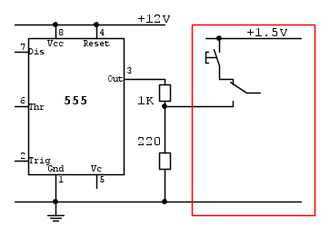
Credo di capire che il cronometro, chiudendo il contatto
applichi una tensione (1.5V?)
Se è così, occorre un partitore resistivo che applichi
questa tensione (al posto del pulsante)
Il rettangolo rosso è il cronometro a cui è stato aggiunto
un deviatore per la scelta manuale/remoto.
E fondamentale che i terminali negativi siano in comune.
No, così non può andare.
Credo di capire che il cronometro, chiudendo il contatto
applichi una tensione (1.5V?)
Se è così, occorre un partitore resistivo che applichi
questa tensione (al posto del pulsante)
Il rettangolo rosso è il cronometro a cui è stato aggiunto
un deviatore per la scelta manuale/remoto.
E fondamentale che i terminali negativi siano in comune.
0
voti
direi di no, ma non capisco...
se misuro col tester tra pin3 e Vcc ho sempre 12V.
perché ieri sera funzionava tutto ed oggi non va più?!?!?!
misteri dell'elettronica (leggasi "misteri della mia ingnoranza in materia elettronica")
NO, il pulsante del cronometro interrompe il negativo 0 della propria batteria
se misuro col tester tra pin3 e Vcc ho sempre 12V.
perché ieri sera funzionava tutto ed oggi non va più?!?!?!
Credo di capire che il cronometro, chiudendo il contatto
applichi una tensione (1.5 V?)
NO, il pulsante del cronometro interrompe il negativo 0 della propria batteria
0
voti
fabriziob ha scritto:se misuro col tester tra pin3 e Vcc ho sempre 12 V.
Ma è giusto. Normalmente il pin3 è a zero(e va a Vcc quando temporizza)
Le tensioni si misurano sempre rispetto alla massa.
Ora vedo se posso trovare una variante per il pulsante verso il -
Ma il pulsante è allora NC (normalmente chiuso)?
0
voti
Ora ho capito!!! io pensavo invece che sul pin3 NON ci dovesse essere nulla (come se fosse un contatto aperto) ed "si chiudesse verso massa" quando temporizzava!
che casino che facevo! :S scusatemi
il pulsante del cronometro è NA normalmente aperto
che casino che facevo! :S scusatemi
il pulsante del cronometro è NA normalmente aperto
0
voti
così potrebbe andare? i transistor da quello che ho capito possono funzionare da "interruttori"..
se NO, perché?
0
voti
il pulsante del cronometro è NA.
mi sa che alla fine mi conviene metter un rele che chiude il contatto quando il pin3 va a Vcc...
mi sa che alla fine mi conviene metter un rele che chiude il contatto quando il pin3 va a Vcc...
0
voti
No i transistor non sono come contatti che puoi mettere dove vuoi.
Guarda se ti va bene così
Guarda se ti va bene così
0
voti
così mi sembra possa andare bene, adesso provo a modificare l'uscita sulla millefori.
bisogna proprio che mi cerchi un testo di elettronica e che cominci a studiarmi l'ABC
bisogna proprio che mi cerchi un testo di elettronica e che cominci a studiarmi l'ABC
Chi c’è in linea
Visitano il forum: Nessuno e 320 ospiti

Elettrotecnica e non solo (admin)
Un gatto tra gli elettroni (IsidoroKZ)
Esperienza e simulazioni (g.schgor)
Moleskine di un idraulico (RenzoDF)
Il Blog di ElectroYou (webmaster)
Idee microcontrollate (TardoFreak)
PICcoli grandi PICMicro (Paolino)
Il blog elettrico di carloc (carloc)
DirtEYblooog (dirtydeeds)
Di tutto... un po' (jordan20)
AK47 (lillo)
Esperienze elettroniche (marco438)
Telecomunicazioni musicali (clavicordo)
Automazione ed Elettronica (gustavo)
Direttive per la sicurezza (ErnestoCappelletti)
EYnfo dall'Alaska (mir)
Apriamo il quadro! (attilio)
H7-25 (asdf)
Passione Elettrica (massimob)
Elettroni a spasso (guidob)
Bloguerra (guerra)





