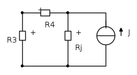
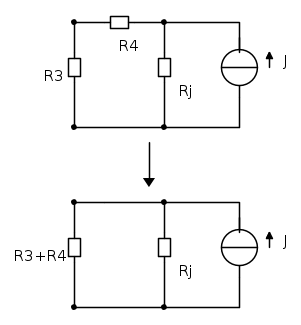
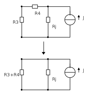
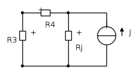
dove ho applicato il partitore di corrente con la resistenza equivalente R43 , Rj e J
sicuramente quest'ultimo risultato è sbagliato , ma non ho capito perché , spero che voi mi possiate illuminare
Moderatori:
g.schgor,
IsidoroKZ






è la stessa che passa all'interno di
essendo una serie.
e
che chiamiamo 
che chiamiamo 
è la serie di due resistenze e sappiamo che in una serie ciò che hanno in comune è la corrente(non ci sono diramazioni per intenderci), capiamo che la corrente che che scorre su ogni singola resistenza è uguale alla corrente totale
, cioè
.
, cioè con 
\int_a^b f(x) dx=3




è percorsa da una corrente
per la serie delle due resistenze , se però applico il partitore di corrente ora viene :
e moltiplichiamo per
, otteniamo 
ficium ha scritto: se però applico il partitore di corrente ora viene :
(che ovviamente è uguale ad avere entrambi i membri moltiplicati per
, ma inutile).
Torna a Elettrotecnica generale
Visitano il forum: Nessuno e 65 ospiti