Penso di aver trovato una pseudosoluzione utilizzando due led da quasi 130lm ciascuno (quindi con due raggiungo la luminosità che mi interessa avere), mi preoccupa solo l'angolo di apertura di 80°, che mi costringerà probabilmente a fare le celle un po' più profonde del previsto.
Questi led vogliono 700mA per erogare la luminosità richiesta, quindi ho sostituito il BJT con un darlington per assicurarmi la quantità di corrente necessaria (leds in serie) senza dare problemi all'opamp, infatti mi eroga 800mA con 8mA di corrente di base.
Problema è che per mantenermi la potenza bassina devo usare una resistenza di emettitore di 1.5ohm (la faccio con un parallelo tra 4.7 e 2.2), ma ho già così 1W dissipato... non è troppo?
Array di LEDs ad intensità variabile in base a V
Moderatori:
carloc,
g.schgor,
BrunoValente,
IsidoroKZ
33 messaggi
• Pagina 3 di 4 • 1, 2, 3, 4
0
voti
Non riesco più a modificare il messaggio precedente per allegare lo schematic (c'è un limite di tempo??). In ogni caso è questo
Facendo due calcoli rapidi, considerando che l'ingresso massimo è 1V e che i led li devo comandare con circa 700mA, ottengo una resistenza da 1.4ohm sull'emettitore che deve dissipare almeno 1W. Il darlington vuole garantiti almeno altri 5V, più altri 3.4 per ogni diodo: se ho una V+ di 14V allora la resistenza a monte dei diodi deve essere pari a quella dell'emettitore.
Quello che mi annoia di questo circuito è che consumo un sacco di potenza per niente, 2W se ne vanno solo sulle resistenze, altri 3.5 sul BJT, 2,4 per ogni led: se ne vanno 10W a cella (ok, a massima luminosità, cosa che avviene raramente e per poco tempo, ma ancora è tanta roba e devo garantirla)... mi sembra un po' troppo.
Ho cercato qualche dimmer, ma non trovo nulla che vada bene al mio scopo..
Facendo due calcoli rapidi, considerando che l'ingresso massimo è 1V e che i led li devo comandare con circa 700mA, ottengo una resistenza da 1.4ohm sull'emettitore che deve dissipare almeno 1W. Il darlington vuole garantiti almeno altri 5V, più altri 3.4 per ogni diodo: se ho una V+ di 14V allora la resistenza a monte dei diodi deve essere pari a quella dell'emettitore.
Quello che mi annoia di questo circuito è che consumo un sacco di potenza per niente, 2W se ne vanno solo sulle resistenze, altri 3.5 sul BJT, 2,4 per ogni led: se ne vanno 10W a cella (ok, a massima luminosità, cosa che avviene raramente e per poco tempo, ma ancora è tanta roba e devo garantirla)... mi sembra un po' troppo.
Ho cercato qualche dimmer, ma non trovo nulla che vada bene al mio scopo..
3
voti
Il problema della regolazione lineare, dissipativa, e` che dissipa 
Se i led richiedono 700mA e parti da 14V, la potenza assorbita e` di 10W, non c'e` altra possibilita`.
Ad esempio puoi togliere la resistenza in serie ai led, ma la potenza dissipata nel transistore aumenta. Puoi mettere un MOS al posto del Darlington, che puo` far scorrere la corrente voluta con meno tensione, ma la potenza dissipata dal MOS rispetto al Darlington non cambia.
Per ridurre la potenza dissipata con una regolazione lineare c'e` solo un modo: calcoli qual e` la minima tensione necessaria al sistema per funzionare e usi quella. Esempio: 7V per i led, 0.3V per la resistenza di sense (si puo` scendere con la tensione su Rs), 0.2V per il MOS e alimenti tutto a 7.5V.
L'alimentatore deve essere switching, se prendi un alimentatore dissipativo che puo` salire a tensioni oltre 7.5V, come ad esempio i tipici alimentatori da laboratorio, dissipa lui!
Prova a guardare gli articoli sulle stringhe di led (quello e` il primo, ne seguono altri 3): sono per led a bassa corrente ma ti danno una idea dei problemi.
Per alimentare led a 700mA senza buttare via quantita` industriali di potenza bisogna ricorrere ad una alimentazione a commutazione, trovi discussioni varie e approfondite in questo lunghissimo thread viewtopic.php?f=1&t=33512
Per editare un messaggio c'e` un limite di mezz'ora.
Se i led richiedono 700mA e parti da 14V, la potenza assorbita e` di 10W, non c'e` altra possibilita`.
Ad esempio puoi togliere la resistenza in serie ai led, ma la potenza dissipata nel transistore aumenta. Puoi mettere un MOS al posto del Darlington, che puo` far scorrere la corrente voluta con meno tensione, ma la potenza dissipata dal MOS rispetto al Darlington non cambia.
Per ridurre la potenza dissipata con una regolazione lineare c'e` solo un modo: calcoli qual e` la minima tensione necessaria al sistema per funzionare e usi quella. Esempio: 7V per i led, 0.3V per la resistenza di sense (si puo` scendere con la tensione su Rs), 0.2V per il MOS e alimenti tutto a 7.5V.
L'alimentatore deve essere switching, se prendi un alimentatore dissipativo che puo` salire a tensioni oltre 7.5V, come ad esempio i tipici alimentatori da laboratorio, dissipa lui!
Prova a guardare gli articoli sulle stringhe di led (quello e` il primo, ne seguono altri 3): sono per led a bassa corrente ma ti danno una idea dei problemi.
Per alimentare led a 700mA senza buttare via quantita` industriali di potenza bisogna ricorrere ad una alimentazione a commutazione, trovi discussioni varie e approfondite in questo lunghissimo thread viewtopic.php?f=1&t=33512
Per editare un messaggio c'e` un limite di mezz'ora.
Per usare proficuamente un simulatore, bisogna sapere molta più elettronica di lui
Plug it in - it works better!
Il 555 sta all'elettronica come Arduino all'informatica! (entrambi loro malgrado)
Se volete risposte rispondete a tutte le mie domande
Plug it in - it works better!
Il 555 sta all'elettronica come Arduino all'informatica! (entrambi loro malgrado)
Se volete risposte rispondete a tutte le mie domande
0
voti
Ok, ho fatto (o almeno provato a fare) i compiti per casa
Ho letto il thread, ci ho capito penso il 30%
Però sembra molto interessante e merita più studio di quanto glie ne ho dato tra ieri sera e oggi pomeriggio...
Adesso provo a risistemare i resistori e trovare un MOS con uno slew rate decente che riesca a gestire quelle correnti. Per stasera, a meno di problemi, dovrei postare lo schemino pseudodefinitivo. Grazie intanto come sempre
Ho letto il thread, ci ho capito penso il 30%
Adesso provo a risistemare i resistori e trovare un MOS con uno slew rate decente che riesca a gestire quelle correnti. Per stasera, a meno di problemi, dovrei postare lo schemino pseudodefinitivo. Grazie intanto come sempre
1
voti
I MOS sono fra i dispositivi piu` veloci che ci sono, non ci sono problemi di slew rate. Anzi piu` vai adagio meglio e` , generi meno disturbi.
Per usare proficuamente un simulatore, bisogna sapere molta più elettronica di lui
Plug it in - it works better!
Il 555 sta all'elettronica come Arduino all'informatica! (entrambi loro malgrado)
Se volete risposte rispondete a tutte le mie domande
Plug it in - it works better!
Il 555 sta all'elettronica come Arduino all'informatica! (entrambi loro malgrado)
Se volete risposte rispondete a tutte le mie domande
0
voti
Perfetto :)
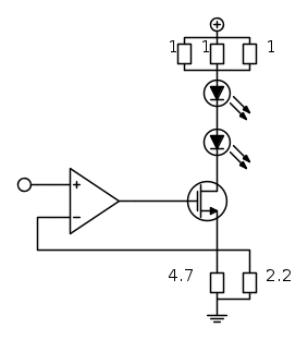
Allora, utilizzando questo nmos al posto del BJT risparmio 3V (a 800mA devo garantirgli 2V di tensione, anzichè 5V del BJT, MOS da 0.2V@700mA non he ho trovati
).
Sulla resistenza di sense nemmeno posso scendere troppo, mettendola 1ohm mi ritrovo con 1.5V di caduta su di essa a 700mA. Posso scendere a 0.25V mettendone tre in parallelo da 1ohm (0.333...ohm in totale), anche se mi piace poco lavorare con questi micronumeri per le resistenze: per sicurezza, comunque, anche così vorrei considerare almeno 0.5V su questa (metti che l'alimentatore non va benissimo, o che la temperatura fa aumetare le resistenze interne in generale del circuito).
Così facendo mi trovo un alimentazione che deve garantire 10.5V, quindi 7.35W nel caso peggiore...
In ogni caso penso che ordinerò anche il led da 350mA su ebay, nonostante mi convinca pochino, almeno per fare qualche test
In questo caso mi risparmio un bel 3.4V, e scendo a 2.5W, che comincia a sembrarmi decente
Per adesso siamo così:
Che te ne pare? Se ti sembra decente finisco di fare il circuito di un intera cella (incluso rivelatore di inviluppo filtri, etc) e domani faccio due simulazioni / giro per negozi (in questa benedetta svezia sembra che nessuno lavori di elettronica, non riesco a trovare un negozio decentemente fornito)

Allora, utilizzando questo nmos al posto del BJT risparmio 3V (a 800mA devo garantirgli 2V di tensione, anzichè 5V del BJT, MOS da 0.2V@700mA non he ho trovati
Sulla resistenza di sense nemmeno posso scendere troppo, mettendola 1ohm mi ritrovo con 1.5V di caduta su di essa a 700mA. Posso scendere a 0.25V mettendone tre in parallelo da 1ohm (0.333...ohm in totale), anche se mi piace poco lavorare con questi micronumeri per le resistenze: per sicurezza, comunque, anche così vorrei considerare almeno 0.5V su questa (metti che l'alimentatore non va benissimo, o che la temperatura fa aumetare le resistenze interne in generale del circuito).
Così facendo mi trovo un alimentazione che deve garantire 10.5V, quindi 7.35W nel caso peggiore...
In ogni caso penso che ordinerò anche il led da 350mA su ebay, nonostante mi convinca pochino, almeno per fare qualche test
In questo caso mi risparmio un bel 3.4V, e scendo a 2.5W, che comincia a sembrarmi decente Per adesso siamo così:
Che te ne pare? Se ti sembra decente finisco di fare il circuito di un intera cella (incluso rivelatore di inviluppo filtri, etc) e domani faccio due simulazioni / giro per negozi (in questa benedetta svezia sembra che nessuno lavori di elettronica, non riesco a trovare un negozio decentemente fornito)

1
voti
Non ho mica capito che cosa stai facendo.
Le resistenze in serie ai led non servono, a meno che non voglia ridurre, a pari tensione di alimentazione la potenza dissipata dal MOS. Non mi pare questo il caso.
Le tue idee sui Darlington e sui MOS sono un po' buffe: perche' il Darlington avrebbe bisogno di 5V di tensione per lavorare?
Il MOS che hai scelto e` da 600V: che te ne fai di quelle prestazioni in un circuito alimentato a 12V? Piu` vai su con la tensione di lavoro maggiore e` la resistenza RDSon.
I MOS che ho indicato sono da 60V, 0.1Ω di resistenza e quindi quando conduce 350mA fanno una caduta di tensione di 60mV massimo (la resistenza a caldo e` maggiore di quella a freddo dichiarata sul data sheet). La corrente massima del MOS e` un dato che praticamente non si guarda MAI: lo si sceglie in base alla resistenza e alla tensione di lavoro.
La rete di feedback l'ho messa "a naso" senza fare conti, serve a garantire la stabilita` del circuito con carico capacitivo (l'ingresso del MOS).
La resistenza di source e quindi il guadagno dello stadio e` di 1Ω, cosi` questa R al massimo fa cadere 350mV e dissipa 0.12W circa, restando piccola.
Il partitore all'ingresso serve per ridurre un range di tensione da 0V a 5V in un range da 0V a 350mV (circa) che vuol dire piena luce. La R da 1.2kohm garantisce anche che se stacchi l'ingresso non capitino sfaceli.
Prima di montare il circuito di' che operazionale conti di usare, quanti led, che tensione di alimentazione hai...
Le resistenze in serie ai led non servono, a meno che non voglia ridurre, a pari tensione di alimentazione la potenza dissipata dal MOS. Non mi pare questo il caso.
Le tue idee sui Darlington e sui MOS sono un po' buffe: perche' il Darlington avrebbe bisogno di 5V di tensione per lavorare?
Il MOS che hai scelto e` da 600V: che te ne fai di quelle prestazioni in un circuito alimentato a 12V? Piu` vai su con la tensione di lavoro maggiore e` la resistenza RDSon.
I MOS che ho indicato sono da 60V, 0.1Ω di resistenza e quindi quando conduce 350mA fanno una caduta di tensione di 60mV massimo (la resistenza a caldo e` maggiore di quella a freddo dichiarata sul data sheet). La corrente massima del MOS e` un dato che praticamente non si guarda MAI: lo si sceglie in base alla resistenza e alla tensione di lavoro.
La rete di feedback l'ho messa "a naso" senza fare conti, serve a garantire la stabilita` del circuito con carico capacitivo (l'ingresso del MOS).
La resistenza di source e quindi il guadagno dello stadio e` di 1Ω, cosi` questa R al massimo fa cadere 350mV e dissipa 0.12W circa, restando piccola.
Il partitore all'ingresso serve per ridurre un range di tensione da 0V a 5V in un range da 0V a 350mV (circa) che vuol dire piena luce. La R da 1.2kohm garantisce anche che se stacchi l'ingresso non capitino sfaceli.
Prima di montare il circuito di' che operazionale conti di usare, quanti led, che tensione di alimentazione hai...
Per usare proficuamente un simulatore, bisogna sapere molta più elettronica di lui
Plug it in - it works better!
Il 555 sta all'elettronica come Arduino all'informatica! (entrambi loro malgrado)
Se volete risposte rispondete a tutte le mie domande
Plug it in - it works better!
Il 555 sta all'elettronica come Arduino all'informatica! (entrambi loro malgrado)
Se volete risposte rispondete a tutte le mie domande
0
voti
IsidoroKZ ha scritto:Non ho mica capito che cosa stai facendo.
Le resistenze in serie ai led non servono, a meno che non voglia ridurre, a pari tensione di alimentazione la potenza dissipata dal MOS. Non mi pare questo il caso.
Giusto
Le tue idee sui Darlington e sui MOS sono un po' buffe: perche' il Darlington avrebbe bisogno di 5 V di tensione per lavorare?
Praticamente: un solo corso di elettronica analogica all'università, e non ci hanno mai insegnato come leggere un datasheet di un componente elettronico (solo come leggere il datasheet con le istruzioni assembly di un microcontrollore). Quindi, nella mia ignoranza, ho chiesto ad un mio amico ingegnere elettronico e la risposta è stata "con questo BJT devi garantirgli 5V di tensione"... E io ho preso per oro colato.
Il MOS che hai scelto e` da 600V: che te ne fai di quelle prestazioni in un circuito alimentato a 12 V? Piu` vai su con la tensione di lavoro maggiore e` la resistenza RDSon.
I MOS che ho indicato sono da 60V, 0.1Ω di resistenza e quindi quando conduce 350mA fanno una caduta di tensione di 60mV massimo (la resistenza a caldo e` maggiore di quella a freddo dichiarata sul data sheet). La corrente massima del MOS e` un dato che praticamente non si guarda MAI: lo si sceglie in base alla resistenza e alla tensione di lavoro.
Cerco e lo sottopongo al tuo occhio :) Grazie
La rete di feedback l'ho messa "a naso" senza fare conti, serve a garantire la stabilita` del circuito con carico capacitivo (l'ingresso del MOS).
La resistenza di source e quindi il guadagno dello stadio e` di 1Ω, cosi` questa R al massimo fa cadere 350mV e dissipa 0.12W circa, restando piccola.
Il partitore all'ingresso serve per ridurre un range di tensione da 0V a 5 V in un range da 0V a 350mV (circa) che vuol dire piena luce. La R da 1.2kohm garantisce anche che se stacchi l'ingresso non capitino sfaceli.
Prima di montare il circuito di' che operazionale conti di usare, quanti led, che tensione di alimentazione hai...
Ok. Pensavo di utilizzare questo operazionale. Il numero di leds dipende da quali userò, se sono quelli d a350mA allora ne basta uno solo... La tensione di alimentazione la decido io visto che devo appositamente comprare un alimentatore per questo progetto.
Grazie mille ancora, soprattutto delle bacchettate :)
0
voti
Chiedo scusa per la risposta in ritardo. Periodo di assignment e sono quasi sotto esami natalizi
Inolter ho perso un po' di tempo a leggere i recenti articoli sulle stringhe di led, sperando di trovare spunto e rompere meno le scatole
Ho trovato un mosfet che mi sembra utilizzabile: http://www.st.com/internet/com/TECHNICA ... 002848.pdf
0.09ohm rds e 60V max
Quindi ricapitolando:
- Operazionale: http://www.ti.com/lit/ds/symlink/lf353.pdf
- 1 V massimo di caduta sulla resistenza (che deve dissiparmi almeno 0.7W, quindi da 1W dovrebbe andar bene)
- 2 led con punto di lavoro massimo 3,4V@700mA
- caduta massima sul mosfet
quindi diciamo, per andare sicuri, 140mV
Devo quindi alimentare il circuito con almeno 7,94V, quindi se alimento tutto con 9V vado abbastanza tranquillo, con un consumo totale di 6.3W a cella, ed un efficienza di
che mi sembra più che accettabile :)
Aspetto le ramanzine per le probabilissime castronate scritte!
Ho trovato un mosfet che mi sembra utilizzabile: http://www.st.com/internet/com/TECHNICA ... 002848.pdf
0.09ohm rds e 60V max
Quindi ricapitolando:
- Operazionale: http://www.ti.com/lit/ds/symlink/lf353.pdf
- 1 V massimo di caduta sulla resistenza (che deve dissiparmi almeno 0.7W, quindi da 1W dovrebbe andar bene)
- 2 led con punto di lavoro massimo 3,4V@700mA
- caduta massima sul mosfet
quindi diciamo, per andare sicuri, 140mVDevo quindi alimentare il circuito con almeno 7,94V, quindi se alimento tutto con 9V vado abbastanza tranquillo, con un consumo totale di 6.3W a cella, ed un efficienza di
che mi sembra più che accettabile :)Aspetto le ramanzine per le probabilissime castronate scritte!
1
voti
Avrei solo da dire qualcosa sull'operazionale. A parte che e` vecchietto e si trova di meglio, se usi quell'operazionale devi avere anche una alimentazione negativa per non violare la specifica della tensione di modo comune e per avere tensione di uscita che garantisca lo spegnimento del MOS.
Meglio usare un operazionale single supply in cui la tensione di modo comune puo` raggiungere l'alimentazione negativa e anche l'uscita arriva a 0V, senza aver bisogno di una alimentazione negativa.
Meglio usare un operazionale single supply in cui la tensione di modo comune puo` raggiungere l'alimentazione negativa e anche l'uscita arriva a 0V, senza aver bisogno di una alimentazione negativa.
Per usare proficuamente un simulatore, bisogna sapere molta più elettronica di lui
Plug it in - it works better!
Il 555 sta all'elettronica come Arduino all'informatica! (entrambi loro malgrado)
Se volete risposte rispondete a tutte le mie domande
Plug it in - it works better!
Il 555 sta all'elettronica come Arduino all'informatica! (entrambi loro malgrado)
Se volete risposte rispondete a tutte le mie domande
33 messaggi
• Pagina 3 di 4 • 1, 2, 3, 4
Chi c’è in linea
Visitano il forum: Nessuno e 268 ospiti

Elettrotecnica e non solo (admin)
Un gatto tra gli elettroni (IsidoroKZ)
Esperienza e simulazioni (g.schgor)
Moleskine di un idraulico (RenzoDF)
Il Blog di ElectroYou (webmaster)
Idee microcontrollate (TardoFreak)
PICcoli grandi PICMicro (Paolino)
Il blog elettrico di carloc (carloc)
DirtEYblooog (dirtydeeds)
Di tutto... un po' (jordan20)
AK47 (lillo)
Esperienze elettroniche (marco438)
Telecomunicazioni musicali (clavicordo)
Automazione ed Elettronica (gustavo)
Direttive per la sicurezza (ErnestoCappelletti)
EYnfo dall'Alaska (mir)
Apriamo il quadro! (attilio)
H7-25 (asdf)
Passione Elettrica (massimob)
Elettroni a spasso (guidob)
Bloguerra (guerra)




