Cos'è ElectroYou | Login Iscriviti

ElectroYou - la comunità dei professionisti del mondo elettrico

Circuito transitorio

Circuiti, campi elettromagnetici e teoria delle linee di trasmissione e distribuzione dell’energia elettrica

Moderatori: Foto Utenteg.schgor, Foto UtenteIsidoroKZ

1
voti

[1] Circuito transitorio

Messaggioda Foto UtenteRedcesc » 4 dic 2012, 16:11

Ciao a tutti
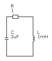
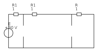
Ho un circuito dove mi devo calcolare la potenza massima dissipata dal resistore R,e poi mi chiede di calcolarmi il valore massimo dell'energia immagazzinata nell' induttore L.
il circuito :

Per T<0 avrò

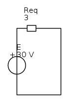
i(0)=\frac{E}{Req}

Per T>0 avrò

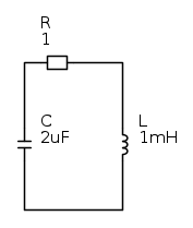
Vr(t)+Vc(t)+Vl(t)=0
\frac{\partial^2 i(t)}{\partial x^2}+\frac{R}{L}\frac{\partial i(t)}{\partial x}+\frac{1}{LC}i(t)=0

Se ci sono degli errori correggetemi
Avatar utente
Foto UtenteRedcesc
88 1 2 5
 
Messaggi: 16
Iscritto il: 1 ago 2012, 11:04

0
voti

[2] Re: Circuito transitorio

Messaggioda Foto UtenteRenzoDF » 4 dic 2012, 16:24

E' possibile vedere il testo originale del problema?
"Il circuito ha sempre ragione" (Luigi Malesani)
Avatar utente
Foto UtenteRenzoDF
55,9k 8 12 13
G.Master EY
G.Master EY
 
Messaggi: 13189
Iscritto il: 4 ott 2008, 9:55

1
voti

[3] Re: Circuito transitorio

Messaggioda Foto UtenteRedcesc » 4 dic 2012, 16:34

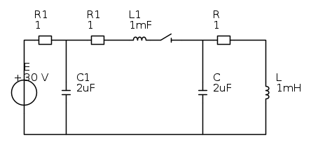
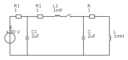
Nel circuito in figura,alimentato da un generatore ideale di tensione costante,all'istante t=0 si apre l'interruttore.
Calcolare la potenza massima dissipata dal resistore R, successivamente calcolare il valore massimo dell'energia immagazzinata dall'induttore L.
Avatar utente
Foto UtenteRedcesc
88 1 2 5
 
Messaggi: 16
Iscritto il: 1 ago 2012, 11:04

0
voti

[4] Re: Circuito transitorio

Messaggioda Foto UtenteRedcesc » 5 dic 2012, 9:25

C'è qualcuno che mi può dire se sto procedendo nel modo giusto nel circuito
GRazie
Avatar utente
Foto UtenteRedcesc
88 1 2 5
 
Messaggi: 16
Iscritto il: 1 ago 2012, 11:04

1
voti

[5] Re: Circuito transitorio

Messaggioda Foto UtenteRenzoDF » 5 dic 2012, 9:59

Redcesc ha scritto:C'è qualcuno che mi può dire se sto procedendo nel modo giusto nel circuito ...

Certo, cercando di indovinare le convenzioni assunte per correnti e tensioni, che purtroppo come al solito non compaiono negli schemi, e intendendo la derivata in t e non in x, il tuo metodo è corretto.

La mia domanda sul testo cercava di capire se ci sono richieste anche per la parte sinistra della rete dopo l'apertura dell'interruttore, ovvero per C1 ed L1 in quanto ero "preoccupato" per la "reazione" di quest'ultima.
"Il circuito ha sempre ragione" (Luigi Malesani)
Avatar utente
Foto UtenteRenzoDF
55,9k 8 12 13
G.Master EY
G.Master EY
 
Messaggi: 13189
Iscritto il: 4 ott 2008, 9:55

1
voti

[6] Re: Circuito transitorio

Messaggioda Foto UtenteRedcesc » 5 dic 2012, 10:17

Nel testo di L1 e C1 non ne parla
Per T>0 con le convenzioni

RenzoDF per farti capire meglio ti ho provato a scannerizzare il circuito con la traccia
Allegati
doc1.doc.pdf
(34.09 KiB) Scaricato 183 volte
Avatar utente
Foto UtenteRedcesc
88 1 2 5
 
Messaggi: 16
Iscritto il: 1 ago 2012, 11:04

1
voti

[7] Re: Circuito transitorio

Messaggioda Foto UtenteRedcesc » 8 dic 2012, 14:21

Dopo aver trovato l'equazione differenziale
\frac{\partial^2 i(t)}{\partial t^2}+\frac{R}{L}\frac{\partial i(t)}{\partial t}+\frac{1}{LC}i(t)=0
\lambda^2+ 2{\sigma}\lambda +\omega^2=0
Trovo le due soluzioni
\lambda 1,2=-\sigma \pm \sqrt{\sigma ^2-\omega ^2}
le due soluzioni sono complesse e coniugate
\lambda 1=-500+22355
\lambda 2=-500-22355
Uso i(t)=e^{-\sigma t} (Acos \omega _{d}t +Bsin\omega _{d}t)
Trovo A=Kcos(\phi ) e B=-Ksin(\phi )
Correggetemi se ho sbagliato qualcosa
Avatar utente
Foto UtenteRedcesc
88 1 2 5
 
Messaggi: 16
Iscritto il: 1 ago 2012, 11:04

1
voti

[8] Re: Circuito transitorio

Messaggioda Foto UtenteRedcesc » 8 dic 2012, 15:05

\lambda 1=-500+j22355
\lambda 2=-500-j22355
Le condizioni iniziali sono
i(0)=\frac{E}{Req}=\frac{30}{3}=10A
V(0)=E=30V
Avatar utente
Foto UtenteRedcesc
88 1 2 5
 
Messaggi: 16
Iscritto il: 1 ago 2012, 11:04

0
voti

[9] Re: Circuito transitorio

Messaggioda Foto UtenteRenzoDF » 8 dic 2012, 15:16

Sulle condizioni iniziali direi che non ci siamo proprio.
"Il circuito ha sempre ragione" (Luigi Malesani)
Avatar utente
Foto UtenteRenzoDF
55,9k 8 12 13
G.Master EY
G.Master EY
 
Messaggi: 13189
Iscritto il: 4 ott 2008, 9:55

1
voti

[10] Re: Circuito transitorio

Messaggioda Foto UtenteRedcesc » 8 dic 2012, 15:28

Per t<0

La corrente i(0)=\frac{E}{R1+R1+R}=\frac{30}{3}=10A
Latensione V(0)=E-R1*i(0)-R*i(0)-R1*i(0)=0V
Avatar utente
Foto UtenteRedcesc
88 1 2 5
 
Messaggi: 16
Iscritto il: 1 ago 2012, 11:04

Prossimo

Torna a Elettrotecnica generale

Chi c’è in linea

Visitano il forum: Nessuno e 19 ospiti