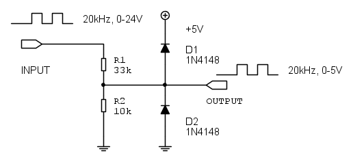
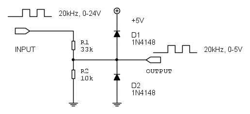
Vorrei implementare uno schema semplice-semplice per tradurre un'onda quadra simmetrica max 20kHz con dinamica 0-24V in un'onda quadra con dinamica 0-5V (TTL o quasi).
Ho pensato a due soluzioni possibili.
La prima prevede l'uso di uno zener da 5.1V dopo un partitore di (circa ) 1:4
La seconda, invece, prevede un clamp con due diodi:
Dalle info che ho (da verificare) il segnale TTL andrà ad interfacciarsi su di una porta ad alta impedenza.
Ora, quale soluzione è meglio adottare? Pro e contro?
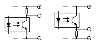
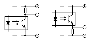
Aggiungo che in alternativa avevo pensato all'impiego di optoisolatori e di transistor (impiegati come NOT) per invertire il segnale in uscita dall'opto.
Avrebbe senso utilizzare un operazionale/comparatore in saturazione?
Accetto eventuali proposte.
Grazie.
Paolo.
Onda quadra da 24 V a 5V: cosa è meglio?
Moderatori:
carloc,
g.schgor,
BrunoValente,
IsidoroKZ
15 messaggi
• Pagina 1 di 2 • 1, 2
2
voti
"Houston, Tranquillity Base here. The Eagle has landed." - Neil A.Armstrong
-------------------------------------------------------------
PIC Experience - http://www.picexperience.it
-------------------------------------------------------------
PIC Experience - http://www.picexperience.it
-

Paolino
32,6k 8 12 13 - G.Master EY

- Messaggi: 4226
- Iscritto il: 20 gen 2006, 11:42
- Località: Vigevano (PV)
1
voti
Il primo schema può andar bene anche se io ometterei la resistenza R2 sostituendola direttamente con lo zener se la porta di destinazione ha alta impedenza.
-

Matteo1991
406 2 4 12 - Frequentatore

- Messaggi: 280
- Iscritto il: 28 giu 2012, 16:38
0
voti
Io uso lo schema 1 lasciando la resistenza per caricare l' uscita ed assicurarmi che questa vada bene a 0.
Ci sono centinaia di miei circuiti che in questo momento stanno funzionando bene e che utilizzano il primo circuito.
Solo che io porto un 5V a 3,3V.
Ci sono centinaia di miei circuiti che in questo momento stanno funzionando bene e che utilizzano il primo circuito.
Solo che io porto un 5V a 3,3V.
"La follia sta nel fare sempre la stessa cosa aspettandosi risultati diversi".
"Parla soltanto quando sei sicuro che quello che dirai è più bello del silenzio".
Rispondere è cortesia, ma lasciare l'ultima parola ai cretini è arte.
"Parla soltanto quando sei sicuro che quello che dirai è più bello del silenzio".
Rispondere è cortesia, ma lasciare l'ultima parola ai cretini è arte.
-

TardoFreak
73,9k 8 12 13 - -EY Legend-

- Messaggi: 15754
- Iscritto il: 16 dic 2009, 11:10
- Località: Torino - 3° pianeta del Sistema Solare
1
voti
TardoFreak ha scritto:Io uso lo schema 1 lasciando la resistenza per caricare l' uscita ed assicurarmi che questa vada bene a 0.
Concordo pienamente che mettendo la resistenza lo zero logico all'uscita corrisponde a 0 V precisi, infatti questo è il modo "elegante"
Le TTL comunque riconoscono la 0 logico da 0V a 0.8V (se non ricordo male) dunque non dovrebbero esserci problemi senza R2 (soluzione da accrocconi
n.b. ovviamente la R1 andrebbe ridimensionata (pignoleria
)-

Matteo1991
406 2 4 12 - Frequentatore

- Messaggi: 280
- Iscritto il: 28 giu 2012, 16:38
4
voti
Paolino ha scritto:...Aggiungo che in alternativa avevo pensato all'impiego di optoisolatori e di transistor (impiegati come NOT) per invertire il segnale in uscita dall'opto...
Ciao
L'impiego degli optoisolatori avrebbe senso solo solo se occorresse tenere isolati i rifeimenti, altrimenti sarebbe inutile.
Comunque con gli optoisolatori non occorre aggiungere un transistor per evitare l'inversione: il carico si può collegare indifferentemente sopra o sotto e se lo metti sotto il segnale non si inverte
Paolino ha scritto:...Avrebbe senso utilizzare un operazionale/comparatore in saturazione?
Se i fronti fossero poco ripidi e se questo fosse un problema, un comparatore ti potrebbe aiutare.
Se vi fosse del rumore sovrapposto al segnale e se questo fosse un problema, un comparatore con isteresi potrebbe aiutarti entro certi limiti.
-

BrunoValente
39,6k 7 11 13 - G.Master EY

- Messaggi: 7796
- Iscritto il: 8 mag 2007, 14:48
0
voti
Io per fare una cosa del genere da 12V a 5V ho usato un CD4050.
Che funziona senza problemi anche se per 24 V non va bene ed è uno spreco visto che ci sono 6 ingressi, ed io ne ho usato uno solo.
Che funziona senza problemi anche se per 24 V non va bene ed è uno spreco visto che ci sono 6 ingressi, ed io ne ho usato uno solo.
0
voti
Grazie a tutti. Implementerò lo schema 1.
Ciao.
Paolo.
Ciao.
Paolo.
"Houston, Tranquillity Base here. The Eagle has landed." - Neil A.Armstrong
-------------------------------------------------------------
PIC Experience - http://www.picexperience.it
-------------------------------------------------------------
PIC Experience - http://www.picexperience.it
-

Paolino
32,6k 8 12 13 - G.Master EY

- Messaggi: 4226
- Iscritto il: 20 gen 2006, 11:42
- Località: Vigevano (PV)
4
voti
Voto per la 1 con uno zener da 4.7V massimi. La 2 ha il livello alto che puo` arrivare sopra l'alimentazione del 5V e non mi piace molto.
Gli zener pero` hanno una capacita` maggiore di quella che potrebbero presentare una coppia di diodi montati verso le alimentazioni: uno zener a bassa tensione, potrebbe avere una capacita` dell'ordine del centinaio di picofarad o piu`, mentre due diodi da segnale hanno una capacita` totale dalle parti della decina di picofarad. Ad alta frequenza questo potrebbe dare problemi.
Gli zener pero` hanno una capacita` maggiore di quella che potrebbero presentare una coppia di diodi montati verso le alimentazioni: uno zener a bassa tensione, potrebbe avere una capacita` dell'ordine del centinaio di picofarad o piu`, mentre due diodi da segnale hanno una capacita` totale dalle parti della decina di picofarad. Ad alta frequenza questo potrebbe dare problemi.
Per usare proficuamente un simulatore, bisogna sapere molta più elettronica di lui
Plug it in - it works better!
Il 555 sta all'elettronica come Arduino all'informatica! (entrambi loro malgrado)
Se volete risposte rispondete a tutte le mie domande
Plug it in - it works better!
Il 555 sta all'elettronica come Arduino all'informatica! (entrambi loro malgrado)
Se volete risposte rispondete a tutte le mie domande
3
voti
Ciao
Paolino,
Spero, che tutto e sia andato bene con il circuito!
Vorrei solo dire, che i circuiti [1] non sono in grado di fornire una uscita classica TTL. Il TTL ha bisogna di una corrente di 1,6 mA verso massa e una tensione meno di 0.8 V per poter "sentire" "L". http://www.ti.com/lit/ds/symlink/sn74ls00.pdf
Io suggerirei un partitore semplice: R1 = 2,4 k e R2 = 470 Ohm.

Spero, che tutto e sia andato bene con il circuito!
Vorrei solo dire, che i circuiti [1] non sono in grado di fornire una uscita classica TTL. Il TTL ha bisogna di una corrente di 1,6 mA verso massa e una tensione meno di 0.8 V per poter "sentire" "L". http://www.ti.com/lit/ds/symlink/sn74ls00.pdf
Io suggerirei un partitore semplice: R1 = 2,4 k e R2 = 470 Ohm.

-

Sparafucile
4.361 4 8 - Master EY

- Messaggi: 649
- Iscritto il: 22 gen 2012, 19:57
5
voti
IsidoroKZ ha scritto:
Gli zener pero` hanno una capacita` maggiore di quella che potrebbero presentare una coppia di diodi montati verso le alimentazioni: uno zener a bassa tensione, potrebbe avere una capacita` dell'ordine del centinaio di picofarad o piu`, mentre due diodi da segnale hanno una capacita` totale dalle parti della decina di picofarad. Ad alta frequenza questo potrebbe dare problemi.
Suggerisco questo
Oppure questo che accontenta anche
-

BrunoValente
39,6k 7 11 13 - G.Master EY

- Messaggi: 7796
- Iscritto il: 8 mag 2007, 14:48
15 messaggi
• Pagina 1 di 2 • 1, 2
Chi c’è in linea
Visitano il forum: Nessuno e 38 ospiti

Elettrotecnica e non solo (admin)
Un gatto tra gli elettroni (IsidoroKZ)
Esperienza e simulazioni (g.schgor)
Moleskine di un idraulico (RenzoDF)
Il Blog di ElectroYou (webmaster)
Idee microcontrollate (TardoFreak)
PICcoli grandi PICMicro (Paolino)
Il blog elettrico di carloc (carloc)
DirtEYblooog (dirtydeeds)
Di tutto... un po' (jordan20)
AK47 (lillo)
Esperienze elettroniche (marco438)
Telecomunicazioni musicali (clavicordo)
Automazione ed Elettronica (gustavo)
Direttive per la sicurezza (ErnestoCappelletti)
EYnfo dall'Alaska (mir)
Apriamo il quadro! (attilio)
H7-25 (asdf)
Passione Elettrica (massimob)
Elettroni a spasso (guidob)
Bloguerra (guerra)





