ciao
ho delle schede con questo circuito
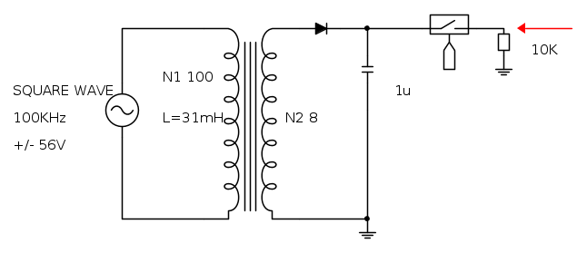
per testarlo vengono effettuate delle letture da un AD ogni 50 ms. L'interruttore viene controllato a sw. L'AD leggerà 0 a interruttore aperto e il valore in uscita dal trafo a interruttore chiuso.
Ho calcolato che all'uscita dal trafo dovrebbero esserci 4.4 V ma se vado a misurare la tensione dopo il diodo trovo 7.5V a interruttore chiuso e più di 8 a interruttore aperto.
Sapreste spiegarmi il motivo?
Seconda domanda:
Effettuando tale misura su schede diverse ho una variazione della tensione attesa (i 7.5V di prima) anche di +/- 1Volt.
Vorrei capire quale possa essere la causa...
Come posso calcolare le soglie di tensioni attese dall'AD?
Grazie
uscita trasformatore
Moderatori:
carloc,
g.schgor,
BrunoValente,
IsidoroKZ
4 messaggi
• Pagina 1 di 1
2
voti
Ringing e/o feed through
....
Le induttanze (primaria, secondaria e di dispersione) risuonano con le capacità parassite degli avvolgimenti e ti danno qualcosa che in prima approssimazione è un transitorio del secondo ordine. Se (e questo pare il tuo caso) lo smorzamento è basso (anche a causa di un carico molto "leggero") ti trovi dei picchi anche molto più elevati del valore "atteso" che poi vengono raddrizzati e misurati (appunto hai un rivelatore di picco).
Dovresti vedere con l'oscilloscopio quello che succede e poi eventualmete inserire un carico aggiuntivo o uno snubber.
Poi, anche in aggiunta a quanto detto, potresti realizzare un rivelatore "a valor medio" meno sensibile a queste problematiche.
Invece le capacità parassite tra primario e secondario "trasferiscono" il segnale in modo comune al primario. Questo dipende da come è fatto il trasformatore, se c'è lo schermo e dove è collegato e da come sono i riferimenti al primario e al secondario comunque anche questo è un processo passa alto che tenderà ad aumentare la sovraelongazione ai fronti.
Questo è più difficile da attenuare, ma una prova -disperatissima e folle- potrebbe essere tentare di invertire la fase di uno dei avvolgimenti.....
Le induttanze (primaria, secondaria e di dispersione) risuonano con le capacità parassite degli avvolgimenti e ti danno qualcosa che in prima approssimazione è un transitorio del secondo ordine. Se (e questo pare il tuo caso) lo smorzamento è basso (anche a causa di un carico molto "leggero") ti trovi dei picchi anche molto più elevati del valore "atteso" che poi vengono raddrizzati e misurati (appunto hai un rivelatore di picco).
Dovresti vedere con l'oscilloscopio quello che succede e poi eventualmete inserire un carico aggiuntivo o uno snubber.
Poi, anche in aggiunta a quanto detto, potresti realizzare un rivelatore "a valor medio" meno sensibile a queste problematiche.
Invece le capacità parassite tra primario e secondario "trasferiscono" il segnale in modo comune al primario. Questo dipende da come è fatto il trasformatore, se c'è lo schermo e dove è collegato e da come sono i riferimenti al primario e al secondario comunque anche questo è un processo passa alto che tenderà ad aumentare la sovraelongazione ai fronti.
Questo è più difficile da attenuare, ma una prova -disperatissima e folle- potrebbe essere tentare di invertire la fase di uno dei avvolgimenti.....
Se ti serve il valore di beta: hai sbagliato il progetto!
0
voti
volevo precisare che l'ingresso del circuito che ho modellato come un generatore di onda quadra è in realtà l'uscita dello switching
e lo scopo del circuito è quello di rilevare eventuali variazioni della 48.
L'uscita OUT è quella che si vede sull'oscilloscopio.
è possibile che il condensatore da 1uf si carichi sugli spilli dello switching?
e lo scopo del circuito è quello di rilevare eventuali variazioni della 48.
L'uscita OUT è quella che si vede sull'oscilloscopio.
è possibile che il condensatore da 1uf si carichi sugli spilli dello switching?
4 messaggi
• Pagina 1 di 1
Chi c’è in linea
Visitano il forum: Nessuno e 54 ospiti

Elettrotecnica e non solo (admin)
Un gatto tra gli elettroni (IsidoroKZ)
Esperienza e simulazioni (g.schgor)
Moleskine di un idraulico (RenzoDF)
Il Blog di ElectroYou (webmaster)
Idee microcontrollate (TardoFreak)
PICcoli grandi PICMicro (Paolino)
Il blog elettrico di carloc (carloc)
DirtEYblooog (dirtydeeds)
Di tutto... un po' (jordan20)
AK47 (lillo)
Esperienze elettroniche (marco438)
Telecomunicazioni musicali (clavicordo)
Automazione ed Elettronica (gustavo)
Direttive per la sicurezza (ErnestoCappelletti)
EYnfo dall'Alaska (mir)
Apriamo il quadro! (attilio)
H7-25 (asdf)
Passione Elettrica (massimob)
Elettroni a spasso (guidob)
Bloguerra (guerra)





