Cos'è ElectroYou | Login Iscriviti

ElectroYou - la comunità dei professionisti del mondo elettrico

esercitazione con circuiti resistivi

Circuiti, campi elettromagnetici e teoria delle linee di trasmissione e distribuzione dell’energia elettrica

Moderatori: Foto Utenteg.schgor, Foto UtenteIsidoroKZ

0
voti

[1] esercitazione con circuiti resistivi

Messaggioda Foto Utenterazielmitico » 13 dic 2012, 0:09

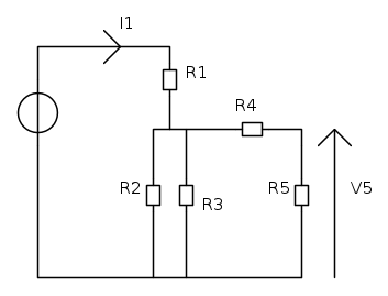
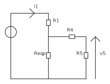
Buona sera ragazzi,oggi in classe abbiamo fatto un'esercitazione con un circuito resistivo,eccolo:



con questi dati:
V= 12V R1=R4=R5=1K R2=R3=3,3K

la consegna chiede:
individurare le resistenze in serie e in parallelo.
In serie sono R4 e R5 in parallelo R2 e R3
calcolare
I1,V5 e la Conduttanza complessiva del circuito

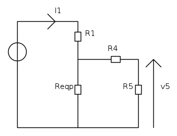
io per prima,ho semplificato il circuito,trovando la resistenza equivalente (Reqp) tra R2 e R3 che sono in parallelo,riducendo il circuito così:



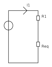
poi ho trovato la resistenza equivalente (Reqs) tra R4 e R5 che sono in serie,riducendo il circuito così:



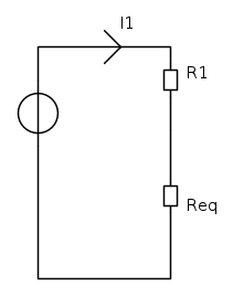
in ultimo semplifico le due ultime resistenze che sono in parallelo (Req),il circuito si riduce così:



Adesso con questo circuito,tramite le formule del partitore di tensione (possiamo usare solo le formule del partitore di tensione o di corrente) con la formula:

I= V/Req => I= V/(R1+Req)

avendo la I possiamo trovare la conduttanga totale che è uguale a:

G= I/V

mentre la V5 è uguale a:

V5= R5* V/(R1+Req)

che ne pensate? c'è qualche errore?
Avatar utente
Foto Utenterazielmitico
-10 5
Frequentatore
Frequentatore
 
Messaggi: 153
Iscritto il: 23 ott 2012, 22:59

1
voti

[2] Re: esercitazione con circuiti resistivi

Messaggioda Foto Utenteg.schgor » 13 dic 2012, 10:44

Nella R5 non passa tutta la corrente di Req...
(ci sono di mezzo la R4 in serie e poi il parallelo con R2||R3)
Avatar utente
Foto Utenteg.schgor
57,8k 9 12 13
G.Master EY
G.Master EY
 
Messaggi: 16971
Iscritto il: 25 ott 2005, 9:58
Località: MILANO

0
voti

[3] Re: esercitazione con circuiti resistivi

Messaggioda Foto Utenterazielmitico » 13 dic 2012, 19:50

Non capisco a cosa ti rifersci,ho semplificato le due in parallelo ed è presente una Reqp (la resistenza equivalente delle parallele) R4 e R5 sono in serie poi...
Ultima modifica di Foto Utentelillo il 14 dic 2012, 19:21, modificato 1 volta in totale.
Motivazione: Non citare inutilmente. Usa il tasto Rispondi
Avatar utente
Foto Utenterazielmitico
-10 5
Frequentatore
Frequentatore
 
Messaggi: 153
Iscritto il: 23 ott 2012, 22:59

1
voti

[4] Re: esercitazione con circuiti resistivi

Messaggioda Foto Utenteg.schgor » 13 dic 2012, 23:10

Req è il parallelo di R2,R3, R4+R5,
quindi la corrente che hai chiamato I,
deve essere suddivisa nei 3 rami...
Avatar utente
Foto Utenteg.schgor
57,8k 9 12 13
G.Master EY
G.Master EY
 
Messaggi: 16971
Iscritto il: 25 ott 2005, 9:58
Località: MILANO

0
voti

[5] Re: esercitazione con circuiti resistivi

Messaggioda Foto Utenterazielmitico » 14 dic 2012, 13:42

Si ma a me non importa la corrente nei vari rami,mi interessa la corrente totale XD
Avatar utente
Foto Utenterazielmitico
-10 5
Frequentatore
Frequentatore
 
Messaggi: 153
Iscritto il: 23 ott 2012, 22:59

0
voti

[6] Re: esercitazione con circuiti resistivi

Messaggioda Foto UtenteMSilvano » 14 dic 2012, 14:10

La tensione ai capi di R5 è data dal prodotto della R5 per la corrente che l'attraversa. Questa corrente non è la I1, ma quella che attraversa il ramo R4/R5 [-X
Avatar utente
Foto UtenteMSilvano
2.083 1 3 6
Expert
Expert
 
Messaggi: 728
Iscritto il: 3 gen 2011, 10:35

0
voti

[7] Re: esercitazione con circuiti resistivi

Messaggioda Foto Utenteg.schgor » 14 dic 2012, 14:12

Ma non devi calcolare la tensione ai capi di R5?
Per questo devi conoscere la corrente che circola nel ramo di R4+R5
(non la totale).
PS. vedo ora che ti ha già risposto anche Foto UtenteMSilvano
Avatar utente
Foto Utenteg.schgor
57,8k 9 12 13
G.Master EY
G.Master EY
 
Messaggi: 16971
Iscritto il: 25 ott 2005, 9:58
Località: MILANO

0
voti

[8] Re: esercitazione con circuiti resistivi

Messaggioda Foto Utenterazielmitico » 14 dic 2012, 15:19

Ah! XD io ho fatto per la I totale!

io ho fatto:

V5= R5 * V/(R1+ Req)

visto che

V=R * I

da cui

V=R5 * I5

giusto?
Avatar utente
Foto Utenterazielmitico
-10 5
Frequentatore
Frequentatore
 
Messaggi: 153
Iscritto il: 23 ott 2012, 22:59

2
voti

[9] Re: esercitazione con circuiti resistivi

Messaggioda Foto Utenteg.schgor » 14 dic 2012, 15:40

No, abbiamo già detto che è sbagliato!
La I che calcoli tu è quella che circola (idealmente) in Req.
Questa serve a calcolare la tensione ai capi del parallelo.
Poi, da tale tensione ricavi la corrente che circola nel ramo R4+R5
e con questa corrente calcoli la tensione su R5
Avatar utente
Foto Utenteg.schgor
57,8k 9 12 13
G.Master EY
G.Master EY
 
Messaggi: 16971
Iscritto il: 25 ott 2005, 9:58
Località: MILANO


Torna a Elettrotecnica generale

Chi c’è in linea

Visitano il forum: Nessuno e 23 ospiti