Circuito da risolvere Thévenin e Norton
Moderatori:
g.schgor,
IsidoroKZ
11 messaggi
• Pagina 1 di 2 • 1, 2
0
voti
Salve,
mi trovo in difficoltà nella soluzione di questi 2 esercizi; probabilmente semplicissimi; qualcuno potrebbe darmi una mano con il procedimento o almeno verificare che i risultati proposti siano corretti?
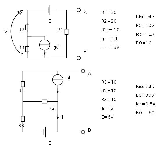
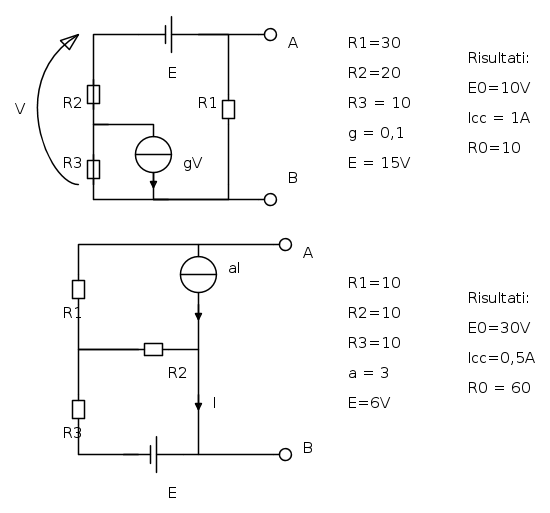
Devo determinare i parametri dei bipoli equivalenti di Thévenin e Norton.
Vi ringrazio,
Matteo
mi trovo in difficoltà nella soluzione di questi 2 esercizi; probabilmente semplicissimi; qualcuno potrebbe darmi una mano con il procedimento o almeno verificare che i risultati proposti siano corretti?
Devo determinare i parametri dei bipoli equivalenti di Thévenin e Norton.
Vi ringrazio,
Matteo
Ultima modifica di
maxcorrads il 20 dic 2012, 17:08, modificato 2 volte in totale.
-

maxcorrads
8 2 - Messaggi: 10
- Iscritto il: 20 dic 2012, 15:10
0
voti
Ciao Max, ti invito a leggere le regole del forum, dove troverai che gli schemi devono essere inseriti utilizzando fidocad e le formule in latex, questo per maggior chiarezza.
"Le domande non sono mai indiscrete. Le risposte lo sono a volte"
Per qualche dollaro in più
Per qualche dollaro in più
2
voti
Ciao guerra, chiedo scusa per l'errore, sistemato!
edit Guerra: usa il tasto "rispondi", non il tasto "cita"
edit Guerra: usa il tasto "rispondi", non il tasto "cita"

Ultima modifica di
Guerra il 20 dic 2012, 17:14, modificato 1 volta in totale.
Motivazione: cancellazione citazione
Motivazione: cancellazione citazione
-

maxcorrads
8 2 - Messaggi: 10
- Iscritto il: 20 dic 2012, 15:10
0
voti
il tuo procedimento quale è stato?
hai provato con un generatore di prova?
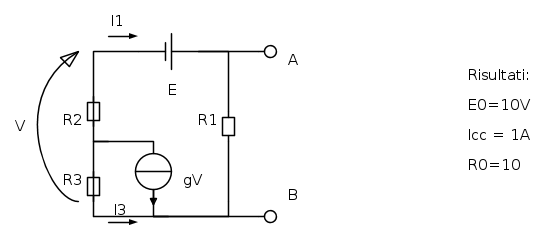
credo manchi qualcosa nei disegni: la V del generatore pilotato (primo esercizio) a cosa si riferisce?
hai provato con un generatore di prova?
credo manchi qualcosa nei disegni: la V del generatore pilotato (primo esercizio) a cosa si riferisce?
0
voti
I generatori di corrente sono generatori dipendenti.
Io ho non sono riuscito a calcolare V
-

maxcorrads
8 2 - Messaggi: 10
- Iscritto il: 20 dic 2012, 15:10
1
voti
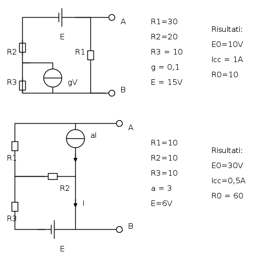
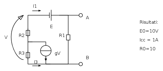
sempre riguardo il primo esercizio risolvi il seguente sistema, con i versi delle correnti indicati in figura:

se inserisci la terza nella prima, troverai le correnti I1 e I3 senza necessariamente trovare il valore di V.
trovata I1 basta moltiplicare per R1 per trovare la tensione a vuoto... che coincide con quella del tuo testo

0
voti
Ti ringrazio!
Per quanto riguarda il secondo esercizio ho problemi a trovare la Icc e R0.
Per quanto riguarda E0 credo di aver risolto svolgendo i corretti passaggi.
I= E/(R2+R3) = 0,3A
I1 = a*I = 0,9A
I2 = I+a*I = 1,2A
I3 = I = 0,3A
E0=R1*I1+R2*i2+R2*I3 = 30V
Per quanto riguarda il secondo esercizio ho problemi a trovare la Icc e R0.
Per quanto riguarda E0 credo di aver risolto svolgendo i corretti passaggi.
I= E/(R2+R3) = 0,3A
I1 = a*I = 0,9A
I2 = I+a*I = 1,2A
I3 = I = 0,3A
E0=R1*I1+R2*i2+R2*I3 = 30V
-

maxcorrads
8 2 - Messaggi: 10
- Iscritto il: 20 dic 2012, 15:10
1
voti

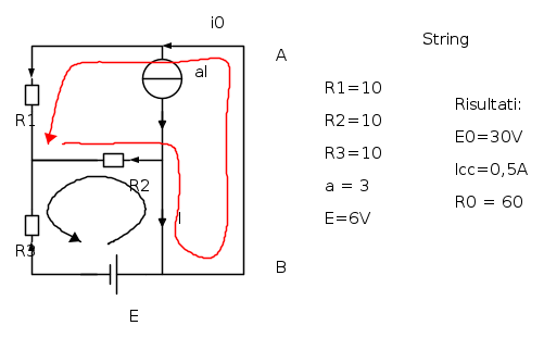
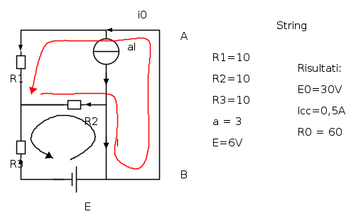
Applicando KVL alla maglia indicata in nero:

quindi


applicando KVL alla maglia rossa:

imponendo:



4
voti
Per il circuito 1, volevo segnalarti un altro metodo, quasi Ahmesiano.
Se la tensione di uscita è Vab, allora le varie tensioni e correnti sul circuito sono queste:
Quindi si potrà applicare la KCL al morsetto rosso, ottenendo:

da cui
Cortocircuitando AB, la rete diventa:
Dove ho girato il segno del generatore di corrente poiché V ed E hanno segno discorde.
La corrente di corto circuito vale quindi:

La resistenza equivalente è quindi uguale alla tensione a circuito aperto diviso la corrente di cortocircuito:

Il secondo circuito lo vediamo domani, che adesso c'ho un sonno bestia...
Pietro
Se la tensione di uscita è Vab, allora le varie tensioni e correnti sul circuito sono queste:
Quindi si potrà applicare la KCL al morsetto rosso, ottenendo:

da cui

Cortocircuitando AB, la rete diventa:
Dove ho girato il segno del generatore di corrente poiché V ed E hanno segno discorde.
La corrente di corto circuito vale quindi:

La resistenza equivalente è quindi uguale alla tensione a circuito aperto diviso la corrente di cortocircuito:

Il secondo circuito lo vediamo domani, che adesso c'ho un sonno bestia...
Pietro
-

PietroBaima
90,7k 7 12 13 - G.Master EY

- Messaggi: 12206
- Iscritto il: 12 ago 2012, 1:20
- Località: Londra
3
voti
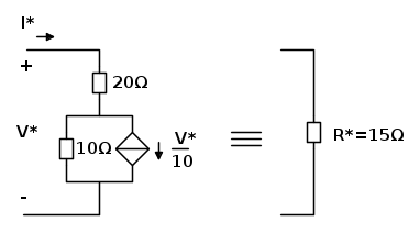
PietroBaima ha scritto:Per il circuito 1, volevo segnalarti un altro metodo, quasi Ahmesiano.![]()
Noi, vecchi Ahmessiani, preferiamo usare "numeri" ed "equivalenze";
... in base a questi dettami, possiamo cercare l'equivalente circuitale della seguente sottorete
dove, supponendo di forzarla con un "conveniente" GIT da 10 volt,

abbiamo ottenuto una

dalla quale segue la soluzione al problema

"Il circuito ha sempre ragione" (Luigi Malesani)
11 messaggi
• Pagina 1 di 2 • 1, 2
Torna a Elettrotecnica generale
Chi c’è in linea
Visitano il forum: Nessuno e 118 ospiti

Elettrotecnica e non solo (admin)
Un gatto tra gli elettroni (IsidoroKZ)
Esperienza e simulazioni (g.schgor)
Moleskine di un idraulico (RenzoDF)
Il Blog di ElectroYou (webmaster)
Idee microcontrollate (TardoFreak)
PICcoli grandi PICMicro (Paolino)
Il blog elettrico di carloc (carloc)
DirtEYblooog (dirtydeeds)
Di tutto... un po' (jordan20)
AK47 (lillo)
Esperienze elettroniche (marco438)
Telecomunicazioni musicali (clavicordo)
Automazione ed Elettronica (gustavo)
Direttive per la sicurezza (ErnestoCappelletti)
EYnfo dall'Alaska (mir)
Apriamo il quadro! (attilio)
H7-25 (asdf)
Passione Elettrica (massimob)
Elettroni a spasso (guidob)
Bloguerra (guerra)









pigreco]=π
