Oggi ho trovato un sito con vecchie riviste in italiano "Electronics Projects", in cui ci sono molti schemi di ricevitori AM, per esempio Luglio-Agosto 1992.
http://www.introni.it/riviste_electronics_projects.html
Radio a 2 transistor AM alimentata 12V
Moderatore:
jordan20
25 messaggi
• Pagina 3 di 3 • 1, 2, 3
0
voti
Salve di nuovo a tutti,
ho completato il circuito come da schema alimentando il tutto con una batteria da 9V però è sorto un problema molto importante: l'audio è davvero bassissimo devo avvicinare l'orecchio all'altoparlante per sentire qualcosa.
Inoltre ho notato che se con una mano tocco il cavo di collegamento tra il potenziometro da 10 kohm e il circuito integrato lm386 il volume aumenta sensibilmente perciò ho pensato che i cavi che ho usato per fare tali collegamenti non isolino a sufficienza. Sapete aiutarmi? Possono essere i cavi o altro??
Grazie Amedeo
ho completato il circuito come da schema alimentando il tutto con una batteria da 9V però è sorto un problema molto importante: l'audio è davvero bassissimo devo avvicinare l'orecchio all'altoparlante per sentire qualcosa.
Inoltre ho notato che se con una mano tocco il cavo di collegamento tra il potenziometro da 10 kohm e il circuito integrato lm386 il volume aumenta sensibilmente perciò ho pensato che i cavi che ho usato per fare tali collegamenti non isolino a sufficienza. Sapete aiutarmi? Possono essere i cavi o altro??
Grazie Amedeo
1
voti
Se toccando cambia il volume e` possibile che sia che tu faccia da antenna! Appena ho tempo do uno sguardo.
Per usare proficuamente un simulatore, bisogna sapere molta più elettronica di lui
Plug it in - it works better!
Il 555 sta all'elettronica come Arduino all'informatica! (entrambi loro malgrado)
Se volete risposte rispondete a tutte le mie domande
Plug it in - it works better!
Il 555 sta all'elettronica come Arduino all'informatica! (entrambi loro malgrado)
Se volete risposte rispondete a tutte le mie domande
1
voti
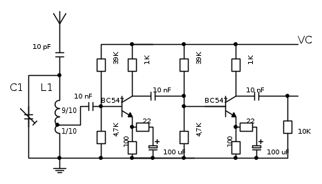
Io non capisco, come funziona l'ingresso di questa radio. Succede qualcosa, se cambi il valore del condensatore variabile, che sta a sinistra?
Mi pare, che lo schema sia meglio cosi`:
Mi pare, che lo schema sia meglio cosi`:
-

Sparafucile
4.361 4 8 - Master EY

- Messaggi: 649
- Iscritto il: 22 gen 2012, 19:57
3
voti
Praticamente è una "galena" con amplificatore a radio frequenza...
Se avvicinando la mano al potenziometro di volume il segnale tende ad aumentare è come dice
IsidoroKZ e significa che gli stadi precedenti non funzionano come dovrebbero.
Le resistenze da 22 ohm con in serie i condensatori elettrolitici da 100uF montate sugli emettitori sono adatte a stabilire il guadagno più in bassa frequenza che a radio frequenza.
Al loro posto monterei un condensatore da 100nF, a questo punto dovresti misurare le tensioni tra emettitore e collettore dei transistor in maniera da poter stabilire se lavorano in zona lineare, così ad occhio dovrebbe aggirarsi fra i 4 e 6 volt....
Se il tutto torna dovresti sentire qualcosa "toccando" le basi dei transistor...
Poi rimane da sapere come hai realizzato il circuito risonante in ingresso.
Se avvicinando la mano al potenziometro di volume il segnale tende ad aumentare è come dice
Le resistenze da 22 ohm con in serie i condensatori elettrolitici da 100uF montate sugli emettitori sono adatte a stabilire il guadagno più in bassa frequenza che a radio frequenza.
Al loro posto monterei un condensatore da 100nF, a questo punto dovresti misurare le tensioni tra emettitore e collettore dei transistor in maniera da poter stabilire se lavorano in zona lineare, così ad occhio dovrebbe aggirarsi fra i 4 e 6 volt....
Se il tutto torna dovresti sentire qualcosa "toccando" le basi dei transistor...
Poi rimane da sapere come hai realizzato il circuito risonante in ingresso.
25 messaggi
• Pagina 3 di 3 • 1, 2, 3
Chi c’è in linea
Visitano il forum: Nessuno e 34 ospiti

Elettrotecnica e non solo (admin)
Un gatto tra gli elettroni (IsidoroKZ)
Esperienza e simulazioni (g.schgor)
Moleskine di un idraulico (RenzoDF)
Il Blog di ElectroYou (webmaster)
Idee microcontrollate (TardoFreak)
PICcoli grandi PICMicro (Paolino)
Il blog elettrico di carloc (carloc)
DirtEYblooog (dirtydeeds)
Di tutto... un po' (jordan20)
AK47 (lillo)
Esperienze elettroniche (marco438)
Telecomunicazioni musicali (clavicordo)
Automazione ed Elettronica (gustavo)
Direttive per la sicurezza (ErnestoCappelletti)
EYnfo dall'Alaska (mir)
Apriamo il quadro! (attilio)
H7-25 (asdf)
Passione Elettrica (massimob)
Elettroni a spasso (guidob)
Bloguerra (guerra)



