Componenti:
Toroide in ferrite con buona permeabilità (non tutti sono buoni)
Filo smaltato o filo isolato
transistor npn (2n2222 o similari)
resistore da 1KOhm
Led alta luminosità bianco o blu
Batteria stilo
Buona volontà a palate come al solito!!!!
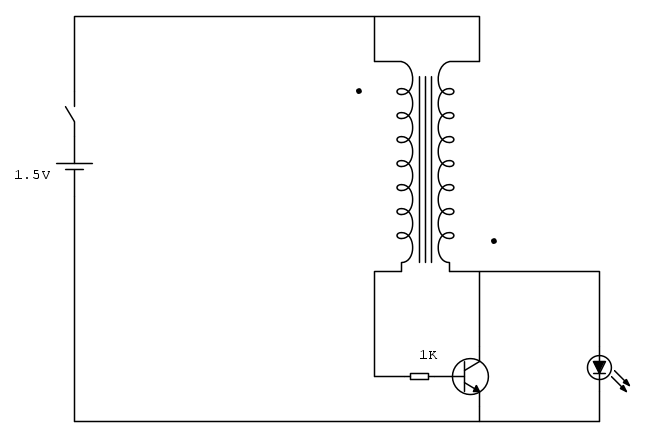
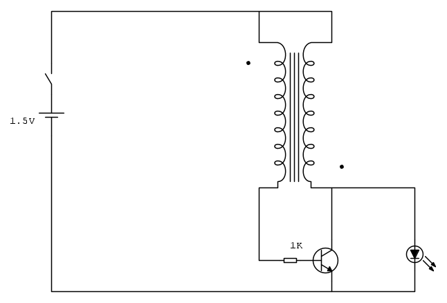
Per creare il trasformatore avvolgere il filo nel toroide come nel disegno
Ora unire A inizio e B fine e portarli al positivo dell'alimentazione, mentre B inizio e A fine vanno uno al resistore ed uno all'anodo del LED come nello schema:
P.S se qualcuno sa come far accettare le librerie nella pubblicazione di schemi sul sito mi informi per favore, ho dovuto rifare il circuito 10 volte per far comparire tutti i componenti!!!!!

Elettrotecnica e non solo (admin)
Un gatto tra gli elettroni (IsidoroKZ)
Esperienza e simulazioni (g.schgor)
Moleskine di un idraulico (RenzoDF)
Il Blog di ElectroYou (webmaster)
Idee microcontrollate (TardoFreak)
PICcoli grandi PICMicro (Paolino)
Il blog elettrico di carloc (carloc)
DirtEYblooog (dirtydeeds)
Di tutto... un po' (jordan20)
AK47 (lillo)
Esperienze elettroniche (marco438)
Telecomunicazioni musicali (clavicordo)
Automazione ed Elettronica (gustavo)
Direttive per la sicurezza (ErnestoCappelletti)
EYnfo dall'Alaska (mir)
Apriamo il quadro! (attilio)
H7-25 (asdf)
Passione Elettrica (massimob)
Elettroni a spasso (guidob)
Bloguerra (guerra)








