Cos'è ElectroYou | Login Iscriviti

ElectroYou - la comunità dei professionisti del mondo elettrico

Risoluzione circuito con semplificazioni

Circuiti, campi elettromagnetici e teoria delle linee di trasmissione e distribuzione dell’energia elettrica

Moderatori: Foto Utenteg.schgor, Foto UtenteIsidoroKZ

0
voti

[1] Risoluzione circuito con semplificazioni

Messaggioda Foto UtenteArya89 » 7 gen 2013, 18:08

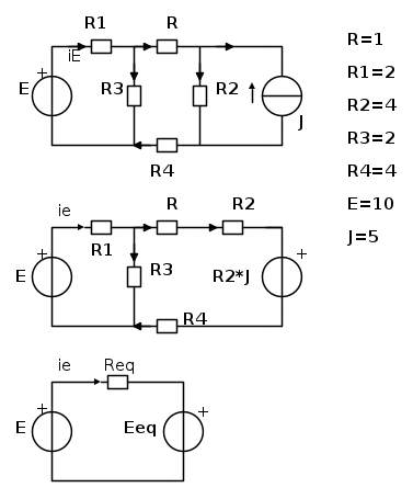
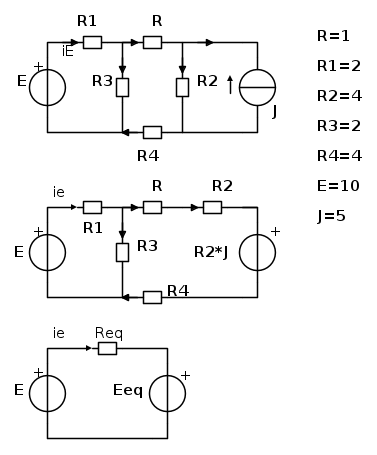
Buon pomeriggio a tutti! Vorrei chiedere aiuto a persone più esperte di me per la risoluzione di questo esercizio mediante la semplificazione dei suoi componenti! Mi si chiede la determinazione della corrente i_E del generatore di tensione E e della tensione del generatore di corrente J. Io l'ho semplificato così.


dove
Req1= \frac{R1 \cdot R3}{R1+R3}=1
Req2= R+R2+R4=9
Req=Req1+Req2=10
Eeq=E \cdot \frac{Req1}{R1}-R2 \cdot J
da cui ricavo che:
i_E=\frac{Eeq}{Req}=-1,5
Purtroppo mi blocco qui perché innanzitutto non so se ho calcolato bene la i_E poi calcolando le altre correnti, alla fine non mi trovo che verificano le equazioni di Kirchhoff alle correnti quindi significa che sbaglio a procedere nei calcoli a ritroso. Qualcuno può aiutarmi? Grazieee!!! :D :D
Avatar utente
Foto UtenteArya89
80 5
Frequentatore
Frequentatore
 
Messaggi: 149
Iscritto il: 7 gen 2013, 10:54

3
voti

[2] Re: Risoluzione circuito con semplificazioni

Messaggioda Foto UtenteLele_u_biddrazzu » 7 gen 2013, 18:32

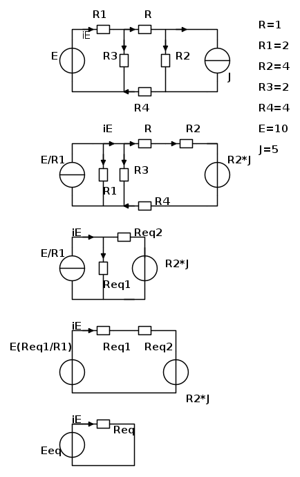
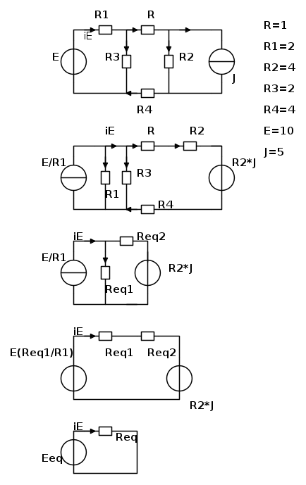
Potresti procedere così per esempio...



essendo...

R_{eq}=R_{1}+\frac{R_{3}\left(R+R_{2}+R_{4}\right)}{R_{3}+R+R_{2}+R_{4}}

E_{eq}=\left(\frac{R_{3}}{R_{3}+R+R_{2}+R_{4}}\right)R_{2}J

infine...

I_{E}=\frac{E-E_{eq}}{R_{eq}}
Emanuele Lorina

- Chi lotta contro i mostri deve fare attenzione a non diventare lui stesso un mostro. E se tu riguarderai a lungo in un abisso, anche l'abisso vorrà guardare dentro di te (F. Nietzsche)
- Tavole della legge by admin
Avatar utente
Foto UtenteLele_u_biddrazzu
8.154 3 8 13
Master EY
Master EY
 
Messaggi: 1288
Iscritto il: 23 gen 2007, 16:13
Località: Modena

2
voti

[3] Re: Risoluzione circuito con semplificazioni

Messaggioda Foto Utenteadmin » 7 gen 2013, 18:57

Avatar utente
Foto Utenteadmin
196,6k 9 12 17
Manager
Manager
 
Messaggi: 11950
Iscritto il: 6 ago 2004, 13:14

0
voti

[4] Re: Risoluzione circuito con semplificazioni

Messaggioda Foto UtenteArya89 » 7 gen 2013, 19:04

Potresti spiegarmi questo passaggio?
Lele_u_biddrazzu ha scritto:E_{eq}=\left(\frac{R_{3}}{R_{3}+R+R_{2}+R_{4}}\right)R_{2}J


@admin Sorry mi era sfuggito! Comunque potresti aiutarmi nel semplificarlo meglio? Sto facendo un po' di confusione... @_@
Avatar utente
Foto UtenteArya89
80 5
Frequentatore
Frequentatore
 
Messaggi: 149
Iscritto il: 7 gen 2013, 10:54

0
voti

[5] Re: Risoluzione circuito con semplificazioni

Messaggioda Foto Utenteadmin » 7 gen 2013, 19:06

Segui le indicazioni di Foto UtenteLele_u_biddrazzu
Avatar utente
Foto Utenteadmin
196,6k 9 12 17
Manager
Manager
 
Messaggi: 11950
Iscritto il: 6 ago 2004, 13:14

0
voti

[6] Re: Risoluzione circuito con semplificazioni

Messaggioda Foto UtenteLele_u_biddrazzu » 7 gen 2013, 19:08

Arya89 ha scritto:Potresti spiegarmi questo passaggio?...

Si chiama formula del partitore di tensione ;-)
Se cerchi nel tuo libro di testo, sicuramente la troverai :!:
Emanuele Lorina

- Chi lotta contro i mostri deve fare attenzione a non diventare lui stesso un mostro. E se tu riguarderai a lungo in un abisso, anche l'abisso vorrà guardare dentro di te (F. Nietzsche)
- Tavole della legge by admin
Avatar utente
Foto UtenteLele_u_biddrazzu
8.154 3 8 13
Master EY
Master EY
 
Messaggi: 1288
Iscritto il: 23 gen 2007, 16:13
Località: Modena

2
voti

[7] Re: Risoluzione circuito con semplificazioni

Messaggioda Foto UtenteRenzoDF » 7 gen 2013, 19:09

Una variante risolutiva potrebbe consistere nel:

a) sommare R ed R4,
b) trasformare il triangolo in stella,
c) usare Millman,
d) calcolare IE e VJ con Ohm (generalizzata).

... o meglio ancora,

a) Rs= R+R4,
b) usare il "teorema dell'idraulico" per calcolare la ddp ai capi di Rs
c) calcolare IE e VJ con Ohm.

BTW ... perché i segni sui generatori non li indica più nessuno? ... che sia una nuova direttiva H-demica? :roll:
"Il circuito ha sempre ragione" (Luigi Malesani)
Avatar utente
Foto UtenteRenzoDF
55,9k 8 12 13
G.Master EY
G.Master EY
 
Messaggi: 13189
Iscritto il: 4 ott 2008, 9:55

0
voti

[8] Re: Risoluzione circuito con semplificazioni

Messaggioda Foto UtenteArya89 » 7 gen 2013, 20:25

Il mio testo mi spiega il partitore di tensione considerando due resistori in serie... Non capisco come hai considerato la E_{eq}. Forse non capisco il ramo come e da chi è costituito... ç_ç

@ RenzoDF ti ringrazio per i suggerimenti ma sto agli inizi non ho ancora fatto queste cose :-) per quanto riguarda i segni è stata una svista
Avatar utente
Foto UtenteArya89
80 5
Frequentatore
Frequentatore
 
Messaggi: 149
Iscritto il: 7 gen 2013, 10:54

0
voti

[9] Re: Risoluzione circuito con semplificazioni

Messaggioda Foto UtenteLele_u_biddrazzu » 7 gen 2013, 20:33

Arya89 ha scritto:... Non capisco come hai considerato la Eeq. Forse non capisco il ramo come e da chi è costituito...

Emanuele Lorina

- Chi lotta contro i mostri deve fare attenzione a non diventare lui stesso un mostro. E se tu riguarderai a lungo in un abisso, anche l'abisso vorrà guardare dentro di te (F. Nietzsche)
- Tavole della legge by admin
Avatar utente
Foto UtenteLele_u_biddrazzu
8.154 3 8 13
Master EY
Master EY
 
Messaggi: 1288
Iscritto il: 23 gen 2007, 16:13
Località: Modena

0
voti

[10] Re: Risoluzione circuito con semplificazioni

Messaggioda Foto UtenteArya89 » 7 gen 2013, 20:56

Quindi è come se stessi considerando il ramo così?

Non riesco a trovare una corrispondenza con la formula del partitore... Scusa ma sono alle prime armi e vorrei capire bene i concetti! :oops:
Avatar utente
Foto UtenteArya89
80 5
Frequentatore
Frequentatore
 
Messaggi: 149
Iscritto il: 7 gen 2013, 10:54

Prossimo

Torna a Elettrotecnica generale

Chi c’è in linea

Visitano il forum: Google [Bot] e 25 ospiti