Cos'è ElectroYou | Login Iscriviti

ElectroYou - la comunità dei professionisti del mondo elettrico

Amplificatore Op Invertente

Circuiti, campi elettromagnetici e teoria delle linee di trasmissione e distribuzione dell’energia elettrica

Moderatori: Foto Utenteg.schgor, Foto UtenteIsidoroKZ

0
voti

[1] Amplificatore Op Invertente

Messaggioda Foto Utentehanck89 » 10 gen 2013, 14:28

Ciao ragazzi :D

ho un dubbio (probabilmente banale) sulla configurazione invertente di un amplificatore operazionale ideale. In breve, non riesco a capire perché ai capi delle resistenze R_{1} ed R_{2} vi sono rispettivamente le tensioni V_{In} e V_{Out}

Help? #-o

Da questo ragionamento posso poi ottenere \frac{_{V^{_{Out}}} }{_{V^{_{In}}}}= - \frac{_{R^{_{2}}} }{_{R^{_{1}}}}
MVfurg.jpg
MVfurg.jpg (4.02 KiB) Osservato 3066 volte
Avatar utente
Foto Utentehanck89
3 3
 
Messaggi: 30
Iscritto il: 23 lug 2012, 0:39

0
voti

[2] Re: Amplificatore Op Invertente

Messaggioda Foto Utentemrc » 10 gen 2013, 14:45

Ciao Foto Utentehanck89.

Gli schemi elettrici, se non troppo complicati, vanno postati usando FIDOCADJ.
Al seguente link trovi una guida all' uso:

http://www.electroyou.it/elettrodomus/w ... -per-tonni


hanck89 ha scritto:...perché ai capi delle resistenze R_{1} e R_{2} vi sono rispettivamente le tensioni V_{In} e V_{Out}

Prova ad applicare il 2° principio di Kirchhoff alla maglia di ingresso e in quella di uscita.
Considera inoltre il guadagno dell' operazionale infinito.

Prova a postare una possibile soluzione.
Avatar utente
Foto Utentemrc
10,5k 6 11 13
Expert EY
Expert EY
 
Messaggi: 4023
Iscritto il: 16 apr 2009, 9:32

1
voti

[3] Re: Amplificatore Op Invertente

Messaggioda Foto UtenteLele_u_biddrazzu » 10 gen 2013, 15:10

Ciao Foto Utentehanck89, la risposta al tuo quesito è legata al fatto che l'op-amp, in conseguenza dell'elevato guadagno ad anello aperto, presenta una tensione differenziale in ingresso pressoché nulla, ergo nel tuo caso si ha v_{\text{+}}=v_{\text{-}}=0\, \text{V} ;-) Tuttavia ti consiglio di leggere con attenzione questo memorabile post di Foto UtenteIsidoroKZ :ok:
Emanuele Lorina

- Chi lotta contro i mostri deve fare attenzione a non diventare lui stesso un mostro. E se tu riguarderai a lungo in un abisso, anche l'abisso vorrà guardare dentro di te (F. Nietzsche)
- Tavole della legge by admin
Avatar utente
Foto UtenteLele_u_biddrazzu
8.154 3 8 13
Master EY
Master EY
 
Messaggi: 1288
Iscritto il: 23 gen 2007, 16:13
Località: Modena

0
voti

[4] Re: Amplificatore Op Invertente

Messaggioda Foto Utentehanck89 » 10 gen 2013, 15:27

Grazie per le risposte innanzitutto :D Ora provo a fare il circuito

mrc ha scritto:
hanck89 ha scritto:...perché ai capi delle resistenze R_{1} e R_{2} vi sono rispettivamente le tensioni V_{In} e V_{Out}

Prova ad applicare il 2° principio di Kirchhoff alla maglia di ingresso e in quella di uscita.
Considera inoltre il guadagno dell' operazionale infinito.

Prova a postare una possibile soluzione.

Ecco, questo "secondo metodo" di utilizzare Kirchhoff non mi è chiaro. Quali sono le maglie interessate? perché teoricamente il CC virtuale non esiste fisicamente, quindi le 2 maglie non si formano, o no?

Lele_u_biddrazzu ha scritto:Ciao Foto Utentehanck89, la risposta al tuo quesito è legata al fatto che l'op-amp, in conseguenza dell'elevato guadagno ad anello aperto, presenta una tensione differenziale in ingresso pressoché nulla, ergo nel tuo caso si ha v_{\text{+}}=v_{\text{-}}=0\, \text{V} ;-) Tuttavia ti consiglio di leggere con attenzione questo memorabile post di Foto UtenteIsidoroKZ :ok:

Si quello mi è chiaro, impedenza di ingresso tendente ad infinito, correnti nulle.
Avatar utente
Foto Utentehanck89
3 3
 
Messaggi: 30
Iscritto il: 23 lug 2012, 0:39

0
voti

[5] Re: Amplificatore Op Invertente

Messaggioda Foto UtenteLele_u_biddrazzu » 10 gen 2013, 15:37

hanck89 ha scritto:Si quello mi è chiaro, impedenza di ingresso tendente ad infinito, correnti nulle. Ma ancora non mi è chiaro perché su R_{2} c'è solo V_{Out}...

Se nonostante quello che ti ho detto, hai ancora dei dubbi... beh significa che quello che pensi di aver capito in realtà non l'hai capito del tutto ;-)

hanck89 ha scritto:... il CC virtuale...

Che brutta espressione "cortocircuito virtuale" :-|
Sicuro che hai letto il post di Foto UtenteIsidoroKZ :?: :roll:
Emanuele Lorina

- Chi lotta contro i mostri deve fare attenzione a non diventare lui stesso un mostro. E se tu riguarderai a lungo in un abisso, anche l'abisso vorrà guardare dentro di te (F. Nietzsche)
- Tavole della legge by admin
Avatar utente
Foto UtenteLele_u_biddrazzu
8.154 3 8 13
Master EY
Master EY
 
Messaggi: 1288
Iscritto il: 23 gen 2007, 16:13
Località: Modena

0
voti

[6] Re: Amplificatore Op Invertente

Messaggioda Foto Utentehanck89 » 10 gen 2013, 15:45

Si l'ho letto...ed ho compreso che questo "corto circuito" è una errata traduzione... infatti sul libro dal quale sto studiando viene riportato: "In questo caso la partola virtuale va sottolineata, e non si deve commettere l'errore di cortocircuitare fisicamente i terminali dell'amplificatore nell'analisi del circuito"

Proprio per questo mi chiedevo, come è possibile sfruttare la legge di Kirchhoff sulla maglia di ingresso? Forse non ho individuato la maglia corretta
Avatar utente
Foto Utentehanck89
3 3
 
Messaggi: 30
Iscritto il: 23 lug 2012, 0:39

0
voti

[7] Re: Amplificatore Op Invertente

Messaggioda Foto Utentemrc » 10 gen 2013, 15:47

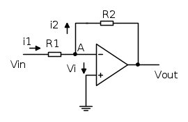
hanck89 ha scritto: Ora provo a fare il circuito..


Questo è il circuito:
Avatar utente
Foto Utentemrc
10,5k 6 11 13
Expert EY
Expert EY
 
Messaggi: 4023
Iscritto il: 16 apr 2009, 9:32

0
voti

[8] Re: Amplificatore Op Invertente

Messaggioda Foto Utentemrc » 10 gen 2013, 16:00

hanck89 ha scritto:Proprio per questo mi chiedevo, come è possibile sfruttare la legge di Kirchhoff sulla maglia di ingresso? Forse non ho individuato la maglia corretta

Per il secondo principio di Kirchhoff applicato alla maglia di ingresso hai:

Vin=R1\cdot i1-Vi

Per la maglia di uscita hai

Vout=-Vi-R2\cdot i2

Considerando l' amplificazione dell' opamp ideale di valore infinito:

Vi=\frac{Vout}{Av}=0

Quindi, le prime due formule diventano:

Vin=R1\cdot i1

e

Vout=-R2\cdot i2

Considerando che i1=i2

ottieni:

Avtot=\frac{Vout}{Vin}=-\frac{R2\cdot i2}{R1\cdot i1}=-\frac{R2}{R1}
Avatar utente
Foto Utentemrc
10,5k 6 11 13
Expert EY
Expert EY
 
Messaggi: 4023
Iscritto il: 16 apr 2009, 9:32

0
voti

[9] Re: Amplificatore Op Invertente

Messaggioda Foto Utentehanck89 » 10 gen 2013, 17:52

mrc ha scritto:
hanck89 ha scritto:Proprio per questo mi chiedevo, come è possibile sfruttare la legge di Kirchhoff sulla maglia di ingresso? Forse non ho individuato la maglia corretta

Per il secondo principio di Kirchhoff applicato alla maglia di ingresso hai:

Vin=R1\cdot i1-Vi

Per la maglia di uscita hai

Vout=-Vi-R2\cdot i2

Consentitemi di essere duro di comprendonio. Se io considero quelle 2 maglie, vuol dire che il corto circuito esiste, e non è solo virtuale. Altrimenti come faccio a considerare le due maglie separate??

mrc ha scritto:Considerando l' amplificazione dell' opamp ideale di valore infinito:

Vi=\frac{Vout}{Av}=0

Quindi, le prime due formule diventano:

Vin=R1\cdot i1

e

Vout=-R2\cdot i2

Considerando che i1=i2

ottieni:

Avtot=\frac{Vout}{Vin}=-\frac{R2\cdot i2}{R1\cdot i1}=-\frac{R2}{R1}

Si, tutto quello che viene dopo mi è chiaro
Avatar utente
Foto Utentehanck89
3 3
 
Messaggi: 30
Iscritto il: 23 lug 2012, 0:39

0
voti

[10] Re: Amplificatore Op Invertente

Messaggioda Foto UtenteLele_u_biddrazzu » 10 gen 2013, 17:55

Scusami... se non ho capito ti sorprende che due punti, elettricamente scollegati, possano assumere lo stesso potenziale :?: Con tutte le spiegazioni date, non capisco quale sia il tuo dubbio :roll:
Emanuele Lorina

- Chi lotta contro i mostri deve fare attenzione a non diventare lui stesso un mostro. E se tu riguarderai a lungo in un abisso, anche l'abisso vorrà guardare dentro di te (F. Nietzsche)
- Tavole della legge by admin
Avatar utente
Foto UtenteLele_u_biddrazzu
8.154 3 8 13
Master EY
Master EY
 
Messaggi: 1288
Iscritto il: 23 gen 2007, 16:13
Località: Modena

Prossimo

Torna a Elettrotecnica generale

Chi c’è in linea

Visitano il forum: Nessuno e 59 ospiti