e
è proprio pari a quella del generatore pilotato?! @_@
Moderatori:
g.schgor,
IsidoroKZ
e
è proprio pari a quella del generatore pilotato?! @_@Arya89 ha scritto: Però non capisco i segni delle correnti, non dovrebbero essere opposti? perché sono così?
Arya89 ha scritto: ... e poi come fai a dire che la tensione della seriee
è proprio pari a quella del generatore pilotato?! @_@
RenzoDF ha scritto:
è negativa? E poi perché al numeratore di (
) hai messo
e non una generica tensione
??Arya89 ha scritto:Ok ho mal interpretato tutto allora perfetto XD
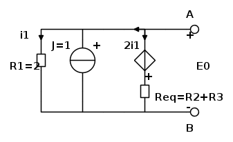
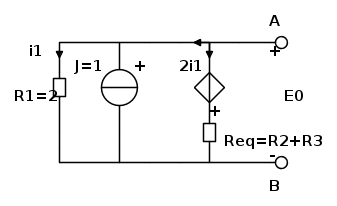
Arya89 ha scritto:Comunque non riesco a capire qui:
perché J è positiva eè negativa? E poi perché al numeratore di (
) hai messo
e non una generica tensione
??
cioè è come se avessi considerato il circuito così come in figura?
, come mi muovo?Arya89 ha scritto:Sisi l'ho studiato da poco ora con i segni mi trovo però non capisco perché considericioè è come se avessi considerato il circuito così come in figura?
Arya89 ha scritto: Poi dopo aver calcolato la, come mi muovo?

RenzoDF ha scritto:
dove
? Hai ricavato questa relazione dal nodo giallo in figura? Se si, lo è perché la corrente
scorre in tutto il ramo in quanto i 3 componenti nel cerchio rosso sono in serie, giusto???



Torna a Elettrotecnica generale
Visitano il forum: Nessuno e 258 ospiti