Circuito di Thevenin
Moderatori:
carloc,
g.schgor,
BrunoValente,
IsidoroKZ
37 messaggi
• Pagina 4 di 4 • 1, 2, 3, 4
1
voti
Daro` ascolto al saggio del forum 
Per usare proficuamente un simulatore, bisogna sapere molta più elettronica di lui
Plug it in - it works better!
Il 555 sta all'elettronica come Arduino all'informatica! (entrambi loro malgrado)
Se volete risposte rispondete a tutte le mie domande
Plug it in - it works better!
Il 555 sta all'elettronica come Arduino all'informatica! (entrambi loro malgrado)
Se volete risposte rispondete a tutte le mie domande
2
voti
Lele_u_biddrazzu ha scritto:A questo punto il dubbio sta venendo pure a me
Io direi che il thread si potrebbe chiudere qui, consigliando a
"studio autonomo",
ma vedete voi se volete farlo.
"Il circuito ha sempre ragione" (Luigi Malesani)
0
voti
Anche per me il thread si può chiudere qui 

Emanuele Lorina
- Chi lotta contro i mostri deve fare attenzione a non diventare lui stesso un mostro. E se tu riguarderai a lungo in un abisso, anche l'abisso vorrà guardare dentro di te (F. Nietzsche)
- Tavole della legge by admin
- Chi lotta contro i mostri deve fare attenzione a non diventare lui stesso un mostro. E se tu riguarderai a lungo in un abisso, anche l'abisso vorrà guardare dentro di te (F. Nietzsche)
- Tavole della legge by admin
-

Lele_u_biddrazzu
8.154 3 8 13 - Master EY

- Messaggi: 1288
- Iscritto il: 23 gen 2007, 16:13
- Località: Modena
-3
voti
Scusate,ma come ho gia detto non sono una cima in elettronica,ho cominciato da poco e sto cercando di raccatare qualche conoscenza visto che il proff non è un faro!
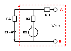
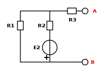
In teoria nel circuito che mi hai segnalato tu,non dovrebbe esserci tensione essendo aperto,no? Ne R2 ne R3 dovrebberò avere tensione,quello che non capisco e,scambiano il posto del "+" nel generatore,l'unica resistenza esclusa non è R3? poiché in R1 e R2 la tensione ci sarebbe,o sto sbagliando?
-

razielmitico
-10 5 - Frequentatore

- Messaggi: 153
- Iscritto il: 23 ott 2012, 22:59
3
voti
premettendo che è stato molto difficile seguire il post...quindi forse non ho afferrato neanche il problema.
io non capisco: se la polarità del generatore E2 è verso il basso, perché non la metti verso il basso dall'inizio
se avessi padronanza della materia sarebbe l'ultimo dei problemi, in quanto, come ti è stato detto, basterebbe cambiarne il segno.
ma visto che hai ammesso di essere alle prime armi sarebbe comodo avere le cose ordinate.
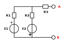
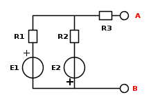
il circuito dovrebbe essere questo vero?
se la risposa è si, allora andiamo per gradi:
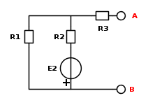
cortocircuitiamo E2, e come ti è stato scritto:

ora cortocircuitiamo E1:
non dovrebbe esserci tensione dove?
dove hai letto che in un circuito aperto non vi è tensione?
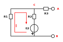
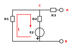
nella maglia che ti ho disegnato circola una corrente come in figura:
R1 è attraversato da I, quindi ai suoi capi se Ohm non era fatto vi è una caduta di tensione.
analogo discorso per R2.
la corrente non circola in R3 essendo questa in serie con un circuito aperto. ai capi di R3 non vi è caduta di tensione, questo significa che il punto A è allo stesso potenziale del punto C (che ti ho segnato in figura).
fatto questo discorso:
cosa vuoi dire?
la posizione della polarità del generatore E2 non cambia la fisica delle cose, R3 non sarà attraversata da corrente a prescindere dalla polarità.
devi solo imparare le leggi di Kirchhoff e di Ohm, e applicarle a dovere.
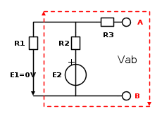
in [25] ti meravigli che Vab'' sia uguale alla caduta di tensione su R1.
e poi chiedi che fine abbia fatto E2
allora prova a calcolare la corrente I che attraversa R1 e scoprirai che fine ha fatto E2
concludo con un po di pubblicità:
http://www.electroyou.it/lillo/wiki/ass
http://www.electroyou.it/lillo/wiki/bipoli
http://www.electroyou.it/lillo/wiki/reti
http://www.electroyou.it/lillo/wiki/equivalenza
e per il momento credo possa bastare.
io non capisco: se la polarità del generatore E2 è verso il basso, perché non la metti verso il basso dall'inizio
se avessi padronanza della materia sarebbe l'ultimo dei problemi, in quanto, come ti è stato detto, basterebbe cambiarne il segno.
ma visto che hai ammesso di essere alle prime armi sarebbe comodo avere le cose ordinate.
il circuito dovrebbe essere questo vero?
se la risposa è si, allora andiamo per gradi:
cortocircuitiamo E2, e come ti è stato scritto:

ora cortocircuitiamo E1:
razielmitico ha scritto:In teoria nel circuito che mi hai segnalato tu,non dovrebbe esserci tensione essendo aperto,no?
non dovrebbe esserci tensione dove?
dove hai letto che in un circuito aperto non vi è tensione?
nella maglia che ti ho disegnato circola una corrente come in figura:
R1 è attraversato da I, quindi ai suoi capi se Ohm non era fatto vi è una caduta di tensione.
analogo discorso per R2.
la corrente non circola in R3 essendo questa in serie con un circuito aperto. ai capi di R3 non vi è caduta di tensione, questo significa che il punto A è allo stesso potenziale del punto C (che ti ho segnato in figura).
fatto questo discorso:
razielmitico ha scritto:In teoria nel circuito che mi hai segnalato tu,non dovrebbe esserci tensione essendo aperto,no? Ne R2 ne R3 dovrebberò avere tensione,quello che non capisco e,scambiano il posto del "+" nel generatore,l'unica resistenza esclusa non è R3? poiché in R1 e R2 la tensione ci sarebbe,o sto sbagliando?
cosa vuoi dire?
la posizione della polarità del generatore E2 non cambia la fisica delle cose, R3 non sarà attraversata da corrente a prescindere dalla polarità.
devi solo imparare le leggi di Kirchhoff e di Ohm, e applicarle a dovere.
in [25] ti meravigli che Vab'' sia uguale alla caduta di tensione su R1.
e poi chiedi che fine abbia fatto E2
allora prova a calcolare la corrente I che attraversa R1 e scoprirai che fine ha fatto E2
concludo con un po di pubblicità:
http://www.electroyou.it/lillo/wiki/ass
http://www.electroyou.it/lillo/wiki/bipoli
http://www.electroyou.it/lillo/wiki/reti
http://www.electroyou.it/lillo/wiki/equivalenza
e per il momento credo possa bastare.
-1
voti
Allora,grazie delle delucidazioni,avevo parlato col proff e mi ha spiegato il discorso del seno "+,-" del generatore e di cosa succede.
Perfetto come mi hai consigliato tu ho calcolato la I in R1 e i miei calcoli mi hanno portato a un valore di 19mA
le mie operazioni sono:

nel secondo generatore (con E1 cortocircuitato)
la
mi viene 0,121 V
nel primo generatore (con E2 cortocircuitato)
la Vab viene anche essa 0,121V.
Edit: sono andato anche a rivedermi kirchhoff per le tensioni,in teoria,se non ho capito male secondo kirchhoff (applicato al mio caso)
E1+E2=VR1+VR2 da cio 0=E1+E2-(VR1+VR2) da cui (ancora) possiamo ricavare che VR2(che altri non è che la VAB) è uguale a:
VR2= E1+E2-VR1
esatto?
continuando con i calcoli ho sviluppato questa formula
![V_{R2}=E_{1}+E_{2}-(\frac{R_{1}]}{R_{1}+R_{2}*E_{1}}+\frac{R_{1}}{R_{1}+R_{2}*E_{2}}) V_{R2}=E_{1}+E_{2}-(\frac{R_{1}]}{R_{1}+R_{2}*E_{1}}+\frac{R_{1}}{R_{1}+R_{2}*E_{2}})](/forum/latexrender/pictures/8d596a3bdd3ebe05cde3e9c6a97761c7.png)
è corretta o è un altro buco nell'acqua?
Perfetto come mi hai consigliato tu ho calcolato la I in R1 e i miei calcoli mi hanno portato a un valore di 19mA
le mie operazioni sono:

nel secondo generatore (con E1 cortocircuitato)
la
mi viene 0,121 Vnel primo generatore (con E2 cortocircuitato)
la Vab viene anche essa 0,121V.
Edit: sono andato anche a rivedermi kirchhoff per le tensioni,in teoria,se non ho capito male secondo kirchhoff (applicato al mio caso)
E1+E2=VR1+VR2 da cio 0=E1+E2-(VR1+VR2) da cui (ancora) possiamo ricavare che VR2(che altri non è che la VAB) è uguale a:
VR2= E1+E2-VR1
esatto?
continuando con i calcoli ho sviluppato questa formula
![V_{R2}=E_{1}+E_{2}-(\frac{R_{1}]}{R_{1}+R_{2}*E_{1}}+\frac{R_{1}}{R_{1}+R_{2}*E_{2}}) V_{R2}=E_{1}+E_{2}-(\frac{R_{1}]}{R_{1}+R_{2}*E_{1}}+\frac{R_{1}}{R_{1}+R_{2}*E_{2}})](/forum/latexrender/pictures/8d596a3bdd3ebe05cde3e9c6a97761c7.png)
è corretta o è un altro buco nell'acqua?
-

razielmitico
-10 5 - Frequentatore

- Messaggi: 153
- Iscritto il: 23 ott 2012, 22:59
37 messaggi
• Pagina 4 di 4 • 1, 2, 3, 4
Chi c’è in linea
Visitano il forum: Majestic-12 [Bot] e 48 ospiti

Elettrotecnica e non solo (admin)
Un gatto tra gli elettroni (IsidoroKZ)
Esperienza e simulazioni (g.schgor)
Moleskine di un idraulico (RenzoDF)
Il Blog di ElectroYou (webmaster)
Idee microcontrollate (TardoFreak)
PICcoli grandi PICMicro (Paolino)
Il blog elettrico di carloc (carloc)
DirtEYblooog (dirtydeeds)
Di tutto... un po' (jordan20)
AK47 (lillo)
Esperienze elettroniche (marco438)
Telecomunicazioni musicali (clavicordo)
Automazione ed Elettronica (gustavo)
Direttive per la sicurezza (ErnestoCappelletti)
EYnfo dall'Alaska (mir)
Apriamo il quadro! (attilio)
H7-25 (asdf)
Passione Elettrica (massimob)
Elettroni a spasso (guidob)
Bloguerra (guerra)








