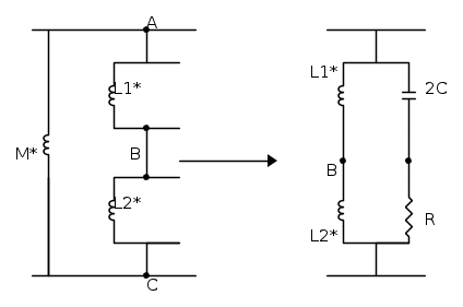
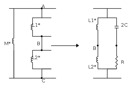
mutui accoppiamenti: trasformazione a "t" e a "pi greco"
Moderatori:
g.schgor,
IsidoroKZ
0
voti
0
voti
io l'avrei intesa esattamente come te!!! infatti ho utilizzato la tua stessa formula per calcolare M!
0
voti
secondo i miei calcoli il circuito è tutto apero
se hai la risonanza parello il circuito LC si apre mentre in quella serie si corto circuita!
0
voti
lo so, ma io ho due rami paralleli LC e tutti e due mi entrano in risonanza
è un grosso problema perche tutto il circuito mi rimane aperto!!! se hai dato un'occhiata al mio post con la soluzione dell'esercizio te ne rendi conto...
0
voti
allora... se la calcoli con la formula
torna
, mentre se non ti avesse dato il valore di K, potevi usare la formula
con il risultato di
(vicino al tuo risultato)!!
torna
, mentre se non ti avesse dato il valore di K, potevi usare la formula
con il risultato di
(vicino al tuo risultato)!!0
voti
0
voti
tipu91 ha scritto:...io penso che se il problema non specificasse il valore K, si potrebbe applicare la seguente formula:no???
Proprio così
tipu91 ha scritto:allora... se la calcoli con la formulatorna
, mentre se non ti avesse dato il valore di K, potevi usare la formula
con il risultato di
![]()
Questo è il dilemma ... K o non K ?
E quindi, che si fa per scegliere la formula corretta? ... a "testa o croce"
"Il circuito ha sempre ragione" (Luigi Malesani)
0
voti
Due bobine avvolte sullo stesso nucleo di materiale ferromagnetico, sovrapposte, hanno il massimo valore della mutua induttanza M, con k=1; se disposte con gli assi a 90° non si influenzano mutuamente e k=0, e per questo giusto?
0
voti
Pando ha scritto:Due bobine avvolte sullo stesso nucleo di materiale ferromagnetico, sovrapposte, hanno il massimo valore della mutua induttanza M, con k=1; se disposte con gli assi a 90° non si influenzano mutuamente e k=0, e per questo giusto?
E questa "regola" da dove arriva ? ... un copia e incolla da Barra a Scarpetta?
"Il circuito ha sempre ragione" (Luigi Malesani)
Torna a Elettrotecnica generale
Chi c’è in linea
Visitano il forum: Nessuno e 19 ospiti

Elettrotecnica e non solo (admin)
Un gatto tra gli elettroni (IsidoroKZ)
Esperienza e simulazioni (g.schgor)
Moleskine di un idraulico (RenzoDF)
Il Blog di ElectroYou (webmaster)
Idee microcontrollate (TardoFreak)
PICcoli grandi PICMicro (Paolino)
Il blog elettrico di carloc (carloc)
DirtEYblooog (dirtydeeds)
Di tutto... un po' (jordan20)
AK47 (lillo)
Esperienze elettroniche (marco438)
Telecomunicazioni musicali (clavicordo)
Automazione ed Elettronica (gustavo)
Direttive per la sicurezza (ErnestoCappelletti)
EYnfo dall'Alaska (mir)
Apriamo il quadro! (attilio)
H7-25 (asdf)
Passione Elettrica (massimob)
Elettroni a spasso (guidob)
Bloguerra (guerra)



no???
