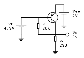
Scusate se non ho usato la simbologia giusta per indicare l'alimentazione collegata all'emettitore (è
la prima volta che posto ed è anche il primo circuito che disegno con FidoCadJ
Per la regione di funzionamento si può dire che il pnp lavora in zona attiva diretta dato che Vec>0,3V
In queste condizioni quindi I_c=beta * I_b
Non ho problemi nel calcolare I_c che è pari a Vc/Rc=0,01 A, mentre non riesco a capire come ricavare I_b.
Potete darmi qualche suggerimento?
Vi ringrazio

Elettrotecnica e non solo (admin)
Un gatto tra gli elettroni (IsidoroKZ)
Esperienza e simulazioni (g.schgor)
Moleskine di un idraulico (RenzoDF)
Il Blog di ElectroYou (webmaster)
Idee microcontrollate (TardoFreak)
PICcoli grandi PICMicro (Paolino)
Il blog elettrico di carloc (carloc)
DirtEYblooog (dirtydeeds)
Di tutto... un po' (jordan20)
AK47 (lillo)
Esperienze elettroniche (marco438)
Telecomunicazioni musicali (clavicordo)
Automazione ed Elettronica (gustavo)
Direttive per la sicurezza (ErnestoCappelletti)
EYnfo dall'Alaska (mir)
Apriamo il quadro! (attilio)
H7-25 (asdf)
Passione Elettrica (massimob)
Elettroni a spasso (guidob)
Bloguerra (guerra)



non va bene?
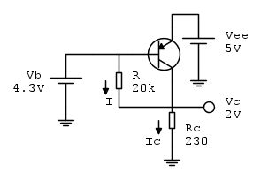
. Stai pilotando a tensione fissa la base e l'emettitore. La corrente di collettore puo` essere qualunque. Non e` che per caso lo schema e il testo del problema sono un po' diversi?
?
del transistor

