Cos'è ElectroYou | Login Iscriviti

ElectroYou - la comunità dei professionisti del mondo elettrico

Resistenza equivalente - dubbi esercizio

Circuiti, campi elettromagnetici e teoria delle linee di trasmissione e distribuzione dell’energia elettrica

Moderatori: Foto Utenteg.schgor, Foto UtenteIsidoroKZ

0
voti

[11] Re: Resistenza equivalente - dubbi esercizio

Messaggioda Foto UtenteRenzoDF » 19 gen 2013, 18:16

Guerra ha scritto:Foto UtenteArya89 calcola il valore della resistenza equivalente del seguente circuito.


O, equivalentemente, di quest'altro

"Il circuito ha sempre ragione" (Luigi Malesani)
Avatar utente
Foto UtenteRenzoDF
55,9k 8 12 13
G.Master EY
G.Master EY
 
Messaggi: 13189
Iscritto il: 4 ott 2008, 9:55

0
voti

[12] Re: Resistenza equivalente - dubbi esercizio

Messaggioda Foto UtenteArya89 » 20 gen 2013, 11:18

Allora seguendo la legge di Ohm v=Ri, la resistenza tende a 0 quando la tensione è 0. Questa cosa mi risulta accadere solo nella maglia di destra del circuito postato da Foto UtenteGuerra, in quanto la resistenza equivalente è in parallelo con un corto, no?
Avatar utente
Foto UtenteArya89
80 5
Frequentatore
Frequentatore
 
Messaggi: 149
Iscritto il: 7 gen 2013, 10:54

1
voti

[13] Re: Resistenza equivalente - dubbi esercizio

Messaggioda Foto Utentelillo » 20 gen 2013, 14:23

non afferro del tutto la tua affermazione.
come hai detto tu stessa la resistenza è in parallelo con un cortocircuito.
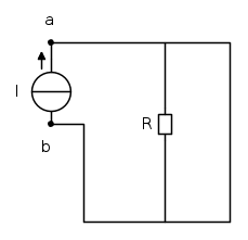
se applicassimo un generatore di corrente:

come si suddivide la corrente?
in maniera proporzionale alle due resistenze.
ma una delle due resistenze è 0 essendo un cortocircuito.
quindi la corrente circolerà tutta nel cortocircuito, escludendo completamente R.
Avatar utente
Foto Utentelillo
20,5k 7 12 13
G.Master EY
G.Master EY
 
Messaggi: 4172
Iscritto il: 25 nov 2010, 11:30
Località: Nuovo Mondo

0
voti

[14] Re: Resistenza equivalente - dubbi esercizio

Messaggioda Foto UtenteArya89 » 20 gen 2013, 16:05

Grazie adesso mi è chiaro ;)
Avatar utente
Foto UtenteArya89
80 5
Frequentatore
Frequentatore
 
Messaggi: 149
Iscritto il: 7 gen 2013, 10:54

Precedente

Torna a Elettrotecnica generale

Chi c’è in linea

Visitano il forum: Nessuno e 23 ospiti