consigli su schema elettrico per ricarica batteria
Moderatori:
carloc,
g.schgor,
BrunoValente,
IsidoroKZ
44 messaggi
• Pagina 3 di 5 • 1, 2, 3, 4, 5
0
voti
La resistenza da 4 ohm che avevi messo all'inizio potrebbe andare bene. Ma come fai a sapere che la tensione alternata si ferma a 12V anche a regime elevato se non l'hai misurata?
Per usare proficuamente un simulatore, bisogna sapere molta più elettronica di lui
Plug it in - it works better!
Il 555 sta all'elettronica come Arduino all'informatica! (entrambi loro malgrado)
Se volete risposte rispondete a tutte le mie domande
Plug it in - it works better!
Il 555 sta all'elettronica come Arduino all'informatica! (entrambi loro malgrado)
Se volete risposte rispondete a tutte le mie domande
0
voti
Qui i due schemi elettrici della pk xl 50 - 125
Versione senza e con batteria
il regolatore c'è di serie
Potresti vedere di "copiare" la parte di circuito che ti serve
ho visto che fanno anche kit di conversione per usare la batteria su alcuni vecchi modelli di vespa (non so se ci sono per la tua e comunque costano)
Hai provato a chiedere ad un'officina Piaggio ?
http://www.scooterhelp.com/electrics/wiring/PK_12V_6pole_batt.pdf
K
Versione senza e con batteria
il regolatore c'è di serie
Potresti vedere di "copiare" la parte di circuito che ti serve
ho visto che fanno anche kit di conversione per usare la batteria su alcuni vecchi modelli di vespa (non so se ci sono per la tua e comunque costano)
Hai provato a chiedere ad un'officina Piaggio ?
http://www.scooterhelp.com/electrics/wiring/PK_12V_6pole_batt.pdf
K
-

Kagliostro
6.396 4 5 7 - Master

- Messaggi: 4831
- Iscritto il: 19 set 2012, 11:32
0
voti
Se vuoi una tensione stabilizzata di 12Vac ricordati di prenderla dopo il regolatore e non all'uscita del volano, altrimenti ne avrai più di 14!!! Considerazione che sembra stupida ma in fase di assemblaggio è bene ricordarselo!
0
voti
credo che eroga al massimo 12v perché il regolatore di tensione regola la corrente fin a un max di 12V senno l'impianto si brucerebbe. La mia vespa è senza batteria, applicando la legge di ohm (V/I) per calcolare la resistenza da mettere dopo la batteria come risultato ho 0,8 ohm (12V/15A)
ma la resistenza dopo la batteria devo metterla per forza o non ce bisogno??
- E necessario porre una resistenza dopo il generatore di corrente alternata?? se si va bene da 4 Ohm??
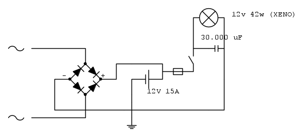
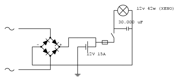
-Leggendo qua e la per il web ho letto che per calcolare la capacità del condensatore si aggiungono 1.000 uF per ogni ampere, dato che sono 15 il valore della capacità sarà di 15.000 uF.. ma secondo voi puo andare?? posto nuovamente lo schema modificato cosi se ce qualche errore me lo correggete!
ma la resistenza dopo la batteria devo metterla per forza o non ce bisogno??
- E necessario porre una resistenza dopo il generatore di corrente alternata?? se si va bene da 4 Ohm??
-Leggendo qua e la per il web ho letto che per calcolare la capacità del condensatore si aggiungono 1.000 uF per ogni ampere, dato che sono 15 il valore della capacità sarà di 15.000 uF.. ma secondo voi puo andare?? posto nuovamente lo schema modificato cosi se ce qualche errore me lo correggete!
-

VitoPisani
0 2 - Messaggi: 25
- Iscritto il: 19 gen 2013, 22:24
0
voti
Bada che dopo il ponte di graetz la tensione va moltiplicata per 1.41 quindi hai all'incirca 17V ai capi della batteria, di solito le batterie (12v) vanno caricate ad una tensione costante di 14,8V e comunque quel ponte è disegnato male, i diodi vanno in contrapposizione, così:
0
voti
per diminuirla fin a 14V la corrente cosa potrei fare??
-

VitoPisani
0 2 - Messaggi: 25
- Iscritto il: 19 gen 2013, 22:24
0
voti
Usa lo schema postato da Kagliostro, non conosco bene quello schema ma se dice che è valido mi fiderei di lui, regolazioni lineari sono escluse a priori perché avresti massimo 1A non sufficiente alla carica della batteria, con un regolatore switching tipo LM2576 raggiungi anche i 3A se ben dissipato quindi ti consiglierei di usare questo in alternativa.
0
voti
]per adesso riposto lo schema e mi vedo un po lo schema della vespa a batteria, cosi se avete qualche idea in riguardo mi fate sapere ;)
-

VitoPisani
0 2 - Messaggi: 25
- Iscritto il: 19 gen 2013, 22:24
44 messaggi
• Pagina 3 di 5 • 1, 2, 3, 4, 5
Chi c’è in linea
Visitano il forum: Nessuno e 152 ospiti

Elettrotecnica e non solo (admin)
Un gatto tra gli elettroni (IsidoroKZ)
Esperienza e simulazioni (g.schgor)
Moleskine di un idraulico (RenzoDF)
Il Blog di ElectroYou (webmaster)
Idee microcontrollate (TardoFreak)
PICcoli grandi PICMicro (Paolino)
Il blog elettrico di carloc (carloc)
DirtEYblooog (dirtydeeds)
Di tutto... un po' (jordan20)
AK47 (lillo)
Esperienze elettroniche (marco438)
Telecomunicazioni musicali (clavicordo)
Automazione ed Elettronica (gustavo)
Direttive per la sicurezza (ErnestoCappelletti)
EYnfo dall'Alaska (mir)
Apriamo il quadro! (attilio)
H7-25 (asdf)
Passione Elettrica (massimob)
Elettroni a spasso (guidob)
Bloguerra (guerra)






