Cos'è ElectroYou | Login Iscriviti

ElectroYou - la comunità dei professionisti del mondo elettrico

Thread sugli operazionali

Elettronica lineare e digitale: didattica ed applicazioni

Moderatori: Foto Utentecarloc, Foto Utenteg.schgor, Foto UtenteBrunoValente, Foto UtenteIsidoroKZ

2
voti

[21] Re: Neofita di questo mondo :)

Messaggioda Foto UtentePietroBaima » 31 gen 2013, 0:43

elegos ha scritto:Lo so che è brutto da dire, ma volevo fare qualcosa di semplice


Per ora penso che sia la cosa migliore.
Certo l'idea del "wireless supply" non è male, ma per ora mi pare del tutto prematura.

Chissà che, col tempo, non ci arriviamo ... ;-)
Generatore codice per articoli:
nomi
Sul forum:
[pigreco]=π
[ohm]=Ω
[quadrato]=²
[cubo]=³
Avatar utente
Foto UtentePietroBaima
90,7k 7 12 13
G.Master EY
G.Master EY
 
Messaggi: 12206
Iscritto il: 12 ago 2012, 1:20
Località: Londra

0
voti

[22] Re: Neofita di questo mondo :)

Messaggioda Foto UtenteKagliostro » 31 gen 2013, 1:00

Ero sicuro di ricordare bene :D

Naturalmente non si tratta di trucchi

http://www.focus.it/scienza/Energia_senza_fili_280829_1241_C12.aspx

http://www.youtube.com/watch?feature=player_embedded&v=_-9MIPkD-6Y

http://www.youtube.com/watch?feature=player_embedded&v=ZVrrBz6fMqk

http://www.youtube.com/watch?v=OSz4NNhJdJo&feature=player_detailpage

http://www.youtube.com/watch?feature=player_embedded&v=2ODW-ntPHSU

http://www.youtube.com/watch?feature=player_embedded&v=LeAB7pRTCwo

http://www.youtube.com/watch?feature=player_embedded&v=dm6u6J38njY

Oddio, trasmettere a lunga distanza come pensava di fare Tesla e magari sfruttando come fonte il campo magnetico terrestre, è ancora una soluzione un po' lontana da venire, ma accendere un po' di led a qualche centimetro in modo wireless, mi pare sia più che dimostrato che si può tranquillamente fare

Qui tutte le indicazioni (schemi, PCB, elenco componenti, file Eagle) per costruirsi un dispositivo di trasmissione wireless

http://4hv.org/e107_plugins/forum/forum_viewtopic.php?74096



K
Ultima modifica di Foto UtenteKagliostro il 31 gen 2013, 1:12, modificato 1 volta in totale.
Avatar utente
Foto UtenteKagliostro
6.396 4 5 7
Master
Master
 
Messaggi: 4830
Iscritto il: 19 set 2012, 11:32

0
voti

[23] Re: Neofita di questo mondo :)

Messaggioda Foto Utenteelegos » 31 gen 2013, 1:09

Foto UtentePietroBaima potresti, quando hai tempo, spiegarmi meglio quel circuito integrato per favore? Grazie :)

P.S.
il brutto al quale mi riferivo era il mattone come regalo eheheh
Avatar utente
Foto Utenteelegos
335 3 6
Frequentatore
Frequentatore
 
Messaggi: 183
Iscritto il: 29 gen 2013, 19:43
Località: Milano

6
voti

[24] Re: Neofita di questo mondo :)

Messaggioda Foto UtentePietroBaima » 31 gen 2013, 2:03

elegos ha scritto:ho qualche dubbio sul circuito integrato.
[...]
il primo, a pagina 4, descrive il singolo amplificatore operazionale, mentre il secondo ed il terzo, a pagina 10, due circuiti dei quali non so interpretarne neanche il nome


Mi fa piacere leggere i tuoi dubbi.
Immaginavo che ne sarebbero venuti fuori dalla tua lettura, ma per imparare a fare elettronica bisogna fare elettronica.
La stessa cosa vale per programmare, cosa relativa al tuo ambito: per imparare a programmare bisogna programmare.

Vediamo di chiarire i tuoi dubbi:
A pagina 4 viene riportato il simbolo utilizzato per l'amplificatore operazionale.
Nella stessa pagina trovi il suo schema interno, cioè uno schema elettrico contenente tanti transistori che descrive dettagliatamente il suo funzionamento "a basso livello".
Per ora questo livello di dettaglio non ci serve.

A pagina 10 ci sono alcuni circuiti di test, cioè dei circuiti in cui il componente viene collegato in modo da evidenziare una sua particolare caratteristica. Anche questi circuiti, per ora, non ci interessano.

Non ti preoccupare se, fino qui, ti sembra tutto strano e nebuloso, è normale. Con il tempo, l'esperienza, quache buon libro e qualche buona guida (non io di certo, troverai qui elettronici infinitamente più esperti di me), se lo vorrai, imparerai a costruirti da solo un bel po' di circuiti.

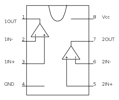
elegos ha scritto:a pagina 1 invece vedo il circuito integrato "inscatolato", con 8 piedini. Se ho capito bene ci sono due coppie di piedini +/- per la corrente elettrica, due uscite, una presa a terra ed un piedino denominato "Vcc"... ma non saprei da dove cominciare, sinceramente. Potresti spiegarmi meglio come leggere gli schemi sul data-sheet per favore?


Sono qui per questo.
Allora, prendiamo insieme pagina 1 del circuito integrato.
Sulla sinistra trovi delle caratteristiche del circuito integrato. Sono le più interessanti da pubblicare, dal punto di vista del costruttore, in genere è quasi pubblicità: ci tiene a fare bella figura e, sostanzialmente, ci viene a dire "guarda qua, il mio operazionale puoi alimentarlo da 3V a 32V, e anche da 1.5V a 15V in duale, ecc ecc..."
Alcune volte queste informazioni servono, alcune altre bisogna andare a vedere in tutte quelle tabelle di numeri che hai trovato alle pagine seguenti, per capire se quell'amplificatore operazionale è adatto alle tue esigenze o no.
Più sotto trovi la sezione "description/order information". Qui il costruttore ci tiene a spiegarti a parole che il suo operazionale è bellissimo, mentre, a pagina seguente, trovi una tabella che ti restituisce il codice da chiedere per comprarlo, in funzione del tipo di contenitore, del range di temperatura che ti serve e di alcuni altri parametri.

Per adesso, che siamo all'inizio, ci serve pagina 1. Sulla destra trovi la cosa probabilmente più utile di tutta la pagina: il pin-out.
Noi utilizzeremo un contenitore in "P-DIP", cioè un contenitore fatto così:



elegos ha scritto: Se non ho capito male mi stai chiedendo di segnalare le posizioni dei piedini?


Sì, hai capito bene.
Nello schema elettrico ti consiglio di mettere il numero del pin al quale andrà collegato quel terminale.
Sempre a pagina 1 il data-sheet ti riporta una configurazione del genere:



Dove GND e Vcc sono le alimentazioni del circuito integrato. Vedremo a cosa servono e come si collegano. Per ora nello schema preliminare che ho fatto non le ho riportate. Lo schema definitivo le conterrà. Per ora non riportarle nemmeno tu, le vedremo successivamente.

Ora dovresti avere tutti gli strumenti per procedere.

Ciao e alla prossima da Pietro.
Generatore codice per articoli:
nomi
Sul forum:
[pigreco]=π
[ohm]=Ω
[quadrato]=²
[cubo]=³
Avatar utente
Foto UtentePietroBaima
90,7k 7 12 13
G.Master EY
G.Master EY
 
Messaggi: 12206
Iscritto il: 12 ago 2012, 1:20
Località: Londra

0
voti

[25] Re: Neofita di questo mondo :)

Messaggioda Foto Utentepierinter » 31 gen 2013, 2:22

mmm anch'io sono interessato a capire meglio quel circuito.
Avatar utente
Foto Utentepierinter
620 2 7 10
Expert EY
Expert EY
 
Messaggi: 1395
Iscritto il: 23 mar 2009, 0:05

1
voti

[26] Re: Neofita di questo mondo :)

Messaggioda Foto Utenteclaudiocedrone » 31 gen 2013, 2:24

:-) Foto UtentePietroBaima, una cosa che secondo me è un punto di forza di EY è che sia tu che, per citarti, "gli elettronici più esperti" (ma non solo gli elettronici... :-) ) avete, è quella che io definisco "attitudine didattica" =D> :-) O_/
"Non farei mai parte di un club che accettasse la mia iscrizione" (G. Marx)
Avatar utente
Foto Utenteclaudiocedrone
21,3k 4 7 9
Master EY
Master EY
 
Messaggi: 15302
Iscritto il: 18 gen 2012, 13:36

1
voti

[27] Re: Neofita di questo mondo :)

Messaggioda Foto Utenteelegos » 31 gen 2013, 2:26

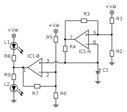
Se non ho capito male stiamo connettendo i pin 6 e 7 al pin 3? E' questo che mi sfugge (anche perché di base non ho compreso a cosa serva esattamente il circuito integrato).

Segue schema.

Avatar utente
Foto Utenteelegos
335 3 6
Frequentatore
Frequentatore
 
Messaggi: 183
Iscritto il: 29 gen 2013, 19:43
Località: Milano

2
voti

[28] Re: Neofita di questo mondo :)

Messaggioda Foto Utentepierinter » 31 gen 2013, 2:35

Il triangolino nello schema è un amplificatore operazionale .
Ha una struttura abbastanza complessa al suo interno, ma , macroscopicamente, altro non è che un amplificatore differenziale, con guadagno elevatissimo.
Guadagno talmente elevato che qualsiasi ingresso differenziale porterebbe l'uscita in saturazione!

A che serve dirai ?

A nulla! :D
Infatti, solitamente, gli operazionali vengono retroazionati, in modo tale da ridurre il guadagno a livelli controllabili, ed aumentare notevolmente la stabilità del sistema.
perché la retroazione faccia questa due cose, sarebbe un aspetto da analizzare, ma forse non ti interessa più di tanto.
Immagino che basti sapere che lo fa.

Per sommi capi, la retroazione riporta in ingresso una frazione dell'uscita (vedi quelle resistenze che collegano uscita e ingresso? ), in maniera tale da andare ad annullare (idealmente) l'ingresso differenziale.
In questa maniera, l'uscita non sarà più dipendente dal guadagno dell'operazionale (per sua natura instabile, ed enorme), ma dipenderà esclusivamente dai componenti che stanno intorno all'operazionale.
È questa la potenza della retroazione.
I componenti che stanno intorno sono resistenze, quindi componenti stabili. E il guadagno, dipendendo esclusivamente da essi, sarà anche lui enormemente stabile, e sarà inoltre possibile fissarlo al valore che vogliamo agendo su quei componenti.

Fenomenale, no?
Avatar utente
Foto Utentepierinter
620 2 7 10
Expert EY
Expert EY
 
Messaggi: 1395
Iscritto il: 23 mar 2009, 0:05

5
voti

[29] Re: Neofita di questo mondo :)

Messaggioda Foto UtentePietroBaima » 31 gen 2013, 2:38

Ottimo schema.
Adesso, quando parliamo tra di noi, sappiamo esattamente a chi ci riferiamo considerando un componente specifico.
Ogni schema deve essere così, soprattutto per evitare di fare confusione.

elegos ha scritto:Se non ho capito male stiamo connettendo i pin 6 e 7 al pin 3?


Nello schema stiamo connettendo insieme il pin 6 al pin 3.
Il pin 7 è collegato a gli altri due tramite R4.
Vedremo perché.

elegos ha scritto: E' questo che mi sfugge (anche perché di base non ho compreso a cosa serva esattamente il circuito integrato).


anche perché non te l'ho ancora spiegato.
Lo vedremo.
Per adesso vado a dormire, che oggi ho avuto una giornata pesante.

Ottimo lavoro, so far!
Generatore codice per articoli:
nomi
Sul forum:
[pigreco]=π
[ohm]=Ω
[quadrato]=²
[cubo]=³
Avatar utente
Foto UtentePietroBaima
90,7k 7 12 13
G.Master EY
G.Master EY
 
Messaggi: 12206
Iscritto il: 12 ago 2012, 1:20
Località: Londra

0
voti

[30] Re: Neofita di questo mondo :)

Messaggioda Foto Utentepierinter » 31 gen 2013, 2:56

Se posso permettermi un appunto, non sarebbe un pelo più chiaro lo schema se si svolgesse da sinistra a destra ?
Quindi con il partitore di riferimento a sinistra e i led sulla destra ? :)

Non so a voi, ma a me risulterebbe più leggibile :)
Avatar utente
Foto Utentepierinter
620 2 7 10
Expert EY
Expert EY
 
Messaggi: 1395
Iscritto il: 23 mar 2009, 0:05

PrecedenteProssimo

Torna a Elettronica generale

Chi c’è in linea

Visitano il forum: Nessuno e 51 ospiti