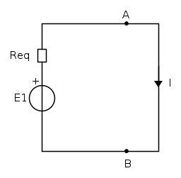
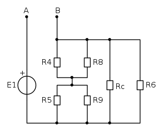
ho qualche dubbio sulla risoluzione con Thevenin, soprattutto per il calcolo della resistenza equivalente...il carico è rappresentato da Rc....mi sapreste dare una mano a capire come procedere.
Grazie!

Moderatori:
g.schgor,
IsidoroKZ

![R_{eq}=\left[\left(R_{4}//R_{8}\right)+\left(R_{5}//R_{9}\right)\right]//R_{c}//R_{6} R_{eq}=\left[\left(R_{4}//R_{8}\right)+\left(R_{5}//R_{9}\right)\right]//R_{c}//R_{6}](/forum/latexrender/pictures/050321d75fe8701e7592149f7e88e599.png)




[quote="PietroBaima"] bla bla bla [/quote]




Torna a Elettrotecnica generale
Visitano il forum: Nessuno e 16 ospiti