
Thread sugli operazionali
Moderatori:
carloc,
g.schgor,
BrunoValente,
IsidoroKZ
2
voti

"Non farei mai parte di un club che accettasse la mia iscrizione" (G. Marx)
-

claudiocedrone
21,3k 4 7 9 - Master EY

- Messaggi: 15302
- Iscritto il: 18 gen 2012, 13:36
0
voti
Comunque... siete fantastici!
È quasi più utile venire sul forum che andare a molte lezioni universitarie :)
È quasi più utile venire sul forum che andare a molte lezioni universitarie :)
Visita il mio sito : http://www.raffotech.altervista.org
0
voti
Grazie mille a tutti voi, mi state facendo interessare molto alla materia, e dire che son sempre stato una capra in fisica
- prometto che quando avrò terminato lo studio e la messa in pratica di questo circuito, scriverò un bell'articolo sul mio blog, qui su ElectroYou, cercando di spiegare, da neofita a neofita, tutto il procedimento logico 
6
voti
Alura...
vediamo a cosa serve un amplificatore operazionale.
Per prima cosa dobbiamo spiegarne il funzionamento.
Ne farò una spiegazione per sommi capi, rimandandoti alla biblioteca di EY per ulteriori ragguagli.
In ogni caso, se vuoi continuare, ti servirà studiare un libro di elettronica, prima o poi.
Un amplificatore operazione non è altro che un amplificatore (ma va?) che è chiamato operazionale perché permette, collegandolo nel modo giusto e voluto, di fare operazioni sul (o sui) segnale che gli è posto in ingresso, come ti ha già spiegato il buon
claudiocedrone.
Vediamo uno schema equivalente di ciò che c'è all'interno di un amplificatore operazionale (quasi) ideale.
Al suo interno cosa c'è?
Semplicemente un generatore di tensione ideale che prende la tensione che viene posta tra i morsetti + e -, la moltiplica per il guadagno A e la riporta in uscita.
Questo tipo di amplificatore viene detto "differenziale" perché amplifica la differenza tra la tensione presente sul morsetto + e quella sul morsetto -, considerandole riferite a massa.
Se A fosse uguale a 2 e avessi una tensione tra il morsetto meno e massa di 3V e avessi una tensione tra il morsetto più e massa di 10V avrei una tensione tra l'uscita e massa pari a 14V.
Se A fosse uguale a 2 e avessi una tensione tra il morsetto meno e massa di 10V e avessi una tensione tra il morsetto più e massa di 7V avrei una tensione tra l'uscita e massa pari a -6V.
Semplice, no?
Sorpresa!!!!
A, in un amplificatore operazionale può essere anche pari ad un milione.
Questo cosa vuol dire? Che con una tensione differenziale di ingresso di 1V in uscita avremmo 1MV ?
La risposta è sì, se l'operazionale potesse effettivamente erogare e sopportare quella tensione.
Chiaramente un amplificatore operazionale non può erogare una tensione superiore a quella di alimentazione, quindi saturerà al valore della tensione di alimentazione (piedino Vcc).
Se la tensione differenziale sarà positiva anche di pochissimo (tensione sul morsetto +, rispetto alla massa, più alta di quella sul morsetto -, rispetto alla massa) l'operazionale saturerà a Vcc.
Se la tensione differenziale sarà negativa anche di pochissimo (tensione sul morsetto -, rispetto alla massa, più alta di quella sul morsetto +, rispetto alla massa) l'operazionale saturerà a GND.
Abbiamo cioè fatto un comparatore di tensione, cioè un circuito che produce un bit in uscita in funzione della polarità della tensione differenziale. In effetti la cosa è utile!
Si dice che l'operazionale viene fatto funzionare in saturazione.
IC1-A del nostro circuito sta funzionando proprio in quel modo, e vedremo che serve per fare un oscillatore per generare l'alternanza dei due led.
Esiste anche un altro modo per far funzionare un amplificatore operazionale, che si chiama funzionamento in linearità.
Per spiegartelo però mi serve sapere qualcosa delle tue conoscenze: hai mai sentito parlare di "partitore di tensione per resistenze"?
se sì dimmelo che continuiamo, se no leggiti il post [9] di questa discussione (anche se sarebbe meglio che tu ti leggessi proprio tutta la discussione, che comunque ti servirà quando imposteremo un po' di conti facili sul circuito).
Ci sono operazionali di prestazioni modeste che possono funzionare sia da comparatore di tensione sia in linearità, mentre ci sono operazionali che funzionano bene solo in linearità perché fatti funzionare in saturazione sono lentissimi e operazionali (chiamati appunto comparatori di tensione) che funzionano solo in saturazione e in linearità sarebbero instabili.
Qualche elettronico molto preciso divide le due famiglie e distingue tra i due gruppi.
Per ora è tutto, alla prossima!
Pietro.
vediamo a cosa serve un amplificatore operazionale.
Per prima cosa dobbiamo spiegarne il funzionamento.
Ne farò una spiegazione per sommi capi, rimandandoti alla biblioteca di EY per ulteriori ragguagli.
In ogni caso, se vuoi continuare, ti servirà studiare un libro di elettronica, prima o poi.
Un amplificatore operazione non è altro che un amplificatore (ma va?) che è chiamato operazionale perché permette, collegandolo nel modo giusto e voluto, di fare operazioni sul (o sui) segnale che gli è posto in ingresso, come ti ha già spiegato il buon
Vediamo uno schema equivalente di ciò che c'è all'interno di un amplificatore operazionale (quasi) ideale.
Al suo interno cosa c'è?
Semplicemente un generatore di tensione ideale che prende la tensione che viene posta tra i morsetti + e -, la moltiplica per il guadagno A e la riporta in uscita.
Questo tipo di amplificatore viene detto "differenziale" perché amplifica la differenza tra la tensione presente sul morsetto + e quella sul morsetto -, considerandole riferite a massa.
Se A fosse uguale a 2 e avessi una tensione tra il morsetto meno e massa di 3V e avessi una tensione tra il morsetto più e massa di 10V avrei una tensione tra l'uscita e massa pari a 14V.
Se A fosse uguale a 2 e avessi una tensione tra il morsetto meno e massa di 10V e avessi una tensione tra il morsetto più e massa di 7V avrei una tensione tra l'uscita e massa pari a -6V.
Semplice, no?
Sorpresa!!!!
A, in un amplificatore operazionale può essere anche pari ad un milione.
Questo cosa vuol dire? Che con una tensione differenziale di ingresso di 1V in uscita avremmo 1MV ?
La risposta è sì, se l'operazionale potesse effettivamente erogare e sopportare quella tensione.
Chiaramente un amplificatore operazionale non può erogare una tensione superiore a quella di alimentazione, quindi saturerà al valore della tensione di alimentazione (piedino Vcc).
Se la tensione differenziale sarà positiva anche di pochissimo (tensione sul morsetto +, rispetto alla massa, più alta di quella sul morsetto -, rispetto alla massa) l'operazionale saturerà a Vcc.
Se la tensione differenziale sarà negativa anche di pochissimo (tensione sul morsetto -, rispetto alla massa, più alta di quella sul morsetto +, rispetto alla massa) l'operazionale saturerà a GND.
Abbiamo cioè fatto un comparatore di tensione, cioè un circuito che produce un bit in uscita in funzione della polarità della tensione differenziale. In effetti la cosa è utile!
Si dice che l'operazionale viene fatto funzionare in saturazione.
IC1-A del nostro circuito sta funzionando proprio in quel modo, e vedremo che serve per fare un oscillatore per generare l'alternanza dei due led.
Esiste anche un altro modo per far funzionare un amplificatore operazionale, che si chiama funzionamento in linearità.
Per spiegartelo però mi serve sapere qualcosa delle tue conoscenze: hai mai sentito parlare di "partitore di tensione per resistenze"?
se sì dimmelo che continuiamo, se no leggiti il post [9] di questa discussione (anche se sarebbe meglio che tu ti leggessi proprio tutta la discussione, che comunque ti servirà quando imposteremo un po' di conti facili sul circuito).
Ci sono operazionali di prestazioni modeste che possono funzionare sia da comparatore di tensione sia in linearità, mentre ci sono operazionali che funzionano bene solo in linearità perché fatti funzionare in saturazione sono lentissimi e operazionali (chiamati appunto comparatori di tensione) che funzionano solo in saturazione e in linearità sarebbero instabili.
Qualche elettronico molto preciso divide le due famiglie e distingue tra i due gruppi.
Per ora è tutto, alla prossima!
Pietro.
-

PietroBaima
90,7k 7 12 13 - G.Master EY

- Messaggi: 12206
- Iscritto il: 12 ago 2012, 1:20
- Località: Londra
0
voti
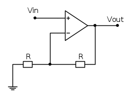
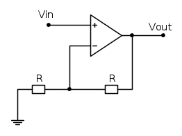
Allora... ho capito come funzioni un amplificatore operazionale. Nel nostro caso IC-1A lavorerà a saturazione, giusto? Ed il fattore di moltiplicazione è intrinseco nel nostro IC, in questo caso, oppure fa riferimento ad uno dei famosi piedini che non abbiamo ancora utilizzato?
Non capisco ancora come faccia l'opamp IC-1A ad alternarsi in questo circuito, ma vedo già che c'è un effetto di feedback, quindi posso già cominciare a capirne il funzionamento (il trucco sta nel condensatore?).
Non ho mai sentito parlare di partitore di tensione per resistenze, ma da quanto ho capito si intende come parte di un circuito con al suo interno delle resistenze? Se non ho frainteso in questo modo si calcola la tensione elettrica (V) prima e dopo una resistenza? Con tensione finale = tensione iniziale per valore resistenza particolare su somma delle resistenze? E somma delle "semi-tensioni" equivalente alla tensione della sorgente?
Grazie :)
Non capisco ancora come faccia l'opamp IC-1A ad alternarsi in questo circuito, ma vedo già che c'è un effetto di feedback, quindi posso già cominciare a capirne il funzionamento (il trucco sta nel condensatore?).
Non ho mai sentito parlare di partitore di tensione per resistenze, ma da quanto ho capito si intende come parte di un circuito con al suo interno delle resistenze? Se non ho frainteso in questo modo si calcola la tensione elettrica (V) prima e dopo una resistenza? Con tensione finale = tensione iniziale per valore resistenza particolare su somma delle resistenze? E somma delle "semi-tensioni" equivalente alla tensione della sorgente?
Grazie :)
7
voti
elegos ha scritto:Allora... ho capito come funzioni un amplificatore operazionale. Nel nostro caso IC-1A lavorerà a saturazione, giusto?
elegos ha scritto:Non capisco ancora come faccia l'opamp IC-1A ad alternarsi in questo circuito, ma vedo già che c'è un effetto di feedback, quindi posso già cominciare a capirne il funzionamento (il trucco sta nel condensatore?).
Sì, lui lavora in saturazione. Poi vedremo perché ha dei feedback, per ora dobbiamo ancora capire come funziona l'amplificatore operazionale. Tra non molto lo vedremo.
elegos ha scritto:Ed il fattore di moltiplicazione è intrinseco nel nostro IC, in questo caso, oppure fa riferimento ad uno dei famosi piedini che non abbiamo ancora utilizzato?
No, A è un parametro specifico del circuito integrato che andiamo a considerare. In realtà, se è sufficientemente grande, non ci interessa molto quanto valga, perché nei conti lo approssimiamo ad infinito e ci semplifichiamo la vita. Ti stresserò un po' con questo tipo di conti, se ti interessa
elegos ha scritto:Non ho mai sentito parlare di partitore di tensione per resistenze, ma da quanto ho capito si intende come parte di un circuito con al suo interno delle resistenze? Se non ho frainteso in questo modo si calcola la tensione elettrica (V) prima e dopo una resistenza? Con tensione finale = tensione iniziale per valore resistenza particolare su somma delle resistenze? E somma delle "semi-tensioni" equivalente alla tensione della sorgente?
Se abbiamo un circuito di questo tipo:
La tensione di uscita
è pari a :
Ti sarà quindi chiaro che la tensione di uscita è sempre più bassa della tensione di ingresso.
Per esempio se
si avrà che la tensione di uscita è pari alla metà della tensione di ingresso.Questo circuito viene chiamato partitore di tensione per resistenze, o semplicemente partitore di tensione, perché permette di dividire una tensione in modo da ottenerne una proporzionalmente più piccola. Vedremo a cosa ci serve.
Dicevo che dobbiamo ancora capire come funziona un amplificatore operazionale in linearità.
Ma partiamo dall'inizio: supponiamo di prendere un amplificatore operazionale collegato così:
Quell'operazionale, collegato in quel modo, si chiama inseguitore di tensione.
Ma lasciamo perdere i nomi e tuffiamoci nel vedere come funziona.
Supponiamo, per esempio, che l'uscita sia a 0V e che qualcuno arrivi e applichi all'ingresso una tensione di 1V.
Quindi abbiamo che
.Per come ho collegato l'amplificatore, la tensione di uscita arriva anche sul morsetto invertente, il -
Cosa succede ora?
Ho che la tensione sul morsetto meno è pari a 0V e sul morsetto + è pari a 1V.
L'operazionale, per quello che abbiamo già detto, porterà la tensione di uscita a Vcc.
Subito?
In realtà no, anche lui è un oggetto fisico e ci impiegherà un po' di tempo.
Succede quindi che la tensione di uscita comincia a salire.
Per come è collegato il circuito, anche la tensione sul morsetto meno sale, seguendo l'uscita.
Quando la tensione di uscita supera 1V (che è la tensione che abbiamo posto sul morsetto +) l'operazionale avrà
e la tensione tenderà a GND, ma immediatamente il segno della tensione differenziale si ribalterà di nuovo cambiando nuovamente le carte in tavola.Quello che succede, se l'operazionale non è troppo veloce, è che la tensione di uscita resterà ferma ad 1V, bloccata lì dalla tensione di ingresso.
Se cambio la tensione di ingresso a 2V l'uscita si sposterà anch'essa a 2V, tramite lo stesso meccanismo.
La tensione di uscita insegue quindi la tensione di ingresso, finché essa (ovviamente) rimane all'interno della tensione di alimentazione. Se esce fuori dal range di alimentazione, ovviamente l'operazionale non potrà seguirla.
Ecco perché questo circuito si chiama inseguitore di tensione. E' usato quando serve disaccoppiare l'uscita dall'ingresso. Magari ne parleremo meglio quando avrai le idee più chiare.
Il circuito si dice in linearità perché segue le oscillazioni dell'ingresso "correndogli dietro".
Ne consegue che la tensione tra i morsetti + e - dell'operazionale è praticamente nulla.
Molto spesso considerare
è una equazione utile che si scrive per risolvere in fretta i circuiti contenenti amplificatori operazionali, senza fare tutti questi ragionamenti ogni volta.ATTENZIONE: qualcuno parla, ogni tanto, di
Ma andiamo avanti.
Supponiamo che io abbia bisogno di una tensione di uscita che non sia pari a quella di ingresso, ma supponiamo, per esempio, pari al doppio. Voglio cioè avere
.Come fare?
Semplice, uso un partitore!
Tu risponderai: come un partitore?
Quello serve per dividere, mica per moltiplicare!Certo, è proprio per quello che amplifichiamo per 2, he he he.
Vediamo come.
Collego l'operazionale così, dove lo scatolotto indica il partitore di tensione con due resistenze uguali. Facendo così ottengo sul morsetto invertente metà della tensione
. Il circuito vero sarà fatto così:
Ma per ora riferiamoci al primo schema.
Cosa succede? Proviamo a ripetere il ragionamento, in modo lento:
La tensione di uscita è a zero, la tensione di ingresso è a 1V. La tensione di uscita comincia a salire. A che valore deve arrivare la tensione di uscita perché sul morsetto - ci sia 1V ?
Ovviamente dovrà arrivare a 2V.
Quindi se applico 1V in ingresso ottengo 2V in uscita, perché il partitore così calcolato divide per 2.
Ho quindi amplificato l'ingresso per 2.
Proviamo adesso a ripetere il ragionamento in modo veloce:
La reazione fa lavorare l'amplificatore operazionale in linerità, quindi ho che:
(ricorda che
)e quindi, in definitiva

Esercizio 1: voglio un amplificatore che amplifichi 3, come devono essere le resistenze
ed
tra loro? (per fare amplificare 2 dovevo avere
)Esercizio 2: voglio un amplificatore che amplifichi A, come devono essere le resistenze
ed
tra loro? elegos ha scritto:Grazie :)
naaa... un ripasso è sempre utile
-

PietroBaima
90,7k 7 12 13 - G.Master EY

- Messaggi: 12206
- Iscritto il: 12 ago 2012, 1:20
- Località: Londra
2
voti
Uh, dimenticavo, un libro che potresti utilizzare per imparare qualcosa di base sugli amplificatori operazionali è Intuitive IC Op Amps from Basics to Useful Applications. (grazie
IsidoroKZ!)
-

PietroBaima
90,7k 7 12 13 - G.Master EY

- Messaggi: 12206
- Iscritto il: 12 ago 2012, 1:20
- Località: Londra
2
voti
Avendo
e volendo avere 

Seguendo questa formula, abbiamo




... e quindi:

Per il secondo esercizio: qual è la variabile A? Ti riferisci all'amplificatore intrinseco? Ma non era, appunto, intrinseco al circuito integrato?
4
voti
elegos ha scritto:Per il secondo esercizio: qual è la variabile A? Ti riferisci all'amplificatore intrinseco? Ma non era, appunto, intrinseco al circuito integrato?
No, scusa, non volevo fare confusione.
Io intendo un qualunque parametro A, non l'amplificazione del modello dell'amplificatore operazionale.
In genere l'amplificazione di un generico amplificatore si indica con A.
Se poi è una amplificazione in tensione si indica con Av, se è una amplificazione in corrente si indica con Ai.
Una amplificazione in tensione è ciò che stiamo vedendo noi: applicando una tensione in ingresso ne ritrovo una proporzionale in uscita.
Una amplificazione in corrente si considera, invece, quando ad un amplificatore viene posta una corrente in ingresso e se ne ottiene una proporzionale in uscita.
Quando si ha un circuito che trasforma una tensione in una corrente, il coefficiente di proporzionalità si chiama transconduttanza o transammettenza.
Infine, se trasformo una corrente in una tensione il coefficiente di proporzionalità viene chiamato genericamente transimpedenza.
-

PietroBaima
90,7k 7 12 13 - G.Master EY

- Messaggi: 12206
- Iscritto il: 12 ago 2012, 1:20
- Località: Londra
Chi c’è in linea
Visitano il forum: Nessuno e 122 ospiti

Elettrotecnica e non solo (admin)
Un gatto tra gli elettroni (IsidoroKZ)
Esperienza e simulazioni (g.schgor)
Moleskine di un idraulico (RenzoDF)
Il Blog di ElectroYou (webmaster)
Idee microcontrollate (TardoFreak)
PICcoli grandi PICMicro (Paolino)
Il blog elettrico di carloc (carloc)
DirtEYblooog (dirtydeeds)
Di tutto... un po' (jordan20)
AK47 (lillo)
Esperienze elettroniche (marco438)
Telecomunicazioni musicali (clavicordo)
Automazione ed Elettronica (gustavo)
Direttive per la sicurezza (ErnestoCappelletti)
EYnfo dall'Alaska (mir)
Apriamo il quadro! (attilio)
H7-25 (asdf)
Passione Elettrica (massimob)
Elettroni a spasso (guidob)
Bloguerra (guerra)




pigreco]=π




