Cos'è ElectroYou | Login Iscriviti

ElectroYou - la comunità dei professionisti del mondo elettrico

sensori temperatura, umidità, ph

Elettronica lineare e digitale: didattica ed applicazioni

Moderatori: Foto Utentecarloc, Foto Utenteg.schgor, Foto UtenteBrunoValente, Foto UtenteIsidoroKZ

0
voti

[1] sensori temperatura, umidità, ph

Messaggioda Foto Utentesteeveone » 5 feb 2013, 8:50

Ciao!

due parole sul progetto (che è allo stadio embrionale, un'idea più che altro)...
Niente di rivoluzionario, collezione di dati di n sensori di temperatura, un sensore umidità e se è possibile a costi ragionevoli, il ph di una vasca d'acqua.

Iniziamo dai sensori di temperatura,
si tratta di temperatura ambiente, diciamo che come risoluzione 1/2 grado centigrado è più che sufficiente.
il punto è che vorrei un sistema "espandibile", iniziare con 3 o 4 sensori e (se necessario) poter aumentare il numero.
Altro vincolo è che i sensori dovranno essere abbastanza lontani dal micro, diciamo non più di 10 metri in linea d'aria.
Google mi ha mostrato diversi device digitali, i2c o 1-wire, oltre alle sonde NTC...
Nel caso dell'ntc, potrei mettere un multiplexer davanti all'ADC del micro. I2C non so se, viste le distanze, possa funzionare, 1-wire lo conosco poco, ma se non ho capito male non ha adressing, dovrei usare un pin del micro per ogni sensore (fino a 3 o 4 sensori mi potrebbe andar bene, oltre non credo proprio)...
Visti i vincoli, cosa consigliate?

Per l'umidità si tratta di un solo sensore, integrato nella scheda del micro, meglio se digitale e di facile taratura.
Consigli su qualche integrato in particolare?

Per il PH della vasca d'acqua non ho trovato niente, se non un kit su SparkFun con sensore, scheda di controllo e boccette di liquido per tarare il sensore, al simpatico prezzo di 100 e passa euro (ASSOLUTAMENTE FUORI BUDGET)...
Per il progetto non è indispensabile, ma sarebbe utile, comodo, figo, ecc...
Se qualcuno ne sa qualcosa PARLI :D

Oltre a collezionare dati, l'aggeggio dovrà accendere e spegnere qualche relè, leggere data e ora da un RTC e poco altro, insomma come dicevo prima niente di rivoluzionario.
Come micro mi sa che userò un arduino (più che altro perché ne ho uno a casa a far niente).

Consigli, suggerimenti, insulti, tutto ben accetto :D

--- edit ---
la facile taratura dei sensori è un must
Avatar utente
Foto Utentesteeveone
30 4
New entry
New entry
 
Messaggi: 70
Iscritto il: 13 mag 2011, 1:11

0
voti

[2] Re: sensori temperatura, umidità, ph

Messaggioda Foto Utentelelerelele » 11 feb 2013, 0:35

non ho grande esperienza in merito, ti rispondo per quel poco che posso.

per i sensori di temperatura, parli di 1/2°C, e secondo me è difficile da ottenere con un NTC, se invece usi un LM35 diventa molto più semplice la lettura diretta da micro, ed il mutipelx può essere una soluzione, da valutare però in merito alla precisione richiesta, per la distanza però ritengo che a livello pratico non sia consigliabile la lettura diretta, anche se in presenza di deboli disturbi, su una linea di 10 mt, la lettura credo che non sia affatto stabile, dovrai quantomeno amplificare il segnale, (con la precisione e stabilità del caso), se non addirittura inviare la lettura via seriale, ed in questo modo risulta più facile anche la lettura di più unità.

gli altri sensori non li ho mai usati.

il tutto è controllabile da micro. se ritieni che sia semplice collezionare dati, leggere l'ora, meglio per te, io dovrei farmi un po di studi in merito, prima di partire, forse perché non conosco arduino?

saluti.
Avatar utente
Foto Utentelelerelele
4.899 3 7 9
Master
Master
 
Messaggi: 5505
Iscritto il: 8 giu 2011, 8:57
Località: Reggio Emilia

0
voti

[3] Re: sensori temperatura, umidità, ph

Messaggioda Foto Utenteclaudiocedrone » 11 feb 2013, 1:30

:-) Ciao, io ti rispondo solo con una considerazione riguardo al sensore di ph; purtroppo mi sa proprio che non c'è soluzione diversa da quella che hai trovato in quanto non ci sono componenti elettronici di per sé sensibili alle variazioni di ph e comunque vanno obbligatoriamente tarati con le apposite soluzioni a concentrazione controllata e stabilizzata :-| O_/
"Non farei mai parte di un club che accettasse la mia iscrizione" (G. Marx)
Avatar utente
Foto Utenteclaudiocedrone
21,3k 4 7 9
Master EY
Master EY
 
Messaggi: 15302
Iscritto il: 18 gen 2012, 13:36

0
voti

[4] Re: sensori temperatura, umidità, ph

Messaggioda Foto Utentesteeveone » 11 feb 2013, 14:38

Per il pH, a quanto pare le sonde per acquario sono tutte uguali.
In pratica sono composte da due elettrodi, ed immerse in un liquido producono una tensione proporzionale al pH del liquido testato, in teorioa 59mV per unità, tensione positiva per soluzioni basiche e tensione negativa per soluzioni acide.
La taratura avviene tramite appunto delle soluzioni con pH noto, in modo da poter stimare la tensione prodotta per unità di pH dalla particolare sonda (si da per scontato che siano lineari, boh).
Ho visto che sia le sonde che i liquidi per tararle si trovano a prezzi onesti nei negozi di acquari,
rimarrebbe da progettare un buffer per non caricare la sonda ed un amplificatore per mandare il segnale all'ADC del micro :roll:

Io di op-amp non ci capisco niente, però più tardi azzardo comunque a postare uno schemino. se qualcuno avrà voglia e tempo di correggerli ed aiutarmi nella scelta dell'op-amp...

--- edit ---
tra l'altro dando un'occhiata più approfondita al kit di sparkfun, nella scheda non montano altro che un doppio op-amp ed un piccolo PIC, evidentemente con adc e modulo uart. Contando che un sensore più liquidi costa una quarantina di euro, ne vogliono più di sessanta per una schedina con su due integrati...
-----------

Grazie
Avatar utente
Foto Utentesteeveone
30 4
New entry
New entry
 
Messaggi: 70
Iscritto il: 13 mag 2011, 1:11

0
voti

[5] Re: sensori temperatura, umidità, ph

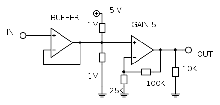
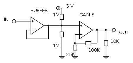
Messaggioda Foto Utentesteeveone » 13 feb 2013, 17:19

Scopiazzando gli schemi di un buffer e di un amplificatore non invertente, questo è quello a cui sono arrivato.
Ha senso?
Il partitore in ingresso dovrebbe servire per avere solo tensioni positive, mi chiedevo (vi chiedo) se è meglio metterlo lì o dopo il buffer...
Il guadagno di 5 l'ho stimato in questo modo:
60mV per divisione di pH moltiplicati per 14 unità di pH fanno 810mV di swing, moltiplicati per X tale che il risultato sia il più possibile vicino (ma inferiore) a 5V.
Le resistenze di feedback le ho dimensionate con la formula che ho trovato su internet, 1+Rf/Rb



Quindi mi servirebbe un doppio op-amp rail to rail che funzioni a 5 volt, corretto?
Più lo guardo più mi chiedo se il partitore non va dopo il buffer...
Sull'alimentazione degli op-amp ci va un condensatore ceramico?

Grazie!
Avatar utente
Foto Utentesteeveone
30 4
New entry
New entry
 
Messaggi: 70
Iscritto il: 13 mag 2011, 1:11

0
voti

[6] Re: sensori temperatura, umidità, ph

Messaggioda Foto Utentelelerelele » 13 feb 2013, 18:55

steeveone ha scritto:Il partitore in ingresso dovrebbe servire per avere solo tensioni positive, mi chiedevo (vi chiedo) se è meglio metterlo lì o dopo il buffer...



le due resistenze in ingresso realizzano una polarizzazione che consente all'op di lavorare in linearità, e nello specifico la polarizzazione è la metà rispetto alla tensione di alimentazione; queste ovviamente dovranno interagire anche con il sensore, sia in regime statico (sulla polarizzaione) che a regime dinamico (sul segnale), attraverso la sua impedenza.......ma non posso aiutarti in questo senso non avendo idea di come lavori un sensore PH.
Avatar utente
Foto Utentelelerelele
4.899 3 7 9
Master
Master
 
Messaggi: 5505
Iscritto il: 8 giu 2011, 8:57
Località: Reggio Emilia

0
voti

[7] Re: sensori temperatura, umidità, ph

Messaggioda Foto Utentesteeveone » 14 feb 2013, 5:05

ho trovato questo!
http://www.ph-meter.info/pH-meter-construction

Riassumendo, la resistenza interna degli elettrodi commerciali va dai 10 ai 100MΩ e il guadagno necessario per 1V per unità di pH è 16.7 (compatibile coi 59mV per unità di pH che avevo trovato in un altro articolo).

Detto questo, polarizzando il primo stadio a quel modo, l'elettrodo "sentirà" una resistenza di 1M e non più quella altissima dell'operazionale... Per questo mi chiedevo se non sarebbe meglio polarizzare il secondo stadio, in modo che le resistenze "carichino" il primo operazionale e non l'elettrodo.
Sempre se ho capito bene a cosa serve la polarizzazione...
Avatar utente
Foto Utentesteeveone
30 4
New entry
New entry
 
Messaggi: 70
Iscritto il: 13 mag 2011, 1:11

0
voti

[8] Re: sensori temperatura, umidità, ph

Messaggioda Foto Utentelelerelele » 16 feb 2013, 20:39

se fai riferimento al tuo schema, come scrivevi tu, la polarizzazione di ingresso carica il sensore, e se questo lavora con le impedenze a cui accennavi tu sicuramente non è il massimo...

proprio per questo, lo schema a cui hai posto il link, ha un'op che possiede ingresso a jfet, il che significa avere una impedenza d'ingresso indicativamente superiore ad i 100Mohm, (il valore esatto lo trovi su datasheets),
ed anche la connessione utilizzata per il sensore è esattamente quello che serve per non caricare il sensore, visto che mancano le reistenze di polarizzazione, si presume quindi che la stessa sia ottenuta attraverso il sensore, considerando che la tensione di alimentazione è duale, con riferimento di massa intermedia;

la rete di retroazione con il commutatore serve per le portate, indicando due guadagni di 15 e 20;

la taratura ottenuta con il trimmer ZERO è necessaria in quanto la lettura in ingresso deve essere molto precisa, e questa taratura ti porta l'uscita a zero regolando allo stesso tempo l'offset dell'op, (particolarmente rilevante con ingresso a jfet).

non riesco a capire invece quale sia la regolazione ottenuta con l'altro trimmer, sembra una taratura del guadagno, che quindi ti darà il valore del fondoscala, (il mio inglese è abbastanza arrugginito).
Avatar utente
Foto Utentelelerelele
4.899 3 7 9
Master
Master
 
Messaggi: 5505
Iscritto il: 8 giu 2011, 8:57
Località: Reggio Emilia

0
voti

[9] Re: sensori temperatura, umidità, ph

Messaggioda Foto Utentesteeveone » 16 feb 2013, 22:09

ho capito (più o meno)...

Per il trimmer "slope" diche che regola il guadagno secondo l'equazione
Gain = 1 + (R3+P x R4)/(R5+(1-P) x R4)
dove P (posizione del potenziometro rispetto alla resistenza R3) va da 0 a 1,
R3 = resistenza da 560K
R4 = resistenza da 30K

Per me è arabo :oops:

Quindi non c'è modo di usare degli op-amp a singola alimentazione?
Avatar utente
Foto Utentesteeveone
30 4
New entry
New entry
 
Messaggi: 70
Iscritto il: 13 mag 2011, 1:11

0
voti

[10] Re: sensori temperatura, umidità, ph

Messaggioda Foto Utentesteeveone » 16 feb 2013, 23:15

Nel senso, riarrangiando il circuito come segue, ed ipotizzando degli op-amp a singola alimentazione (diciamo 5V, mi sono fissato coi 5V perché mi tornano comodi),
dando in ingresso un segnale con tensione negativa secondo me il primo op-amp saturerebbe, no?

Avatar utente
Foto Utentesteeveone
30 4
New entry
New entry
 
Messaggi: 70
Iscritto il: 13 mag 2011, 1:11

Prossimo

Torna a Elettronica generale

Chi c’è in linea

Visitano il forum: Nessuno e 75 ospiti