Ti ho dato un voto perché ti sei posto una domanda.
Come sai porsi delle domande è la via per capire.
Ma torniamo a noi.
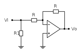
A interruttore chiuso ho questa configurazione:
Si vede che l'ingresso V+ è a massa.
Si vede ancora meglio così:
Adesso dovresti essere a posto!
Thread sugli operazionali
Moderatori:
carloc,
g.schgor,
BrunoValente,
IsidoroKZ
4
voti
-

PietroBaima
90,7k 7 12 13 - G.Master EY

- Messaggi: 12206
- Iscritto il: 12 ago 2012, 1:20
- Località: Londra
1
voti
Hai ragione, quindi... R1 in realtà può essere omessa? Oppure, posso immaginare, è più grande di R, in modo che la corrente preferisca andare nella parte alta del circuito piuttosto che scaricarsi tutta a massa?
Comunque, proseguiamo.
Secondo questo schema (quindi a switch chiuso), abbiamo
= 0 (essendo a massa). I calcoli sono simili, si procede come prima con la sovrapposizione degli effetti:



In questo modo abbiamo creato.. uno switch invertente?
Comunque, proseguiamo.
Secondo questo schema (quindi a switch chiuso), abbiamo
= 0 (essendo a massa). I calcoli sono simili, si procede come prima con la sovrapposizione degli effetti:


In questo modo abbiamo creato.. uno switch invertente?
5
voti
elegos ha scritto:R1 in realtà può essere omessa?
Sì, non è detto che tutte le resistenze appaiano nella formula della tensione di uscita.
Imparalo bene, ho come l'impressione che ti servirà presto
elegos ha scritto:Oppure, posso immaginare, è più grande di R,
Non abbiamo fatto alcuna ipotesi su R1 rispetto ad R. Per quanto ne sappiamo ora potrebbe essere più grande o anche più piccola o anche uguale.
elegos ha scritto:in modo che la corrente preferisca andare nella parte alta del circuito piuttosto che scaricarsi tutta a massa?
La corrente non fa scelte personali, va dove deve andare, secondo i principi dell'elettrotecnica.
La corrente "intelligente" è una fesseria, che spesso e volentieri insegnano a fisica delle superiori.
elegos ha scritto:In questo modo abbiamo creato.. uno switch invertente?
Abbiamo fatto un circuito utile.
Questo è un circuito che, ad interruttore aperto, si comporta come un inseguitore di tensione, mentre, a interruttore chiuso, si comporta come un amplificatore invertente con guadagno pari a -1.
L'interruttore potrebbe anche non essere meccanico, ma elettronico. In questo modo si potrebbe fare, per esempio, una modulazione di fase, utile nelle trasmissioni digitali, oppure si potrebbe usare per sommare o sottrarre lo stesso segnale a seconda delle necessità se l'uscita dell'operazionale fosse posta all'ingresso di un sommatore, oppure, seppur complicando un po' il circuito, come ci ha ricordato
BTW, pausa finita... avanti col prossimo!
-

PietroBaima
90,7k 7 12 13 - G.Master EY

- Messaggi: 12206
- Iscritto il: 12 ago 2012, 1:20
- Località: Londra
1
voti
Stavo lavorando su questo secondo circuito:
Ho pensato bene di mettere a massa prima V2 e poi V1 e poi sommare i due V0 parziali
Mettendo a massa V2 ho:




-------------





Ora dovremmo calcolare il contributo di V2, ma ho un dubbio: se V1 è a massa, V1- dipende solo da V1out. Ma per quanto riguarda V1+, come si fa a calcolare il contributo di V2? Che c'è quella bella resistenza R3 che dà "fastidio" :P - evidentemente mi manca ancora una piccola regoletta a proposito di come si comporti l'elettricità in casi dove ci sono nodi con masse ed altri circuiti
(<-- un giorno mi spiegherete perché una faccina contenta equivale ad un grazie
)
P.S.
Che io sapessi (ma potrebbe benissimo essere una baggianata assurda
) la corrente elettrica tende a percorrere sempre la strada con meno resistenza?
Ho pensato bene di mettere a massa prima V2 e poi V1 e poi sommare i due V0 parziali
Mettendo a massa V2 ho:




-------------





Ora dovremmo calcolare il contributo di V2, ma ho un dubbio: se V1 è a massa, V1- dipende solo da V1out. Ma per quanto riguarda V1+, come si fa a calcolare il contributo di V2? Che c'è quella bella resistenza R3 che dà "fastidio" :P - evidentemente mi manca ancora una piccola regoletta a proposito di come si comporti l'elettricità in casi dove ci sono nodi con masse ed altri circuiti
(<-- un giorno mi spiegherete perché una faccina contenta equivale ad un grazie P.S.
Che io sapessi (ma potrebbe benissimo essere una baggianata assurda
5
voti
PietroBaima ha scritto:BTW, pausa finita... avanti col prossimo!
Alt, non scappate. Su questo circuito ci si può porre ancora un paio di domande. Gli interruttori ideali non esistono: modelliamo allora l'interruttore chiuso con una resistenza di valore
e l'interruttore aperto con una resistenza di valore
. Quanto valgono i due guadagni tenendo conto di questa non idealità?PS1: smettetela di parlare di massa e non usate il simbolo di terra per lo 0 V (v. qui)
PS2: gli elettronici hanno una bella convenzione sui simboli delle grandezze: le grandezze variabili nel tempo si indicano con lettere minuscole e pedici maiuscoli per indicare la grandezza totale: per esempio
,
ecc. Se una grandezza viene considerata come la somma di un valore a riposo e di una variazione, il valore a riposo è indicato con simbolo maiuscolo e pedice maiuscolo, mentre la variazione è indicata con simbolo minuscolo e pedice minuscolo:
. Così facendo si possono poi ancora indicare le trasformate di Laplace, quelle di Fourier o i fasori associati alle variazioni con simboli maiuscoli e pedici minuscoli: per esempio,
.It's a sin to write
instead of
(Anonimo).
...'cos you know that
ain't
, right?
You won't get a sexy tan if you write
in lieu of
.
Take a log for a fireplace, but don't take
for
arithm.
instead of
(Anonimo)....'cos you know that
ain't
, right?You won't get a sexy tan if you write
in lieu of
.Take a log for a fireplace, but don't take
for
arithm.-

DirtyDeeds
55,9k 7 11 13 - G.Master EY

- Messaggi: 7012
- Iscritto il: 13 apr 2010, 16:13
- Località: Somewhere in nowhere
2
voti
elegos ha scritto:Mettendo a massa V2 ho:
Segno sbagliato
elegos ha scritto:
segno sbagliato, ma risultato giusto
Il bravo (e il voto) ci sta tutto.
elegos ha scritto:Ora dovremmo calcolare il contributo di V2, ma ho un dubbio: se V1 è a massa, V1- dipende solo da V1out.
vero
elegos ha scritto:Ma per quanto riguarda V1+, come si fa a calcolare il contributo di V2? Che c'è quella bella resistenza R3 che dà "fastidio"
Bho, a me non da nessun fastidio...
elegos ha scritto:(<-- un giorno mi spiegherete perché una faccina contenta equivale ad un grazie
)
perché è contento di imparare elettronica
elegos ha scritto:P.S.
Che io sapessi (ma potrebbe benissimo essere una baggianata assurda) la corrente elettrica tende a percorrere sempre la strada con meno resistenza?
No, purtroppo è una baggianata assurda. La corrente, insisto, segue i principi dell'elettrotecnica. Conoscerli significa non sbagliare. Mi fa piacere che ti stai rendendo conto che è importante conoscere un po' di elettrotecnica
-

PietroBaima
90,7k 7 12 13 - G.Master EY

- Messaggi: 12206
- Iscritto il: 12 ago 2012, 1:20
- Località: Londra
1
voti
DirtyDeeds ha scritto:Alt, non scappate. Su questo circuito ci si può porre ancora un paio di domande. Gli interruttori ideali non esistono: modelliamo allora l'interruttore chiuso con una resistenza di valoree l'interruttore aperto con una resistenza di valore
. Quanto valgono i due guadagni tenendo conto di questa non idealità?
Ottimo. Per non fare confusione lo farei alla conclusione di questo ultimo esercizio.
DirtyDeeds ha scritto:PS1: smettetela di parlare di massa e non usate il simbolo di terra per lo 0 V (v. qui)![]()
Sì, ho già avuto la tentazione di parlarne ad elegos diversi post fa. Purtroppo fidocad (se non sono orbo) mette a disposizione massa e terra, ma non il triangolino per lo zero volt. Sarebbe stato (e sarà) oggetto di discussione. Quello che mi ha fatto cambiare idea sul parlarne è che, per ora, mi pare ancora un po' difficile da capire. Pensavo di parlarne quando andremo a montare il circuito che avevo proposto, per far lampeggiare i led su bread board e poi su millefori, in modo che la differenza sia più evidente.
Naturalmente ogni suggerimento in senso contrario è più che ben accetto.
DirtyDeeds ha scritto:PS2: gli elettronici hanno una bella convenzione sui simboli delle grandezze: le grandezze variabili nel tempo si indicano con lettere minuscole e pedici maiuscoli per indicare la grandezza totale: per esempio,
ecc. Se una grandezza viene considerata come la somma di un valore a riposo e di una variazione, il valore a riposo è indicato con simbolo maiuscolo e pedice maiuscolo, mentre la variazione è indicata con simbolo minuscolo e pedice minuscolo:
. Così facendo si possono poi ancora indicare le trasformate di Laplace, quelle di Fourier o i fasori associati alle variazioni con simboli maiuscoli e pedici minuscoli: per esempio,
.
Ottimo. Purtroppo credo che elegos non abbia la minima idea di cosa stiamo parlando, ma ... l'avrà, sempre se vuole e mi sopporta.
Grazie!
-

PietroBaima
90,7k 7 12 13 - G.Master EY

- Messaggi: 12206
- Iscritto il: 12 ago 2012, 1:20
- Località: Londra
0
voti
pausa pranzo... ci vediamo tra 15 minuti.
-

PietroBaima
90,7k 7 12 13 - G.Master EY

- Messaggi: 12206
- Iscritto il: 12 ago 2012, 1:20
- Località: Londra
0
voti
eccomi!
-

PietroBaima
90,7k 7 12 13 - G.Master EY

- Messaggi: 12206
- Iscritto il: 12 ago 2012, 1:20
- Località: Londra
1
voti
PietroBaima ha scritto:Purtroppo fidocad (se non sono orbo) mette a disposizione massa e terra, ma non il triangolino per lo zero volt.
C'è nella libreria di elettrotecnica:
It's a sin to write
instead of
(Anonimo).
...'cos you know that
ain't
, right?
You won't get a sexy tan if you write
in lieu of
.
Take a log for a fireplace, but don't take
for
arithm.
instead of
(Anonimo)....'cos you know that
ain't
, right?You won't get a sexy tan if you write
in lieu of
.Take a log for a fireplace, but don't take
for
arithm.-

DirtyDeeds
55,9k 7 11 13 - G.Master EY

- Messaggi: 7012
- Iscritto il: 13 apr 2010, 16:13
- Località: Somewhere in nowhere
Chi c’è in linea
Visitano il forum: Nessuno e 46 ospiti

Elettrotecnica e non solo (admin)
Un gatto tra gli elettroni (IsidoroKZ)
Esperienza e simulazioni (g.schgor)
Moleskine di un idraulico (RenzoDF)
Il Blog di ElectroYou (webmaster)
Idee microcontrollate (TardoFreak)
PICcoli grandi PICMicro (Paolino)
Il blog elettrico di carloc (carloc)
DirtEYblooog (dirtydeeds)
Di tutto... un po' (jordan20)
AK47 (lillo)
Esperienze elettroniche (marco438)
Telecomunicazioni musicali (clavicordo)
Automazione ed Elettronica (gustavo)
Direttive per la sicurezza (ErnestoCappelletti)
EYnfo dall'Alaska (mir)
Apriamo il quadro! (attilio)
H7-25 (asdf)
Passione Elettrica (massimob)
Elettroni a spasso (guidob)
Bloguerra (guerra)

pigreco]=π


