Cos'è ElectroYou | Login Iscriviti

ElectroYou - la comunità dei professionisti del mondo elettrico

Thread sugli operazionali

Elettronica lineare e digitale: didattica ed applicazioni

Moderatori: Foto Utentecarloc, Foto Utenteg.schgor, Foto UtenteBrunoValente, Foto UtenteIsidoroKZ

1
voti

[261] Re: Thread sugli operazionali

Messaggioda Foto Utenteelegos » 16 feb 2013, 15:54

V_{A_{V_1}}=\left(1+\frac{R_2}{R_g}+\frac{R_2}{R_1}\right)V_1

V_{A_{V_2}}=-\frac{R_2}{R_g}V_2

V_{A_{V_3}}=-\frac{R_2}{R_1}V_3

V_A = \left(1+\frac{R_2}{R_g}+\frac{R_2}{R_1}\right)V_1 -\frac{R_2}{R_g}V_2 -\frac{R_2}{R_1}V_3
Bomba de caporal elettronico
Avatar utente
Foto Utenteelegos
335 3 6
Frequentatore
Frequentatore
 
Messaggi: 183
Iscritto il: 29 gen 2013, 19:43
Località: Milano

1
voti

[262] Re: Thread sugli operazionali

Messaggioda Foto UtentePietroBaima » 16 feb 2013, 15:55

poi?
Generatore codice per articoli:
nomi
Sul forum:
[pigreco]=π
[ohm]=Ω
[quadrato]=²
[cubo]=³
Avatar utente
Foto UtentePietroBaima
90,7k 7 12 13
G.Master EY
G.Master EY
 
Messaggi: 12206
Iscritto il: 12 ago 2012, 1:20
Località: Londra

0
voti

[263] Re: Thread sugli operazionali

Messaggioda Foto Utenteelegos » 16 feb 2013, 15:56

Poi viene il secondo opamp :P
Bomba de caporal elettronico
Avatar utente
Foto Utenteelegos
335 3 6
Frequentatore
Frequentatore
 
Messaggi: 183
Iscritto il: 29 gen 2013, 19:43
Località: Milano

1
voti

[264] Re: Thread sugli operazionali

Messaggioda Foto UtentePietroBaima » 16 feb 2013, 15:57

eh sì. :-P
Generatore codice per articoli:
nomi
Sul forum:
[pigreco]=π
[ohm]=Ω
[quadrato]=²
[cubo]=³
Avatar utente
Foto UtentePietroBaima
90,7k 7 12 13
G.Master EY
G.Master EY
 
Messaggi: 12206
Iscritto il: 12 ago 2012, 1:20
Località: Londra

0
voti

[265] Re: Thread sugli operazionali

Messaggioda Foto Utenteelegos » 16 feb 2013, 16:04







Il primo ed il terzo saranno divisi ulteriormente in 2 (Va e V di ingresso) e saranno amplificatori invertenti (sovrapposizione di effetti), mentre il secondo è un amplificatore invertente (Va) insieme ad un amplificatore non invertente (V2) (sempre sovrapposizione di effetti).
Bomba de caporal elettronico
Avatar utente
Foto Utenteelegos
335 3 6
Frequentatore
Frequentatore
 
Messaggi: 183
Iscritto il: 29 gen 2013, 19:43
Località: Milano

1
voti

[266] Re: Thread sugli operazionali

Messaggioda Foto UtentePietroBaima » 16 feb 2013, 16:12

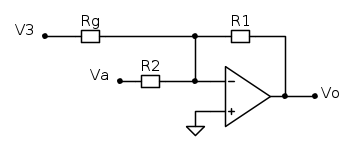
Non capisco l'ultimo schema, da dove arriva V3?
Generatore codice per articoli:
nomi
Sul forum:
[pigreco]=π
[ohm]=Ω
[quadrato]=²
[cubo]=³
Avatar utente
Foto UtentePietroBaima
90,7k 7 12 13
G.Master EY
G.Master EY
 
Messaggi: 12206
Iscritto il: 12 ago 2012, 1:20
Località: Londra

0
voti

[267] Re: Thread sugli operazionali

Messaggioda Foto Utenteelegos » 16 feb 2013, 16:14

Hai ragione, V3 non arriva al secondo opamp, in quanto dopo R1 c'è 0V. Meglio: meno calcoli :mrgreen:
Bomba de caporal elettronico
Avatar utente
Foto Utenteelegos
335 3 6
Frequentatore
Frequentatore
 
Messaggi: 183
Iscritto il: 29 gen 2013, 19:43
Località: Milano

0
voti

[268] Re: Thread sugli operazionali

Messaggioda Foto Utenteelegos » 16 feb 2013, 16:34



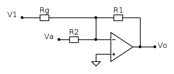
V_o=-\frac{R_1}{R_g}V_1-\frac{R_1}{R_2}V_a



^-- la tensione a sinistra di Rg è importante vero? :P
Bomba de caporal elettronico
Avatar utente
Foto Utenteelegos
335 3 6
Frequentatore
Frequentatore
 
Messaggi: 183
Iscritto il: 29 gen 2013, 19:43
Località: Milano

1
voti

[269] Re: Thread sugli operazionali

Messaggioda Foto UtentePietroBaima » 16 feb 2013, 16:40

Nel primo circuito hai calcolato V1 e Va, adesso devi solo più sovrapporre per V2.
Generatore codice per articoli:
nomi
Sul forum:
[pigreco]=π
[ohm]=Ω
[quadrato]=²
[cubo]=³
Avatar utente
Foto UtentePietroBaima
90,7k 7 12 13
G.Master EY
G.Master EY
 
Messaggi: 12206
Iscritto il: 12 ago 2012, 1:20
Località: Londra

1
voti

[270] Re: Thread sugli operazionali

Messaggioda Foto Utenteelegos » 16 feb 2013, 16:49

Ahhh capito, giusto... quindi sarebbe semplicemente questo?

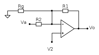
V_{o_2}=\left(1+\frac{R_1}{R_g//R_2}\right)V_2
Bomba de caporal elettronico
Avatar utente
Foto Utenteelegos
335 3 6
Frequentatore
Frequentatore
 
Messaggi: 183
Iscritto il: 29 gen 2013, 19:43
Località: Milano

PrecedenteProssimo

Torna a Elettronica generale

Chi c’è in linea

Visitano il forum: Google Adsense [Bot] e 222 ospiti