Cos'è ElectroYou | Login Iscriviti

ElectroYou - la comunità dei professionisti del mondo elettrico

sensori temperatura, umidità, ph

Elettronica lineare e digitale: didattica ed applicazioni

Moderatori: Foto Utentecarloc, Foto Utenteg.schgor, Foto UtenteBrunoValente, Foto UtenteIsidoroKZ

0
voti

[11] Re: sensori temperatura, umidità, ph

Messaggioda Foto Utentelelerelele » 17 feb 2013, 15:26

steeveone ha scritto:dando in ingresso un segnale con tensione negativa secondo me il primo op-amp saturerebbe, no?


Esatto! :ok:

potrebbe anche bruciare gli ingressi se si dispone di impedenze basse all'ingresso, (i datasheets riportano le tensioni massime e minime riferite all'alimentazione).

nella tua configurazione, il circuito potrebbe funzionare solo con segnali di ingressi positivi, ed inoltre gli OP utilizzati devono essere in grado di lavorare con ingressi ed uscita a pochi millivolt da massa, tipo LM358, come esempio guarda qua:

http://www.electroyou.it/phpBB2/viewtopic.php?f=1&t=12037

però non capisco dove sia il problema della alimentazione singola con polarizzazione a zero centrale.
Avatar utente
Foto Utentelelerelele
4.899 3 7 9
Master
Master
 
Messaggi: 5505
Iscritto il: 8 giu 2011, 8:57
Località: Reggio Emilia

0
voti

[12] Re: sensori temperatura, umidità, ph

Messaggioda Foto Utentesteeveone » 17 feb 2013, 20:10

che non so come si fa :oops:
Avatar utente
Foto Utentesteeveone
30 4
New entry
New entry
 
Messaggi: 70
Iscritto il: 13 mag 2011, 1:11

0
voti

[13] Re: sensori temperatura, umidità, ph

Messaggioda Foto Utentelelerelele » 18 feb 2013, 19:37

richiamando lo schema posto in precedenza diventa così



dove i segnali di ingresso e uscita sono entrambi riferiti a massa, la quale si trova a metà tensione rispetto l'alimentazione, e l'ingresso come vedi non viene caricato da alcuna impedenza supplementare;
unico problema di questa configurazione è il carico sull'uscita, non può avere impedenza troppo bassa perché sovraccarica il partitore da 1K.


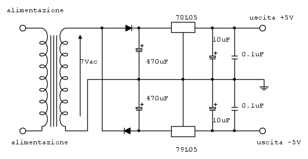
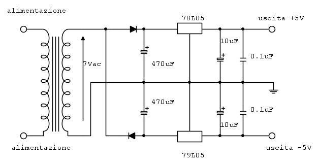
d'altra parte uno schema terra-terra per ottenere una tensione stabilizzata duale è questo:



con il quale puoi tranquillamente alimentarci il circuito posto precedentemente:

http://www.ph-meter.info/pH-meter-construction

anche se nel circuito specifico ritengo sia meglio usare stabilizzatori a +-8V (78L08/79L08) ed un trasformatore con secondario a 12V.

Spero di essere stato di aiuto.
Avatar utente
Foto Utentelelerelele
4.899 3 7 9
Master
Master
 
Messaggi: 5505
Iscritto il: 8 giu 2011, 8:57
Località: Reggio Emilia

0
voti

[14] Re: sensori temperatura, umidità, ph

Messaggioda Foto Utentesteeveone » 18 feb 2013, 20:32

Fantastico!
Lo proverò non appena mi sarò procurato i componenti.
Procedo con le domande:

immagino che il partitore sia critico, resistenze all'1% bastano?
Oppure potrei mettere una resistenza da una parte ed una resistenza + trimmer dall'altra, "iniettando" 0V nell'inpuit regolo il trimmer fino a leggere 2.50 nell'out e così compenso anche l'offset dell'op-amp...
O sto dicendo un mucchio di stupidaggini?
vale quanto detto prima, ovvero serve un op-amp con ingessi a jfet (o comunque con una resistenza di ingresso mooolto alta)e singola alimentazione, corretto? Mi puoi consigliare qualche integrato? (l'LM358 andrebbe bene, anche se è doppio?)

Se non ho capito male, nello schema da te postato in pratica il bias viene fatto sul feedback, corretto?
Non ho capito però a cosa serve il secondo OUT, e se IN- va riferito a massa (0V) o a "massa virtuale" (2.5V)...
Che poi non è un sengale differenziale che arriva dalla sonda, è un cavo coassiale con il segnale nel conduttore interno e fuori uno schermo...

Per il carico, credo che userò un ADC con interfaccia I2C (o se mi costa meno un mcu con ADC e controller I2C a bordo, devo valutare)...
Prendendo per esempio il ADC dell'atmega168 (arduino), se non ho capito male l'impedenza d'ingresso è nell'ordine dei 10K, secondo te è sufficientemente alta?
Se non lo fosse potrei risolvere con un inseguitore di tensione?

Grazie mille!!
Avatar utente
Foto Utentesteeveone
30 4
New entry
New entry
 
Messaggi: 70
Iscritto il: 13 mag 2011, 1:11

0
voti

[15] Re: sensori temperatura, umidità, ph

Messaggioda Foto Utenteclaudiocedrone » 19 feb 2013, 2:32

:-) Sentiamo un po', come avresti intenzione di fare a "iniettare 0 V " nell'opamp :?: Comunque l'offset non si compensa sbilanciando tout court l'alimentazione ma derivando una tensione negativa o positiva (a seconda se lo offset è positivo o negativo) mettendo un ulteriore partitore regolabile ottenuto con un trimmer collegato con gli estremi ai rami di alimentazione e prelevandola dal centrale con in serie una resistenza di "elevato" valore; per la soluzione del partitore puoi usare tranquillamente resistori allo 1% (ma anche al 5%), però userei due resistori da 10 K e magari sarebbe il caso di "bufferare" la "massa fittizia" (centro partitore), alla "massa fittizia" vanno riferite poi tutte le masse del circuito; per la tua applicazione va bene lo LM358 (per i motivi che ti hanno già detto) inoltre forse potrebbe essere il caso di "bufferare" anche il segnale proveniente dalla sonda :? .
Con una vera alimentazione duale (va bene anche derivata da un trafo senza presa centrale come nell'esempio che ti ha dato Foto Utentelelerelele ti risparmieresti un po' di complicazioni circuitali ;-) . O_/
"Non farei mai parte di un club che accettasse la mia iscrizione" (G. Marx)
Avatar utente
Foto Utenteclaudiocedrone
21,3k 4 7 9
Master EY
Master EY
 
Messaggi: 15302
Iscritto il: 18 gen 2012, 13:36

0
voti

[16] Re: sensori temperatura, umidità, ph

Messaggioda Foto Utentelelerelele » 19 feb 2013, 17:00

steeveone ha scritto:immagino che il partitore sia critico, resistenze all'1% bastano?


no, il partitore non è critico, se guardi le massi di entrata e di uscita nonchè la retroazione sono riferite alla massa a zero centrale, perciò qualche oscillazione di questo punto rispetto alla alimentazione non si riperquote su questi segnali, resta però da ricordare che invecie fa difetto il carico, la corrente assorbita da questo passa attraverso il partitore, e ne sposta il valore in su oppure in giu, di per se non darebbe problemi, ma venendo di fatto a mancare l'alimentazione positiva oppure negativa l'op non lavorerà più.

steeveone ha scritto:Oppure potrei mettere una resistenza da una parte ed una resistenza + trimmer dall'altra.... e così compenso anche l'offset dell'op-amp.


non serve mettere un trimmer per lo stesso motivo appena spiegato;
per quanto riguarda la regolazione dell'offset non ottieni niente appunto perché le masse sono comuni al partitore.
per ottenere la taratura dell'offset ti consiglio di usare un TL081, oppure altro op simile con regolazione dell'offset, questo op ha ingresso a fet, quindi impedenza elevatissima, ed ha la regolazione dell'offset attraverso i due pin dedicati 1 e 5, in questo modo ottieni una regolazione fine, senza avere problemi dovuti alla fluttuazione della tensione di alimentazione, che nel caso usassi il partitore in ingresso sarebbe inevitabile.


steeveone ha scritto:Se non ho capito male, nello schema da te postato in pratica il bias viene fatto sul feedback, corretto?


il quello schema non c'è la regolazione dell'offset, (la corrente di bias è quel valore di corrente assorbita dall'ingresso polarizzato).


steeveone ha scritto:Non ho capito però a cosa serve il secondo OUT, e se IN- va riferito a massa (0V) o a "massa virtuale" (2.5 V)...


Tutti i segnali, ingresso uscita e retroazione devono essere riferiti alla massa centrale, 2,5V, ed è da questo punto cui si riferisce il valore di uscita.
Però ritengo che la soluzione migliore sia adottare una tensione maggiore, magari +-5V, (anche se il TL081 lo danno a partire da 5V).

steeveone ha scritto:Che poi non è un sengale differenziale che arriva dalla sonda, è un cavo coassiale con il segnale nel conduttore interno e fuori uno schermo...


(Ripeto non ho mai usato un sensore del genere, rispondo a logica), suppongo che all'altro capo ci sia il sensore, ma il cavo è lungo? perché sarebbero da considerare anche i distrubi di autoinduzione e di capacità distribuite, si potrebbero avere problemi di varia natura, dalla saturazione dell'op a forte rumore ecc.....


steeveone ha scritto:Per il carico, credo che userò un ADC con interfaccia I2C


Se usi un'ADC, mi sto chiedendo se è proprio necessario usare l'op a monte! Non è sufficiente settare il tutto via software?
Poi l'adc a questo punto è meglio metterlo vicino al sensore, poi mandi sul cavo la seriale, secondo me.
Inoltre considera sempre che l'uscita è riferita a massa centrale, non al - dell'alimentazine all'ADC, quest'ultimo deve avere massa analogica flottante in modo da poterla collegare alla tua massa di riferimento.

steeveone ha scritto:Prendendo per esempio il ADC dell'atmega168 (arduino), se non ho capito male l'impedenza d'ingresso è nell'ordine dei 10K, secondo te è sufficientemente alta?
Se non lo fosse potrei risolvere con un inseguitore di tensione?


Non ho mai usato questo micro.
Con un'impedenza di 10Kohm direi che è abbastanza alta, certo che la prova sul circuito reale è d'obbligo, se non lo fosse, l'uso dell'inseguitore non risolverebbe nulla, perché il problema non è l'impedenza d'uscita dell'op ma l'impedenza della massa centrale; ecco potrebbe servire (nel caso), mettere l'inseguitore tra il partitore e la massa, in questo modo abbasseresti notevolmente l'impedenza d'uscita(attraverso una minore impedenza della massa).
Avatar utente
Foto Utentelelerelele
4.899 3 7 9
Master
Master
 
Messaggi: 5505
Iscritto il: 8 giu 2011, 8:57
Località: Reggio Emilia

Precedente

Torna a Elettronica generale

Chi c’è in linea

Visitano il forum: Nessuno e 285 ospiti