Cos'è ElectroYou | Login Iscriviti

ElectroYou - la comunità dei professionisti del mondo elettrico

Resistenza e corto circuito dubbio esercizio

Circuiti, campi elettromagnetici e teoria delle linee di trasmissione e distribuzione dell’energia elettrica

Moderatori: Foto Utenteg.schgor, Foto UtenteIsidoroKZ

0
voti

[1] Resistenza e corto circuito dubbio esercizio

Messaggioda Foto UtenteVibia » 17 feb 2013, 13:46

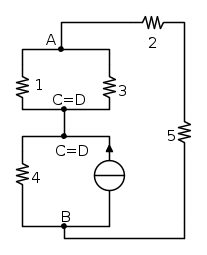
Salve ragazzi ho un dubbio su questo esrcizio e in generale nei casi simili a questo ovvero quando mi si presenta un corto circuito in parallelo con una resistenza.
So che in linea generale la resistenza va eliminata se in parallelo con un corto circuito ma qui penso che non si possa fare...



Io in questo caso avrei eliminato la resistenza 3 e considerato la resistenza equivalente
R_{eq}= (R_1+R_4)//(R_2+R_5)

Purtroppo però andando a verificare il circuito con un programma non mi trovo :-|

Vi ringrazio in anticipo per l'aiuto :D
Avatar utente
Foto UtenteVibia
101 2 7
Frequentatore
Frequentatore
 
Messaggi: 215
Iscritto il: 12 feb 2013, 22:53

1
voti

[2] Re: Resistenza e corto circuito dubbio esercizio

Messaggioda Foto Utenteg.schgor » 17 feb 2013, 13:52

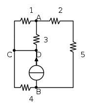
Non lasciarti ingannare dal disegno!
(R1 ed R3 sono in parallelo tra loro, poi in serie con R2 ed R5,
Il tutto è infine in parallelo ad R4)
Avatar utente
Foto Utenteg.schgor
57,8k 9 12 13
G.Master EY
G.Master EY
 
Messaggi: 16971
Iscritto il: 25 ott 2005, 9:58
Località: MILANO

0
voti

[3] Re: Resistenza e corto circuito dubbio esercizio

Messaggioda Foto UtenteVibia » 17 feb 2013, 13:57

Ciao ti ringrazio per la risposta...

Posso chiederti una metodologia o una tecnica per evitare di cadere in questi tranelli? :D

Purtroppo, nonostante stia risolvendo circuiti da molto mesi per prepararmi ad un esame, prendo ancora le sviste di uno che ha cominciato da poco a studiare l'elettrotecnica!! :cry:

Grazie ancora per l'aiuto!
Avatar utente
Foto UtenteVibia
101 2 7
Frequentatore
Frequentatore
 
Messaggi: 215
Iscritto il: 12 feb 2013, 22:53

0
voti

[4] Re: Resistenza e corto circuito dubbio esercizio

Messaggioda Foto UtenteGoo » 17 feb 2013, 14:56

Basta che fai una LKT alla maglia in alto a sinistra
Vedendola in questa maniera:
Immagine
dove ovviamente V2 e V4 sono nulle, V2=V4=0, si ha:
V1+V2+V3+V4=0 --> V1+V3=0 --> V1= -V3 ...quindi il c.to c.to non c'è.

Se invece non ci fosse stata la resistenza R1 allora anche V1 sarebbe stata nulla, quindi V1+V2+V3+V4=0 --> V3=0 ...cioè R3 in parallelo con un c.to c.to

Se poi ridisegni il circuito così:
Immagine
il parallelo lo vedi subito

P.s.
chiedo scusa per non aver usato FidoCad
Avatar utente
Foto UtenteGoo
10 3
 
Messaggi: 33
Iscritto il: 16 set 2012, 16:06

1
voti

[5] Re: Resistenza e corto circuito dubbio esercizio

Messaggioda Foto Utentetipu91 » 17 feb 2013, 17:21

secondo me un modo per non "cascare" in questo errore, è quello di ricordarti a cosa corrisponde un cortocircuito: CADUTA DI TENSIONE NULLA, quindi i due nodi collegati dal cortocircuito sono allo stesso potenziale.. in questo caso devi interpretarla così:



la resistenza 1 ha come terminali A e C mentre la resistenza 3 ha come terminali i nodi A e D. Ricordandoci il "significato" di cortocircuito, si può notare che il nodo C e il nodo D sono allo stesso potenziale, quindi in realtà sono lo C e D stesso nodo, il che ci porta ad affermare che le due resistenze hanno i terminali (iniziale e finale) in comune, ovvero sono in PARALLELO!!

non sono sicuro che questo ragionamento sia molto "elegante" dal punto di vista teorico, ma posso assicurarti che dal punto di vista "operativo" funziona ed è efficace :ok:
Avatar utente
Foto Utentetipu91
1.015 6 13
Expert EY
Expert EY
 
Messaggi: 229
Iscritto il: 12 nov 2012, 18:46
Località: Pisa

0
voti

[6] Re: Resistenza e corto circuito dubbio esercizio

Messaggioda Foto UtenteMac1992 » 17 feb 2013, 18:24

Solitamente unisco i nodi collegati con dei cortocircuiti a matita direttamente sul testo per visualizzare se sono in serie o in parallelo. Non è un consiglio dei più elaborati ma nel mio caso è efficace :ok:
Avatar utente
Foto UtenteMac1992
-4 1 2
 
Messaggi: 24
Iscritto il: 3 feb 2013, 22:37

1
voti

[7] Re: Resistenza e corto circuito dubbio esercizio

Messaggioda Foto Utentenunziato » 17 feb 2013, 18:46

Ovviamente ognuno ha il suo metodo ma io di solito consiglio di ridisegnare il circuito, quindi vorrei aggiungere qulacosa a quanto già correttamente detto.
Essendo i punti C e D allo stesso potenziale e quindi lo stesso punto, il circuito può essere ridisegnato come segue:

e quindi ridisegnando ulteriormente:

dal quale si evince ovviamente che R1 ed R3 sono in parallelo e questo parallelo è in serie con R2 ed R5.
Avatar utente
Foto Utentenunziato
4.291 3 9 12
Master EY
Master EY
 
Messaggi: 531
Iscritto il: 14 dic 2012, 23:14
Località: Acri (CS) - Polistena (RC)

0
voti

[8] Re: Resistenza e corto circuito dubbio esercizio

Messaggioda Foto UtenteVibia » 17 feb 2013, 20:18

Grazie a tutti per le risposte, cercherò di farne tesoro :D
Avatar utente
Foto UtenteVibia
101 2 7
Frequentatore
Frequentatore
 
Messaggi: 215
Iscritto il: 12 feb 2013, 22:53

0
voti

[9] Re: Resistenza e corto circuito dubbio esercizio

Messaggioda Foto UtenteVibia » 17 feb 2013, 20:56

Scusatemi se insisto,
per provare a capire se ho commesso errori, ho provato a calcolarmi la resistenza equivalente ai morsetti a e b per applicare Thevenin.

Dopo aver spento tutti i generatori, ho considerato
R_{Eq} =[(R_1//R_3)//(R_4//R_2)]+R_5+R_6


Grazie di nuovo per il supporto :D :D
Allegati
Cattura.PNG
Cattura.PNG (23.35 KiB) Osservato 13464 volte
Avatar utente
Foto UtenteVibia
101 2 7
Frequentatore
Frequentatore
 
Messaggi: 215
Iscritto il: 12 feb 2013, 22:53

0
voti

[10] Re: Resistenza e corto circuito dubbio esercizio

Messaggioda Foto Utentetipu91 » 17 feb 2013, 21:01

Vibia ha scritto:Dopo aver spento tutti i generatori, ho considerato
R_{Eq} =[(R_1//R_3)//(R_4//R_2)]+R_5+R_6


Fuochino :mrgreen: io direi così:

R_{Eq} =[(R_1//R_3)+(R_4//R_2)]+R_5+R_6 ;-)
Avatar utente
Foto Utentetipu91
1.015 6 13
Expert EY
Expert EY
 
Messaggi: 229
Iscritto il: 12 nov 2012, 18:46
Località: Pisa

Prossimo

Torna a Elettrotecnica generale

Chi c’è in linea

Visitano il forum: Nessuno e 13 ospiti