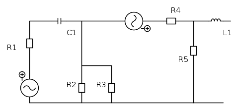
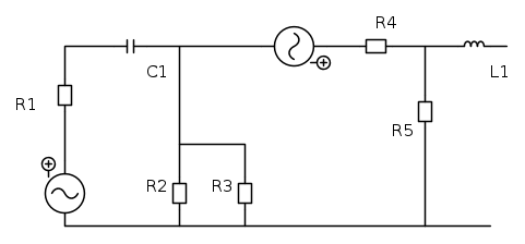
Ragazzi come nel mio primo post con il regime stazionario sono passato a qualcosa di piu complesso, riporto un esercizio dove dovrei trovare tutte le correnti avendo note, tensioni, resistori, induttanze e condensatori. Essendo alle prime armi quale tipo di approccio dovrei usare per la risoluzione dell'esercizio in questione? sto studiando la teoria ma avrei bisogno di qualche linea guida per lo meno per iniziare. Vi ri-ringrazio anticipatamente.
V1=10SIN(2t+2)
V2=5SIN(2t+32)
R1=1 Ohm
R2=2 Ohm
R3=2 Ohm
R4=2 Ohm
R5=2 Ohm
L=0.2H
C=2 F
Update: riporto i dati.
esercizio regime sinusoidale
Moderatori:
g.schgor,
IsidoroKZ
12 messaggi
• Pagina 1 di 2 • 1, 2
0
voti
si sono isofrequenziali (non avevo riportato le grandezze note) ovviamente intendi che hanno la stessa pulsazione
giusto?
giusto?1
voti
Yes
E allora, visto che stai iniziando con la teoria, da questa starai imparando certamente come manipolare le grandezze elettriche in regime sinusoidale, no
E soprattutto come si rappresentano i bipoli elementari (induttori, condensatori, resistori e loro combinazioni) nel famigerato dominio dei fasori, giusto
Quindi ti dovrebbero suonare familiari i concetti di impedenza, ammettenza e via discorrendo...
Se è così, direi allora di iniziare partendo proprio dalla rappresentazione fasoriale di tutti i bipoli che hai in questo circuito e poi discutere il seguito
E allora, visto che stai iniziando con la teoria, da questa starai imparando certamente come manipolare le grandezze elettriche in regime sinusoidale, no
Se è così, direi allora di iniziare partendo proprio dalla rappresentazione fasoriale di tutti i bipoli che hai in questo circuito e poi discutere il seguito

"Lo scienziato descrive ciò che esiste, l'ingegnere crea ciò che non era mai stato."
(T. von Kármán)
(T. von Kármán)
0
voti
che i generatori fossero isofrequenziali lo si vedeva dalle espressioni dei due generatori.
quello che non si vede è chi sono V1 e V2.
ma il circuito è aperto dal lato dell'induttanza?
perché se così fosse L1 non entra affatto in gioco, risolvi il parallelo tra R1 e R3, e puoi applicare Millman.
ovviamente passando prima per il dominio fasoriale.
edit: pardon, sovrapposto a
jordan20
ri-edit: solo ora capisco la domanda in [2], i dati sono stati aggiunti dopo.
quello che non si vede è chi sono V1 e V2.
ma il circuito è aperto dal lato dell'induttanza?
perché se così fosse L1 non entra affatto in gioco, risolvi il parallelo tra R1 e R3, e puoi applicare Millman.
ovviamente passando prima per il dominio fasoriale.
edit: pardon, sovrapposto a
ri-edit: solo ora capisco la domanda in [2], i dati sono stati aggiunti dopo.
0
voti
lillo ha scritto:che i generatori fossero isofrequenziali lo si vedeva dalle espressioni dei due generatori.
Si, l'ho chiesto perché al momendo della domanda
lillo ha scritto:pardon, sovrapposto a jordan20
sovrapposto...
"Lo scienziato descrive ciò che esiste, l'ingegnere crea ciò che non era mai stato."
(T. von Kármán)
(T. von Kármán)
0
voti
me ne sono accorto... mi sembrava strano che tu non te ne fossi accorto... poi ho visto l'orario della modifica e ho capito la domanda...
quando si usa fidocadj senza polemiche è un piacere aiutare
jordan20 ha scritto:sovrapposto... lillo gli stai già dando qualche suggerimento
quando si usa fidocadj senza polemiche è un piacere aiutare
0
voti
Scusate una domanda, in un esercizio già svolto trovo 2 GIT isofrequenziali:

il prof prende come riferimento V1, quindi
se t=0 perché si prende -5? è la differenza tra i 2 sfasamenti? spero di non aver detto un sciocchezza enorme.
OFF-Topic: Per quanto riguardo FidoCadj, a mio parere è un bellissimo strumento, soprattutto perché è di facile utilizzo e perché può essere usato nei forum con un semplice copia-incolla.

il prof prende come riferimento V1, quindi

se t=0 perché si prende -5? è la differenza tra i 2 sfasamenti? spero di non aver detto un sciocchezza enorme.
OFF-Topic: Per quanto riguardo FidoCadj, a mio parere è un bellissimo strumento, soprattutto perché è di facile utilizzo e perché può essere usato nei forum con un semplice copia-incolla.
0
voti
mamflo ha scritto:se t=0 perché si prende -5? è la differenza tra i 2 sfasamenti? spero di non aver detto un sciocchezza enorme.
t=0 non ha nulla a che vedere con il passaggio nel dominio fasoriale.
passando ai fasori non imponiamo un tempo nullo, ma facciamo in modo di svincolarci da esso.
se scriviamo i due fasori nella loro forma polare otterremmo:


dove come il tuo prof ho usato i valori massimi, anche se si preferisce usare quelli efficaci.
se prendiamo V1 come riferimento, gli sfasamenti relativi tra le due tensioni restano invariati, quindi la fase di V2 sarà -5.
0
voti
Ma perché col segno - ?
Come si fa il segno dei fasori con il tex?
Come si fa il segno dei fasori con il tex?
12 messaggi
• Pagina 1 di 2 • 1, 2
Torna a Elettrotecnica generale
Chi c’è in linea
Visitano il forum: Nessuno e 79 ospiti

Elettrotecnica e non solo (admin)
Un gatto tra gli elettroni (IsidoroKZ)
Esperienza e simulazioni (g.schgor)
Moleskine di un idraulico (RenzoDF)
Il Blog di ElectroYou (webmaster)
Idee microcontrollate (TardoFreak)
PICcoli grandi PICMicro (Paolino)
Il blog elettrico di carloc (carloc)
DirtEYblooog (dirtydeeds)
Di tutto... un po' (jordan20)
AK47 (lillo)
Esperienze elettroniche (marco438)
Telecomunicazioni musicali (clavicordo)
Automazione ed Elettronica (gustavo)
Direttive per la sicurezza (ErnestoCappelletti)
EYnfo dall'Alaska (mir)
Apriamo il quadro! (attilio)
H7-25 (asdf)
Passione Elettrica (massimob)
Elettroni a spasso (guidob)
Bloguerra (guerra)



