Ma un bel modo per simulare la marcia tramite un controllo PI non si può fare?
Traiettoria
Moderatori:
dimaios,
carlomariamanenti
28 messaggi
• Pagina 3 di 3 • 1, 2, 3
0
voti
[22] Re: Traiettoria
In fin dei conti io quello che devo fare è una simulazione della marca di un veicolo... che parte con accelerazione massima di
va a regime a velocità costante e poi frena (con decelerazione massima di
) a 1000 m (la frenata deve essere compresa nei 1000 m)
Come potrei simulare tutto ciò?
va a regime a velocità costante e poi frena (con decelerazione massima di
) a 1000 m (la frenata deve essere compresa nei 1000 m)Come potrei simulare tutto ciò?
2
voti
[23] Re: Traiettoria
ciccio ha scritto:Ma un bel modo per simulare la marcia tramite un controllo PI non si può fare?
No. Il PI non ha nulla a che fare con il controllo ottimo. Semmai si ottimizzano i parametri del PID rispetto ad una cifra di merito.
ciccio ha scritto:In fin dei conti io quello che devo fare è una simulazione della marca di un veicolo... che parte con accelerazione massima di 1 m/s^2va a regime a velocità costante e poi frena (con decelerazione massima di -1m/s^2) a 1000 m (la frenata deve essere compresa nei 1000 m)
Falso. C'e' il vincolo sulla accelerazione ma anche sulla velocita'.
Il metodo piu' semplice ma anche "pericoloso" per risolvere il problema e' quello di impiegare un ottimizzatore globale facente uso di algoritmi di programmazione non lineare partendo da un certo profilo iniziale della forza e convergendo ad una soluzione.
Se devi fare un'ottimizzazione vincolata seria molto meglio impiegare il Pontryagin's minimum principle.
In definitiva vuoi ottenere qualcosa tipo questo.
Devi cercare nella categoria "planning trajectories minimum time bounded acceleration bounded speed".
E' un tipico problema di robotica industriale.
Ingegneria : alternativa intelligente alla droga.
-

dimaios
30,2k 7 10 12 - G.Master EY

- Messaggi: 3381
- Iscritto il: 24 ago 2010, 14:12
- Località: Behind the scenes
0
voti
[24] Re: Traiettoria
Ciao,
Scusami se non sono molto ferrato su questi argomenti ma sistemi automatici è forse una delle materie più difficili che ho incontrato.
Dunque un controllo tramite PID prevede in genere un sistema di retroazione giusto?
Nel caso invece dei vari controlli di cui abbiamo parlato fino ad ora essi sono in catena aperta? ... nel senso risolto il problema di ottimo conosco la funzione forza F(t) che devo dare istante per istante e quindi non ho bisogno di un'info di retroazione?
Scusami se non sono molto ferrato su questi argomenti ma sistemi automatici è forse una delle materie più difficili che ho incontrato.
Dunque un controllo tramite PID prevede in genere un sistema di retroazione giusto?
Nel caso invece dei vari controlli di cui abbiamo parlato fino ad ora essi sono in catena aperta? ... nel senso risolto il problema di ottimo conosco la funzione forza F(t) che devo dare istante per istante e quindi non ho bisogno di un'info di retroazione?
2
voti
[27] Re: Traiettoria
A questo punto ammetto di non aver capito cosa vuoi ottenere realmente.
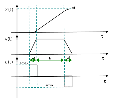
Se hai un limite massimo sull'accelerazione e sulla velocita', per raggiungere il punto finale partendo da fermo e completando la traiettoria fermo avrai un diagramma come quello in figura.
I tempi
e
sono identici e te li calcoli avendo a disposizione
ed
( che sono uguali in valore assoluto ) e la velocita'
visto che il moto durante la rampa e' uniformemente accelerato.
A questo punto ti rimane da calcolare
che pero' e' ricavabile dal fatto che l'area di
deve essere pari a
che conosci.
A questo punto sai tutto della traiettoria. Infatti essendo la velocita' lineare negli intervalli
e
implica che la traiettoria
risulta parabolica. Nel tratto
,
risulta una retta.
Avendo la traiettoria ti ricavi
dalla formula diretta.

Comunque sono molto scettico sul problema reale.
Sicuro che devi fare la simulazione diretta in questi termini ? Mah ..... ci farei un pensierino.
Se hai un limite massimo sull'accelerazione e sulla velocita', per raggiungere il punto finale partendo da fermo e completando la traiettoria fermo avrai un diagramma come quello in figura.
I tempi
e
sono identici e te li calcoli avendo a disposizione
ed
( che sono uguali in valore assoluto ) e la velocita'
visto che il moto durante la rampa e' uniformemente accelerato.A questo punto ti rimane da calcolare
che pero' e' ricavabile dal fatto che l'area di
deve essere pari a
che conosci.A questo punto sai tutto della traiettoria. Infatti essendo la velocita' lineare negli intervalli
e
implica che la traiettoria
risulta parabolica. Nel tratto
,
risulta una retta.Avendo la traiettoria ti ricavi
dalla formula diretta.
Comunque sono molto scettico sul problema reale.
Sicuro che devi fare la simulazione diretta in questi termini ? Mah ..... ci farei un pensierino.
Ingegneria : alternativa intelligente alla droga.
-

dimaios
30,2k 7 10 12 - G.Master EY

- Messaggi: 3381
- Iscritto il: 24 ago 2010, 14:12
- Località: Behind the scenes
0
voti
[28] Re: Traiettoria
Quello che in concreto devo ottenere è scritto precisamente qui: http://mecsys.mecc.polimi.it/Didattica/ ... dinale.pdf
da pagina 38 a pagina 41 ... Essi sono proprio i grafici che mi interessano, solamente che li non si vede la frenata del treno mentre a me interessa anche quella parte li, che può essere a decelerazione costante.
da pagina 38 a pagina 41 ... Essi sono proprio i grafici che mi interessano, solamente che li non si vede la frenata del treno mentre a me interessa anche quella parte li, che può essere a decelerazione costante.
28 messaggi
• Pagina 3 di 3 • 1, 2, 3
Torna a Automazione industriale ed azionamenti
Chi c’è in linea
Visitano il forum: Nessuno e 2 ospiti

Elettrotecnica e non solo (admin)
Un gatto tra gli elettroni (IsidoroKZ)
Esperienza e simulazioni (g.schgor)
Moleskine di un idraulico (RenzoDF)
Il Blog di ElectroYou (webmaster)
Idee microcontrollate (TardoFreak)
PICcoli grandi PICMicro (Paolino)
Il blog elettrico di carloc (carloc)
DirtEYblooog (dirtydeeds)
Di tutto... un po' (jordan20)
AK47 (lillo)
Esperienze elettroniche (marco438)
Telecomunicazioni musicali (clavicordo)
Automazione ed Elettronica (gustavo)
Direttive per la sicurezza (ErnestoCappelletti)
EYnfo dall'Alaska (mir)
Apriamo il quadro! (attilio)
H7-25 (asdf)
Passione Elettrica (massimob)
Elettroni a spasso (guidob)
Bloguerra (guerra)


