circuito per ritardo di un secondo
Moderatori:
carloc,
g.schgor,
BrunoValente,
IsidoroKZ
0
voti
normalmente chiuso. quando dai Vcc è come se il tasto start è già premuto, poi il relè si eccita e si apre il circuito, e il timer continua per 40 secondi. poi si ferma perché finché c'è Vcc il relè è eccitato e il pin 2 non va nuovamente a massa.
1
voti
Lo schema che viene fuori è un accrocchio, che non funziona.
Un errore che un elettronico non dovrebbe mai fare è quello di affezionarsi ad un circuito sbagliato.
E' capitato anche a me in passato, come credo che sia capitato anche a molti altri.
Non comportarti come quel giocatore che continua a giocare per riprendersi i soldi che ha perso.
Considera che se non vuoi smontare il circuito che hai già fatto puoi sempre lasciarlo lì e magari tagliare solo le piste di alimentazione al tutto. Il rele di uscita rimarrà aperto e non darà fastidio.
Secondo me risparmierai tempo e farai un circuito migliore.
Se non vuoi ascoltare me ascolta quello che ti ha detto
g.schgor, fidati, lui se ne intende davvero.
Ciao,
Pietro.
Un errore che un elettronico non dovrebbe mai fare è quello di affezionarsi ad un circuito sbagliato.
E' capitato anche a me in passato, come credo che sia capitato anche a molti altri.
Non comportarti come quel giocatore che continua a giocare per riprendersi i soldi che ha perso.
Considera che se non vuoi smontare il circuito che hai già fatto puoi sempre lasciarlo lì e magari tagliare solo le piste di alimentazione al tutto. Il rele di uscita rimarrà aperto e non darà fastidio.
Secondo me risparmierai tempo e farai un circuito migliore.
Se non vuoi ascoltare me ascolta quello che ti ha detto
Ciao,
Pietro.
-

PietroBaima
90,7k 7 12 13 - G.Master EY

- Messaggi: 12206
- Iscritto il: 12 ago 2012, 1:20
- Località: Londra
0
voti
ezio3010 ha scritto:...sarebbe meglio che lo disegnaste voi il circuito come dovrebbe essere, in tutto e per tutto
Io invece propongo di disegnarlo insieme, così risulta costruttivo per te...
Ti assicuro che capire il funzionamento di un circuito, realizzarlo e vederlo funzionare è molto di più che realizzare una cosa che fa quel che deve ma non si capisce bene perché e per come...
Per la mia curiosità, e forse anche quella di
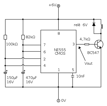
Ho realizzato su breadboard un oscillatore che, con 100k e 47uF come valori della rete RC sul reset, inizia ad oscillare dopo circa 1 secondo, perciò è una possibile soluzione, seppur abbastanza imprecisa e fortemente dipendente da svariati fattori
A questo punto domando a te,
, Luca.0
voti
Sarà una cavolata colossale, però il mio consiglio è di usare una catena di flip-flop al fine di ottenere un ritardo dal primo fino all'n-imo (anche se però non ne sono sicuro ) considerato il fatto che l'informazione passa dal primo all'ultimo in n istanti di tempo. Tuttavia, lo stessa catena di flip flop (di tipo D) è stata utilizzata per ottenere un tempo morto per garantire l'esclusività di switches in un inverter trifase. Dato che ha funzionato, ti do questo consiglio. Ciao e salutissimi!
1
voti
belva87 ha scritto:Per la mia curiosità, e forse anche quella diPietroBaima, ho provato questa mattina l'uso della rete RC sul pin di reset e... funziona
Ottimo!
Allora anche io ho fatto qualche esperimento, ma con il simulatore.
Ho provato a simularlo e mi viene fuori questo comportamento
Con questo è tutto, un grosso saluto!
Pietro.
EDIT: avevo postato il circuito sbagliato, adesso ho riportato quello corretto.
-

PietroBaima
90,7k 7 12 13 - G.Master EY

- Messaggi: 12206
- Iscritto il: 12 ago 2012, 1:20
- Località: Londra
2
voti
auguri per una pronta guarigione!
-

PietroBaima
90,7k 7 12 13 - G.Master EY

- Messaggi: 12206
- Iscritto il: 12 ago 2012, 1:20
- Località: Londra
Chi c’è in linea
Visitano il forum: Nessuno e 210 ospiti

Elettrotecnica e non solo (admin)
Un gatto tra gli elettroni (IsidoroKZ)
Esperienza e simulazioni (g.schgor)
Moleskine di un idraulico (RenzoDF)
Il Blog di ElectroYou (webmaster)
Idee microcontrollate (TardoFreak)
PICcoli grandi PICMicro (Paolino)
Il blog elettrico di carloc (carloc)
DirtEYblooog (dirtydeeds)
Di tutto... un po' (jordan20)
AK47 (lillo)
Esperienze elettroniche (marco438)
Telecomunicazioni musicali (clavicordo)
Automazione ed Elettronica (gustavo)
Direttive per la sicurezza (ErnestoCappelletti)
EYnfo dall'Alaska (mir)
Apriamo il quadro! (attilio)
H7-25 (asdf)
Passione Elettrica (massimob)
Elettroni a spasso (guidob)
Bloguerra (guerra)


pigreco]=π


