Correzione tensione da Vac a Vcc
Moderatori:
carloc,
g.schgor,
BrunoValente,
IsidoroKZ
29 messaggi
• Pagina 1 di 3 • 1, 2, 3
0
voti
Salve. Avrei una richiesta. Per passare da una tensione di 24Vca ad una di 12Vcc con una potenza disponibile in prelievo di almeno 15W come posso fare? Avrei bisogno di qualcosa di compatto, quindi niente trasformatori o simili... per raddrizzarla tutto ok, ma per abbassarla a 12V??Grazie...!
0
voti
lo schema è molto semplice, e i componenti occupano poco spazio
0
voti
hai provato a cercare su google? ho trovato questo (oltre a tanti altri, ovviamente)
http://www.raoli.it/index.php/e-commerc ... 5/158.html
http://www.raoli.it/index.php/e-commerc ... 5/158.html
Almeno l'itagliano sallo...
0
voti
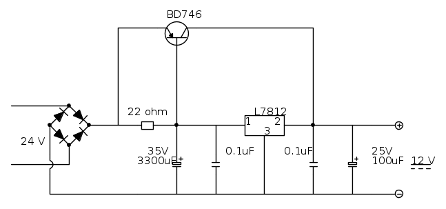
io tempo fa ho costruito un alimentatore, e per ovviare al fatto che il regolatore arriva max ad 1A, allora ho inserito un transistor come vedi in figura, solo che poi va messo un dissipatore se devi collegarci dei carichi che assorbono parecchio
0
voti

"Non farei mai parte di un club che accettasse la mia iscrizione" (G. Marx)
-

claudiocedrone
21,3k 4 7 9 - Master EY

- Messaggi: 15302
- Iscritto il: 18 gen 2012, 13:36
0
voti
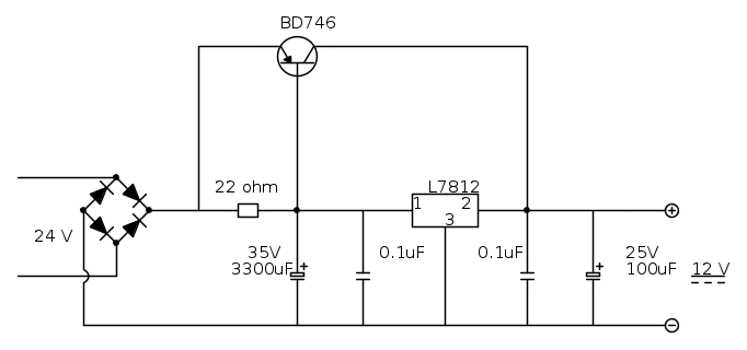
Il transistor fa esclusivamente da bypass di corrente.
"Non farei mai parte di un club che accettasse la mia iscrizione" (G. Marx)
-

claudiocedrone
21,3k 4 7 9 - Master EY

- Messaggi: 15302
- Iscritto il: 18 gen 2012, 13:36
0
voti
In realtà senza trasformatore, come chiede il poster, l'unica soluzione sensata è uno stepdown (ovvero uno switching); inoltre chiede 15 W sui 12 V ma non dice quanti watt ha a disposizione sui 24 v alternati... 

"Non farei mai parte di un club che accettasse la mia iscrizione" (G. Marx)
-

claudiocedrone
21,3k 4 7 9 - Master EY

- Messaggi: 15302
- Iscritto il: 18 gen 2012, 13:36
29 messaggi
• Pagina 1 di 3 • 1, 2, 3
Chi c’è in linea
Visitano il forum: Nessuno e 60 ospiti

Elettrotecnica e non solo (admin)
Un gatto tra gli elettroni (IsidoroKZ)
Esperienza e simulazioni (g.schgor)
Moleskine di un idraulico (RenzoDF)
Il Blog di ElectroYou (webmaster)
Idee microcontrollate (TardoFreak)
PICcoli grandi PICMicro (Paolino)
Il blog elettrico di carloc (carloc)
DirtEYblooog (dirtydeeds)
Di tutto... un po' (jordan20)
AK47 (lillo)
Esperienze elettroniche (marco438)
Telecomunicazioni musicali (clavicordo)
Automazione ed Elettronica (gustavo)
Direttive per la sicurezza (ErnestoCappelletti)
EYnfo dall'Alaska (mir)
Apriamo il quadro! (attilio)
H7-25 (asdf)
Passione Elettrica (massimob)
Elettroni a spasso (guidob)
Bloguerra (guerra)




