da
mrc » 6 mar 2013, 10:30
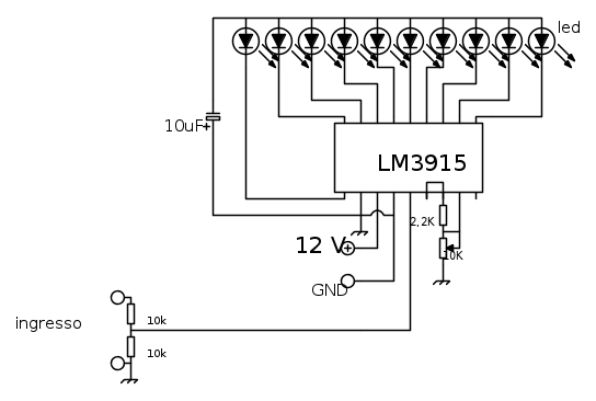
Le immagini che hai postato sono quelle relative ai circuiti stampati.
Per facilitare il compito a chi ti risponderà dovresti postare i disegni dei circuiti elettrici.
Ricavarsi il disegno del circuito da quello dello stampato è un lavoro lungo e dispendioso.
Solo così facendo si può valutare, in maniera leggermente più semplice, se ci sono eventuali errori.
mariocoppola ha scritto:...i componenti li devo disegnare io o c'è qualche database da qualche parte nei meandri più oscuri di codesto software...
In FIDOCADJ non c' è nulla di oscuro.
Aprendo FIDOCADJ i componenti li trovi sulla destra, nel menù a "tendina", come da immagine:

- FidoCadJ.JPG (6.24 KiB) Osservato 4677 volte
Cliccando sui vari + si aprono delle "tendine" da cui puoi accedere agli elenchi dei vari componenti.