ciao a tutti volevo fare una domanda un po' stupida...
Ho un eeprom seriale 25LC256 connessa in un certo modo per condividere alcuni segnali con un microcontrollore.
A parte questa stranezza la domanda è:
nel caso in cui la VCC fosse connessa alla GND e un qualsiasi altro pin a livello logico alto, potrebbe danneggiarsi l'integrato?
Spero sia chiaro altrimenti posto lo schema appena ho un attimo di tempo
pin alimentazione a massa
Moderatori:
carloc,
g.schgor,
BrunoValente,
IsidoroKZ
18 messaggi
• Pagina 1 di 2 • 1, 2
0
voti
Ciao
franticEY.
Cioè ti sei reso conto, alimentando il circuito, di avere la Vcc in cortocircuito con la massa e alcuni pin della eeprom che si trovano normalmete a livello alto?
franticEY ha scritto:..nel caso in cui la VCC fosse connessa alla GND e un qualsiasi altro pin a livello logico alto, potrebbe danneggiarsi l'integrato?
Cioè ti sei reso conto, alimentando il circuito, di avere la Vcc in cortocircuito con la massa e alcuni pin della eeprom che si trovano normalmete a livello alto?
0
voti
per come è configurato adesso a schema (fatto da altri) potrebbe capitare che il pin della VCC sia connesso a massa e un qualsiasi altro pin che sono ChipSelect,Sclk,Miso,Mosi, siano a livello logico alto
0
voti
Potresti spiegare perché dici che:
Detto così sembrerebbe una cosa voluta e non ha molto senso.
franticEY ha scritto:..come è configurato adesso...potrebbe capitare che il pin della VCC sia connesso a massa...
Detto così sembrerebbe una cosa voluta e non ha molto senso.
1
voti
Se si ha un circuito elettronico alimentato, come in figura:
cioè con l' alimentatore praticamente in cortocircuito. Quando si da tensione, al circuito elettronico non succede nulla.
In questo caso chi ci rimette è l' alimentatore.
cioè con l' alimentatore praticamente in cortocircuito. Quando si da tensione, al circuito elettronico non succede nulla.
In questo caso chi ci rimette è l' alimentatore.
0
voti
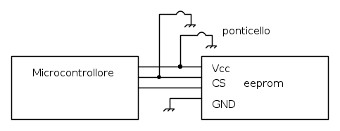
allora lo schema dovrebbe essere questo:
l'integrato si alimenta con un pin del micro.
Io supponevo che i ponticelli fossero sempre staccati nel caso di utilizzo di questo ic.
Oggi mi hanno detto che potrebbe capitare che alcuni ponticelli potrebbero essere attaccati portando così i segnali a gnd (compresa la Vcc).
Poniamo il caso della Vcc attaccata alla GND e un pin a pull-upato a Vcc scheda...
Ci sono rischi di danneggiamento?
Come potrei capirlo?
l'integrato si alimenta con un pin del micro.
Io supponevo che i ponticelli fossero sempre staccati nel caso di utilizzo di questo ic.
Oggi mi hanno detto che potrebbe capitare che alcuni ponticelli potrebbero essere attaccati portando così i segnali a gnd (compresa la Vcc).
Poniamo il caso della Vcc attaccata alla GND e un pin a pull-upato a Vcc scheda...
Ci sono rischi di danneggiamento?
Come potrei capirlo?
0
voti
Prove di continuità a circuito spento


"Non farei mai parte di un club che accettasse la mia iscrizione" (G. Marx)
-

claudiocedrone
21,3k 4 7 9 - Master EY

- Messaggi: 15302
- Iscritto il: 18 gen 2012, 13:36
0
voti
semplicemente tenendo a livello logico alto tale pin....
non li ho disegnati ma i segnali che vanno alla eeprom hanno tutti un pull-up di 10k.....
@claudiocedrone potresti spiegarmi meglio?
non li ho disegnati ma i segnali che vanno alla eeprom hanno tutti un pull-up di 10k.....
@claudiocedrone potresti spiegarmi meglio?
18 messaggi
• Pagina 1 di 2 • 1, 2
Chi c’è in linea
Visitano il forum: Nessuno e 296 ospiti

Elettrotecnica e non solo (admin)
Un gatto tra gli elettroni (IsidoroKZ)
Esperienza e simulazioni (g.schgor)
Moleskine di un idraulico (RenzoDF)
Il Blog di ElectroYou (webmaster)
Idee microcontrollate (TardoFreak)
PICcoli grandi PICMicro (Paolino)
Il blog elettrico di carloc (carloc)
DirtEYblooog (dirtydeeds)
Di tutto... un po' (jordan20)
AK47 (lillo)
Esperienze elettroniche (marco438)
Telecomunicazioni musicali (clavicordo)
Automazione ed Elettronica (gustavo)
Direttive per la sicurezza (ErnestoCappelletti)
EYnfo dall'Alaska (mir)
Apriamo il quadro! (attilio)
H7-25 (asdf)
Passione Elettrica (massimob)
Elettroni a spasso (guidob)
Bloguerra (guerra)




