Salve a tutti,
potete gentilmente aiutarmi, devo realizzare un piccolo circuito che ha la seguente funzione:
- con ingresso = 1 , l' uscita deve essere = 1 per x secondi (es. 1 sec) e poi torna a zero, anche se l'ingresso è ancora a 1
- con ingresso = 0 , l' uscita deve essere = 1 per x secondi (es. 1 sec) e poi torna a zero, anche se l'ingresso è ancora a 0
Avevo pensato all'uso di un NE555 ma come...
Grazie.
Ingresso che varia e uscita temporizzata
Moderatori:
carloc,
g.schgor,
BrunoValente,
IsidoroKZ
12 messaggi
• Pagina 1 di 2 • 1, 2
0
voti
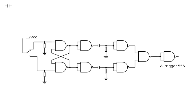
Ecco una possibile soluzione (ad ves. con 2 integrati 4011):
L'uscita del circuito pilota il trigger (pin2)
di un 555 monostabile, tarato per 1s..
L'uscita del circuito pilota il trigger (pin2)
di un 555 monostabile, tarato per 1s..
0
voti
Ho appena realizzato un circuito che svolge esattamente questa funzione.
Però ho lo schema soltanto in Eagle, appena ho tempo lo trascrivo in Fidocad e lo posto. Se vuoi ti passo anche i PCB già fatti (sempre che ti vada bene)!
Mi sorge un unico dubbio, ma per ingresso = 1 si intende alto, e ok, ma tipo un 5V? 12V?
Però ho lo schema soltanto in Eagle, appena ho tempo lo trascrivo in Fidocad e lo posto. Se vuoi ti passo anche i PCB già fatti (sempre che ti vada bene)!Mi sorge un unico dubbio, ma per ingresso = 1 si intende alto, e ok, ma tipo un 5V? 12V?
0
voti
and87tn ha scritto:Mi sorge un unico dubbio, ma per ingresso = 1 si intende alto, e ok, ma tipo un 5 V? 12 V?
Dipende dalla tecnologia del circuito, basta scegliere le porte logiche da utilizzare e leggerne il datasheet.
-

marioursino
5.687 3 9 13 - G.Master EY

- Messaggi: 1598
- Iscritto il: 5 dic 2009, 4:32
0
voti
Nello schema è stato indicato +12V perché
nel testo è stato ipotizzato lì'impiego di CMOS4000.
Si osservi che qualora il segnale d'ingresso sia già
di tipo logico (quindi esente da rimbalzi), il SR-FF
iniziale può essere sostituito da un unico elemento
che inverta il segnale stesso ad uno dei gates successivi.
nel testo è stato ipotizzato lì'impiego di CMOS4000.
Si osservi che qualora il segnale d'ingresso sia già
di tipo logico (quindi esente da rimbalzi), il SR-FF
iniziale può essere sostituito da un unico elemento
che inverta il segnale stesso ad uno dei gates successivi.
0
voti
Grazie a tutti,
basta anche solo lo schema, gentilissimo...
L'alimentazione è quella di un impianto di un auto quindi 12v...
and87tn ha scritto:Ho appena realizzato un circuito che svolge esattamente questa funzione.Però ho lo schema soltanto in Eagle, appena ho tempo lo trascrivo in Fidocad e lo posto. Se vuoi ti passo anche i PCB già fatti (sempre che ti vada bene)!
Mi sorge un unico dubbio, ma per ingresso = 1 si intende alto, e ok, ma tipo un 5 V? 12 V?
basta anche solo lo schema, gentilissimo...
L'alimentazione è quella di un impianto di un auto quindi 12v...
0
voti
Spiego l'applicazione così si capisce meglio:
accendo il quadro dell'auto e ho alimentazione a 12V (il famoso ingresso che va a 1) e devo riavviare una mainboard di un PC che si trova in stand-by, tramite la chiusura di un interruttore (power switch) usando un relè, (la famosa uscita che va per un secondo a 1 e poi torna a 0).
Quando chiudo il quadro quindi mancanza dei 12v (il famoso ingresso che va a 0) devo rimettere in stand-by il PC tramite la chiusura del solito interruttore (power switch) usando un relè, (sempre la famosa uscita che va per un secondo a 1 e poi torna a 0).
accendo il quadro dell'auto e ho alimentazione a 12V (il famoso ingresso che va a 1) e devo riavviare una mainboard di un PC che si trova in stand-by, tramite la chiusura di un interruttore (power switch) usando un relè, (la famosa uscita che va per un secondo a 1 e poi torna a 0).
Quando chiudo il quadro quindi mancanza dei 12v (il famoso ingresso che va a 0) devo rimettere in stand-by il PC tramite la chiusura del solito interruttore (power switch) usando un relè, (sempre la famosa uscita che va per un secondo a 1 e poi torna a 0).
0
voti
Atomo ha scritto:no per quello non è un problema.... il circuito e il PC sono sempre alimentati da una 12 V fissa... altrimenti il PC non può rimanere in stand-by...
È il famoso filo grigio (o viola?) dello standard ATX, però mi sembra che si tratti di un 5 V che di solito è utilizzato per mantenere in alimentazione una manciata di porte USB.
-

marioursino
5.687 3 9 13 - G.Master EY

- Messaggi: 1598
- Iscritto il: 5 dic 2009, 4:32
12 messaggi
• Pagina 1 di 2 • 1, 2
Chi c’è in linea
Visitano il forum: Nessuno e 165 ospiti

Elettrotecnica e non solo (admin)
Un gatto tra gli elettroni (IsidoroKZ)
Esperienza e simulazioni (g.schgor)
Moleskine di un idraulico (RenzoDF)
Il Blog di ElectroYou (webmaster)
Idee microcontrollate (TardoFreak)
PICcoli grandi PICMicro (Paolino)
Il blog elettrico di carloc (carloc)
DirtEYblooog (dirtydeeds)
Di tutto... un po' (jordan20)
AK47 (lillo)
Esperienze elettroniche (marco438)
Telecomunicazioni musicali (clavicordo)
Automazione ed Elettronica (gustavo)
Direttive per la sicurezza (ErnestoCappelletti)
EYnfo dall'Alaska (mir)
Apriamo il quadro! (attilio)
H7-25 (asdf)
Passione Elettrica (massimob)
Elettroni a spasso (guidob)
Bloguerra (guerra)



