Cos'è ElectroYou | Login Iscriviti

ElectroYou - la comunità dei professionisti del mondo elettrico

Problema sul trifase

Circuiti, campi elettromagnetici e teoria delle linee di trasmissione e distribuzione dell’energia elettrica

Moderatori: Foto Utenteg.schgor, Foto UtenteIsidoroKZ

0
voti

[1] Problema sul trifase

Messaggioda Foto UtenteEneru » 24 mar 2013, 13:09

Ho iniziato da poco il trifase e provando a fare degli esercizi ne ho trovato uno in cui non riesco nemmeno a cominciare quindi vorrei chiedervi se potreste aiutarmi a risolverlo. Il problema è questo:

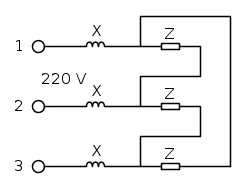
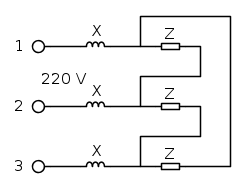
Dato il carico equilibrato in figura ricavare le correnti di fase e di linea, note X = 10 Ω, Z = 30 \Omega \angle 15^{\circ} ritardo.
220 V è la tensione concatenata.


Le soluzioni del libro sono: 8 A; 4,62 A
Avatar utente
Foto UtenteEneru
51 1 6
New entry
New entry
 
Messaggi: 68
Iscritto il: 3 lug 2012, 9:40
Località: Bergamo

2
voti

[2] Re: PROBLEMA SUL TRIFASE

Messaggioda Foto Utenteadmin » 24 mar 2013, 14:41

1-trasformi il triangolo delle Z nella stella equivalente: sia Zy
2-ogni ramo della stella ha in serie la X di linea: calcoli l'impedenza di ogni ramo, Zy1
3-ora calcoli la corrente di linea, Il, dividendo la tensione stellata per Zy1;
4-la corrente in ogni lato del triangolo la ottieni dividendo per radice quadrata di tre la corrente di linea
Avatar utente
Foto Utenteadmin
196,6k 9 12 17
Manager
Manager
 
Messaggi: 11950
Iscritto il: 6 ago 2004, 13:14

0
voti

[3] Re: Problema sul trifase

Messaggioda Foto Utentelillo » 24 mar 2013, 14:43

trasforma il triangolo di impedenze Z in una stella,
ragiona sul monofase equivalente, ricordandoti che dovrai far riferimento alla tensione fase terra,
trovi il valore efficace della corrente di linea,
trovi con la classica relazione quella di fase che circola nel triangolo.

ops...
Avatar utente
Foto Utentelillo
20,5k 7 12 13
G.Master EY
G.Master EY
 
Messaggi: 4172
Iscritto il: 25 nov 2010, 11:30
Località: Nuovo Mondo

0
voti

[4] Re: Problema sul trifase

Messaggioda Foto UtenteEneru » 24 mar 2013, 15:13

Grazie mille, era quello che avevo già provato a fare però non mi usciva giusto ora ho rifatto i calcoli e mi sono accorto che avevo sbagliato a convertire l'impedenza stellata da forma polare a quella con i numeri complessi.
Avatar utente
Foto UtenteEneru
51 1 6
New entry
New entry
 
Messaggi: 68
Iscritto il: 3 lug 2012, 9:40
Località: Bergamo


Torna a Elettrotecnica generale

Chi c’è in linea

Visitano il forum: Majestic-12 [Bot] e 35 ospiti