
Lavoro con due relè
Moderatori:
carloc,
g.schgor,
BrunoValente,
IsidoroKZ
12 messaggi
• Pagina 1 di 2 • 1, 2
0
voti
Salve a tutti ragazzi, vorrei avere alcune delucidazioni riguardo un mio problema. Allora, premetto che sono un pivello dell'elettronica ma che nel tempo libero non disdegna di fare alcuni "esperimenti". Vengo subito al dunque. Dispongo di due relè. Il primo è un HG 4117 http://www.datasheetcatalog.org/datasheets2/10/104158_1.pdf e l'altro è un g6rn-1 http://www.omron.com/ecb/products/pdf/en-g6rn.pdf. Vorrei sapere se, data ad entrambi alimentazione differente, cioè alimentati ciascuno con una batteria ad esso dedicata, il relè A, quando alimentato, può chiudere il passaggio di corrente a B ed aprirlo quando ad A viene tolta l'alimentazione? E, se possibile, come dovrei collegarli? Ho cercato nel web degli schemi a cui possa fare riferimento ma non sono riuscito a cercare quello che trovavo. Chiedo a voi quindi, qualora lo vogliate, darmi una dritta, magari con qualche schema per farmi capire se questa mia richiesta un po' aggrovigliata è fattibile o meno. Nell'attesa, vi ringrazio tutti anticipatamente. 

0
voti
Di HG 4117 esistono vari modelli dovresti specificare quale possiedi altrimenti non è possibile fare lo schema
MCSA Windows Server 2012 R2
Cisco CCNA R&S - Cisco CCNA Security - Cisco CCNA Cyber Ops
CompTia A+ - CompTia Linux+ - CompTIA Systems Support Specialist CSSS
CompTia Pentest+ LPIC-1 - VCP VMware - Cisco CCNP Enterprise
Cisco CCNA R&S - Cisco CCNA Security - Cisco CCNA Cyber Ops
CompTia A+ - CompTia Linux+ - CompTIA Systems Support Specialist CSSS
CompTia Pentest+ LPIC-1 - VCP VMware - Cisco CCNP Enterprise
0
voti
Innanzitutto grazie per avermi risposto
Dunque, sul relè c'è scritto HG 4117 012-ZC, è quello senza involucro, non so quanto questo possa essere di aiuto. 
1
voti
Ok perfetto, dammi un attimo e ti preparo lo schema
MCSA Windows Server 2012 R2
Cisco CCNA R&S - Cisco CCNA Security - Cisco CCNA Cyber Ops
CompTia A+ - CompTia Linux+ - CompTIA Systems Support Specialist CSSS
CompTia Pentest+ LPIC-1 - VCP VMware - Cisco CCNP Enterprise
Cisco CCNA R&S - Cisco CCNA Security - Cisco CCNA Cyber Ops
CompTia A+ - CompTia Linux+ - CompTIA Systems Support Specialist CSSS
CompTia Pentest+ LPIC-1 - VCP VMware - Cisco CCNP Enterprise
1
voti
Cobra47 ha scritto:Dispongo di due relè. Il primo è un HG 4117 ...e l'altro è un g6rn-1 ...
bene, il primo non avendone specificato il tipo immagino sia il modello 1, pertanto relè di potenza che funziona alla tensione di 12 Vdc ed ha un contatto NO (normalmente operto ...
Cobra47 ha scritto:Vorrei sapere se, data ad entrambi alimentazione differente, cioè alimentati ciascuno con una batteria ad esso dedicata, il relè A, quando alimentato, può chiudere il passaggio di corrente a B ed aprirlo quando ad A viene tolta l'alimentazione?
si !
Cobra47 ha scritto:...qualora lo vogliate, darmi una dritta...
ci provo..
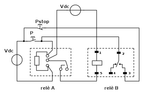
dunque chiameremo (visto che non l'hai specificato) i relè sopraindicati il primo relè con il nome A ed il secondo con il nome B, ed utilizzando il potente-semplice-gratuito e disponibile software di disegno fidocadj (per il quale trovi tutte le info necessarie alla voce Help del menu a tendina in alto) a rappresentare uno schemino semplice..utilizzando i simboli dei rispettivi datasheet che hai linkato diverebbe così..
tieni presente ch equesto schema è molto esemplifcativo, nel senso che non hai specificato la funzione die due relè, pertanto il funzionamento come indicato è semplice, ovvero premendo il pulsante P il primo relè A si eccita ed attraverso il suo contatto NO in serie all'alimentazione del relè B attiva quest'ultimo ma al rilascio del pulsante P viene a mancare alimentazione sul relè A che si diseccita aprendo il suo contatto NO lasciando senza alimentazione il relè B che si disecciterà anche lui.
Le condizoni possono cmabiare come i collegamenti ma specifica cosa ti occorre e meglio il tipo di relè A.
2
voti
Cobra47 ha scritto: Dunque, sul relè c'è scritto HG 4117 012-ZC...
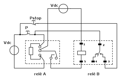
quindi un relè con contatto NO ed NC, ma se si vuole mantenre eccitato il relè A e diseccitarlo con un secondo relè si può sfruttare il contatto NO del relè B come segue:
in questo caso si attiva il sistema con il pulsante P si alimenta ed eccita il relè A, che poi attraverso il suo contatto NO attiverà il relè B quest'ultimo attraverso il suo contatto No manterrà alimentato il relè A ed il sistema rimarrà in piedi sin quando non si preme il pulsante stop Pstop che taglierà l'alimentazione ad A e tutto torna a riposo ...
Ora un amia piccola considerazione, si sta utilizzando il relè di potenza A per pilotar eil mini relè B, in genere è il contrario, cioè un piccolo relè pilota un grande relè perché si tende ad utilizzar ela portata maggiore dei contatti del relè di potenza,ovviamente questa considerazione è priva di ogni conoscenza del dispositivo e/o utilizzo degli schemi in questione...
0
voti
Wow, grazie 1
voti
MCSA Windows Server 2012 R2
Cisco CCNA R&S - Cisco CCNA Security - Cisco CCNA Cyber Ops
CompTia A+ - CompTia Linux+ - CompTIA Systems Support Specialist CSSS
CompTia Pentest+ LPIC-1 - VCP VMware - Cisco CCNP Enterprise
Cisco CCNA R&S - Cisco CCNA Security - Cisco CCNA Cyber Ops
CompTia A+ - CompTia Linux+ - CompTIA Systems Support Specialist CSSS
CompTia Pentest+ LPIC-1 - VCP VMware - Cisco CCNP Enterprise
1
voti
Cobra47 ha scritto:grazie mir per queste spiegazioni...
di nulla,
Cobra47 ha scritto:poniamo il caso di non operare con i pulsanti,
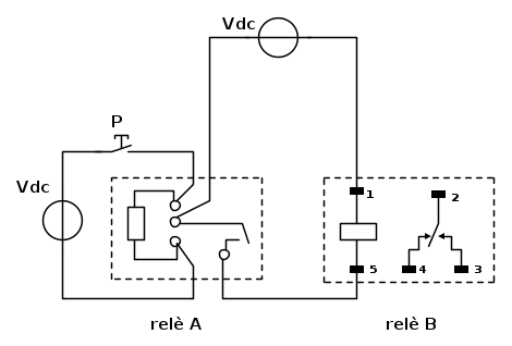
ok, quindi torniamo al primo schema e togliamo anche il pulsante P...
Cobra47 ha scritto:dando corrente al relè A attraverso la batteria dedicata, questo si eccita ed al tempo stesso lascia diseccitato B, che ricordo possiede anch'esso la sua batteria.
un momento in questo caso vanno valutate due condizioni, ovvero
caso 1 ..il relè A ha il relè B colegato sul contatto NO
quando il relè A è disalimentato quindi diseccitato anche il relè B lo è,perché il contatto NO di A taglia l'alimentazione di B,
quando il relè A è alimentato quindi eccitato si eccita anche il relè B, perché si chiude il contatto NO di A che alimenta B (tratto rosso)
il caso 2 invece vuole che il contatto di A che alimenta B sia l'NC ed allora si avrà la condizione contraria, cioè con A a riposo (cioè disalimentato) il relè B sarà eccitato perché il contatto NC a riposo di A condurrà, mentre con A alimentato B sarà diseccitato perché il contato NC si aprirà togliendo alimentazione a B.
--
ti rammento che è il contatto NO od NC (a seconda della condizione ch esceglierai9 che comanda il relè B pertanto, non può accadere l'inverso diciamo che la condizione del relè B è determinata dallo stato del contatto utilizzato del relè A.
spero di esser stato chiaro, in caso contrario chiedi pure.
1
voti
Perfetto
mir, chiaro ed esaustivo, non potevo chiedere di più
. Penso che seguirò l'ultimo schema da te postato, cioè quello relativo al caso 2 che sembra essere più affine al mio problema
. Come sempre dico, è un piacere riuscire a placare le proprie lacune su questo forum dove trovi persone che, oltre alla personale preparazione ed esperienza, hanno passione anche nello spiegare a parole semplici ciò che per un pivello in materia come me sarebbe difficile capire. Grazie mille a tutti!!! 
. Penso che seguirò l'ultimo schema da te postato, cioè quello relativo al caso 2 che sembra essere più affine al mio problema
12 messaggi
• Pagina 1 di 2 • 1, 2
Chi c’è in linea
Visitano il forum: Nessuno e 77 ospiti

Elettrotecnica e non solo (admin)
Un gatto tra gli elettroni (IsidoroKZ)
Esperienza e simulazioni (g.schgor)
Moleskine di un idraulico (RenzoDF)
Il Blog di ElectroYou (webmaster)
Idee microcontrollate (TardoFreak)
PICcoli grandi PICMicro (Paolino)
Il blog elettrico di carloc (carloc)
DirtEYblooog (dirtydeeds)
Di tutto... un po' (jordan20)
AK47 (lillo)
Esperienze elettroniche (marco438)
Telecomunicazioni musicali (clavicordo)
Automazione ed Elettronica (gustavo)
Direttive per la sicurezza (ErnestoCappelletti)
EYnfo dall'Alaska (mir)
Apriamo il quadro! (attilio)
H7-25 (asdf)
Passione Elettrica (massimob)
Elettroni a spasso (guidob)
Bloguerra (guerra)







