Cos'è ElectroYou | Login Iscriviti

ElectroYou - la comunità dei professionisti del mondo elettrico

Potenza assorbita da resistore e partitore di corrente

Circuiti, campi elettromagnetici e teoria delle linee di trasmissione e distribuzione dell’energia elettrica

Moderatori: Foto Utenteg.schgor, Foto UtenteIsidoroKZ

0
voti

[1] Potenza assorbita da resistore e partitore di corrente

Messaggioda Foto UtenteLondoneye » 5 apr 2013, 13:27

Salve a tutti,

Dopo il dilemma delle riduzioni serie-parallelo, ( che, pare mi si siano ficcate nel cervello :-P ), vorrei postare qui un esercizio più specifico e chiedere delle delucidazioni, approfittando della gentilezza di voi tutti.

Il testo chiede di calcolare la potenza erogata dal generatore J e la potenza assorbita dal resistore R1.
Il circuito è il seguente:



I valori dei componenti sono i seguenti:
R_1= 5 \Omega
R_2= 3 \Omega
R_3= 2 \Omega
R_4= 5 \Omega
R_5= 2 \Omega
J=5A

Per calcolare la potenza erogata da j uso la seguente formula : P= vJ ma siccome non ho la tensione, posso calcolarmela, in questo modo: v=RJ=Reqj

In primis, opero tutte le riduzioni possibili per i resistori. Guardando il circuito su, noto che i resistoriR_4 ed R_5 sono connessi serie:
R_A= R_4 - R_5 = 5\Omega +2 \Omega = 7 \Omega


I resistori R_1 ed R_2 sono in parallelo dunque:
R_B = R_1 || R_2  = (5\Omega  3\Omega)/ (5\Omega + 3\Omega)= 1.875 \Omega



I resistori R_B ed R_3 sono in serie fra loro e ricavo :
R_C= R_B -R_3 = 1.875\Omega + 2 \Omega = 3.875\Omega



Il resistore equivalente è dato da:
Req= R_C || R_A= (3.875\Omega 7\Omega)/(3.875\Omega + 7\Omega)= 2.9 \Omega

Ottenute tutti i resistori equivalenti, posso adesso calcolare la tensione v e di conseguenza, la Potenza erogata dal generatore J:

v= ReqJ= 2.49\Omega 5 A= 12.45V
la Potenza erogata è: P_<e_>= vJ= 12.45V 5A= 62.25 W

Fin qui, tutto ok. Nel senso che ho risolto tutto senza indugi.
Adesso devo calcolare la potenza assorbita dal resistore R_1 che da risultato, vale 7.25 W

La formula è data da: P_<a_> = (R_1 i_1^2)

Io ho il valore del resistore, ma mi manca la corrente i_1.

Ecco qui mi sono bloccata.
Ho ragionato così:
Per trovarmi la corrente passante nel resistore R_1, posso utilizzare un partitore di corrente visto che ho dei resistori in parallelo con un generatore.
Non so onestamente come operare sui resistori, pur conoscendo la formula del partitore.
Prima di postare i calcoli fatti da me ( che però non mi danno il risultato indicato), volevo qualche suggerimento.
Prima di trovare la corrente in R_1 devo calcolare quella che scorre in R_3, oppure applicare il partitore sui resistore R_C ed R_A :?:

Grazie a tutti
Avatar utente
Foto UtenteLondoneye
120 7
Frequentatore
Frequentatore
 
Messaggi: 108
Iscritto il: 8 ago 2012, 13:32

1
voti

[2] Re: Potenza assorbita da resistore e partitore di corrente

Messaggioda Foto Utentevolcom88 » 5 apr 2013, 13:53

Londoneye ha scritto:Il resistore equivalente è dato da:
Req= R_C || R_A= (3.875\Omega 7\Omega)/(3.875\Omega + 7\Omega)= 2.9 \Omega


Ciao ricontrollando i calcoli Req a me viene 2,49 (se la calcolatrice non si è impazzita!)

Per quanto riguarda i partitori di corrente, percorri a ritroso i tuoi disegni:
I(R_C)=JR_A/(R_A+R_C)
I(R_1)=I(R_C)R_2/(R_2+R_1)

O_/
Avatar utente
Foto Utentevolcom88
20 1 5
New entry
New entry
 
Messaggi: 82
Iscritto il: 20 set 2012, 9:39

0
voti

[3] Re: Potenza assorbita da resistore e partitore di corrente

Messaggioda Foto UtenteLondoneye » 5 apr 2013, 14:16

Foto Utentevolcom88

si è 2.49 errore di trascrizione. Per i partitori a breve ci do un'occhiata. :) thanks
Avatar utente
Foto UtenteLondoneye
120 7
Frequentatore
Frequentatore
 
Messaggi: 108
Iscritto il: 8 ago 2012, 13:32

5
voti

[4] Re: Potenza assorbita da resistore e partitore di corrente

Messaggioda Foto UtenteGost91 » 5 apr 2013, 15:12

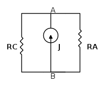
Secondo me, prima di utilizzare le formule dei partitori di tensione/corrente, dovresti prendere un po' la mano con la legge di Ohm.

Cosa ci dice la legge di Ohm?



In un resistore di resistenza R sottoposto a una tensione V scorre una corrente di intensità I pari al rapporto V su R:

I=\frac{V}{R}

Con tensione e corrente polarizzate come in figura.

Osserva che i bipoli RC, J e RA sono in parallelo, in quanto i loro capi superiori sono tutti collegati tra loro e lo stesso vale per quelli inferiori:




Essendo tutti in parallelo tra loro, saranno quindi sono tutti sottoposti alla medesima tensione.
Conosci la tensione ai capi del generatore di corrente, dunque conosci la tensione ai capi di RC e la tensione ai capi di RA.

A questo punto, conoscendo sia tensione che resistenza per RC e RA puoi ricavarti le correnti che scorrono attraverso essi.


Una volta trovate le correnti, conosci sia tensione che corrente per entrambi i resistori.
Puoi dunque ricavare le potenze semplicemente calcolando il prodotto tra tensione e corrente vista dal bipolo in questione:

P=VI

Ricordando che se la corrente "entra" dal punto a potenziale più alto (cioè entra dal più) si ha una potenza positiva, mentre se la corrente "entra" dal punto a potenziale più basso (cioè entra dal meno) si ha una potenza negativa:



Nella figura precedente X indica un bipolo che può essere o un generatore di tensione o un generatore di corrente o un resistore.

Se P<0 il bipolo eroga potenza mentre se P>0 il bipolo assorbe potenza.
In GOST we TRUST
Avatar utente
Foto UtenteGost91
1.680 1 3 7
Expert EY
Expert EY
 
Messaggi: 159
Iscritto il: 12 nov 2012, 7:53

0
voti

[5] Re: Potenza assorbita da resistore e partitore di corrente

Messaggioda Foto UtenteLondoneye » 5 apr 2013, 16:16

grazie Foto UtenteGost91
Avatar utente
Foto UtenteLondoneye
120 7
Frequentatore
Frequentatore
 
Messaggi: 108
Iscritto il: 8 ago 2012, 13:32

0
voti

[6] Re: Potenza assorbita da resistore e partitore di corrente

Messaggioda Foto UtenteLondoneye » 9 apr 2013, 19:20

ragazzi scusate,
ma se volessi calcolare la corrente i in ogni singolo resistore come posso procedere?
Non posso usare sempre il partitore? O devo fare in modo di trovarmi con resistori collegati in serie o parallelo?
Avatar utente
Foto UtenteLondoneye
120 7
Frequentatore
Frequentatore
 
Messaggi: 108
Iscritto il: 8 ago 2012, 13:32

0
voti

[7] Re: Potenza assorbita da resistore e partitore di corrente

Messaggioda Foto UtenteMassimoB » 9 apr 2013, 19:56

Reminescenze dalla scuola (se non ricordo male :D )

Una volta che hai Vab il gioco è fatto.
Calcoli I(RA) e I(RC)
Poi sempre con la legge di Ohm calcoli V(R3)
Di conseguenza avrai V(R1R2) come sottrazione di Vab e V(R3)
Da li sempre con la legge di Ohm puoi calcolare I(R1) e I(R2)
I(R3) equivale a I(RC) e I(R4) I(R5) equivalgono a I(RA)

MCSA Windows Server 2012 R2
Cisco CCNA R&S - Cisco CCNA Security - Cisco CCNA Cyber Ops
CompTia A+ - CompTia Linux+ - CompTIA Systems Support Specialist CSSS
CompTia Pentest+ LPIC-1 - VCP VMware - Cisco CCNP Enterprise
Avatar utente
Foto UtenteMassimoB
14,2k 6 12 13
Expert free
 
Messaggi: 3163
Iscritto il: 28 ott 2012, 9:56
Località: Milano

0
voti

[8] Re: Potenza assorbita da resistore e partitore di corrente

Messaggioda Foto UtenteLondoneye » 9 apr 2013, 20:03

grazie Foto UtenteMassimoB

ci provo e vi faccio sapere :)
Avatar utente
Foto UtenteLondoneye
120 7
Frequentatore
Frequentatore
 
Messaggi: 108
Iscritto il: 8 ago 2012, 13:32

2
voti

[9] Re: Potenza assorbita da resistore e partitore di corrente

Messaggioda Foto Utentelillo » 10 apr 2013, 9:23

Londoneye ha scritto:ma se volessi calcolare la corrente i in ogni singolo resistore come posso procedere?
[...]
Non posso usare sempre il partitore?

perché no :D
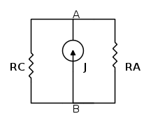
se partiamo da questo schema:


I_a=J\frac{R_C}{R_C+R_A}

che risulterà essere la corrente in R4 e R5;

I_c=J\frac{R_A}{R_C+R_A}

questa invece la corrente che circola in R3 e RB;
e non essendo RB altro che il parallelo tra R1 e R2, ancora partitore:


I_1=I_c\frac{R_2}{R_1+R_2}

I_2=I_c\frac{R_1}{R_1+R_2}
Avatar utente
Foto Utentelillo
20,5k 7 12 13
G.Master EY
G.Master EY
 
Messaggi: 4172
Iscritto il: 25 nov 2010, 11:30
Località: Nuovo Mondo

0
voti

[10] Re: Potenza assorbita da resistore e partitore di corrente

Messaggioda Foto UtenteLondoneye » 12 apr 2013, 11:00

Foto Utentelillo


Grazie!!! è più semplice di quanto pensassi :) lo rifaccio per fissare meglio il ragionamento. ;)
Avatar utente
Foto UtenteLondoneye
120 7
Frequentatore
Frequentatore
 
Messaggi: 108
Iscritto il: 8 ago 2012, 13:32

Prossimo

Torna a Elettrotecnica generale

Chi c’è in linea

Visitano il forum: Nessuno e 150 ospiti