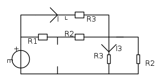
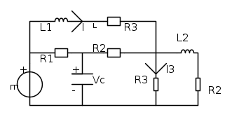
allora:
R1=2 ohm
R2=4 Ohm
R3=6 Ohm
E=10 V
L1 = 1 microHenry
L2= 10 microHenry
C=50 micro Farad
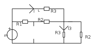
allora devo determinare in regime stazionario iL i3 E Vc
il risultato e' iL=

iR3=

Vc= 4,4 V
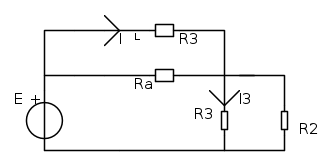
allora essendo in condizioni stazionarie i termini dV/dt e di/dt sono pari a zero quindi significa dire che induttori e condensatori sono sostituiti rispettivamente con corto circuiti e circuiti aperti come segue..
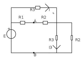
Procedo col determinare iL e i3 con le equivalenze serie parallelo
noto che Ri è in serie con R2 pertanto
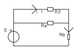
Ra=R1+R2= 4+2=6 ohm
R3 laterale è in parallelo con R2 pertanto Rb=
=
=2,4 ohmRa||R3 ed ottengo Rc=

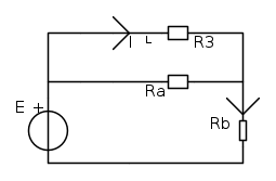
Rc ed Rb sono in serie pertanto la corrente che fluisce nei resistori è la stessa pertanto
i=

so che la corrente che fluisce in Rc è uguale a quella che fluisce in Rb e quindi uguale ad i..
per determinare iL applico la regola del partitore al parallelo Rc ed ottengo

iL pertanto ha il valore corretto. Adesso il mio problema e' i3 e Vc
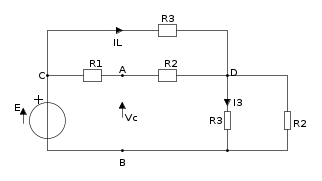
i3 io avrei proceduto sempre con la regola del partitore di corrente per l altro parallelo..
i fluisce anche nel parallelo Rb pertanto i3 è definito come :

ma il risultato è come dice il libro 100/91 = circa 1,09
Per quanto riguarda Vc non so come procedere qualcuno sà darmi una mano?

Elettrotecnica e non solo (admin)
Un gatto tra gli elettroni (IsidoroKZ)
Esperienza e simulazioni (g.schgor)
Moleskine di un idraulico (RenzoDF)
Il Blog di ElectroYou (webmaster)
Idee microcontrollate (TardoFreak)
PICcoli grandi PICMicro (Paolino)
Il blog elettrico di carloc (carloc)
DirtEYblooog (dirtydeeds)
Di tutto... un po' (jordan20)
AK47 (lillo)
Esperienze elettroniche (marco438)
Telecomunicazioni musicali (clavicordo)
Automazione ed Elettronica (gustavo)
Direttive per la sicurezza (ErnestoCappelletti)
EYnfo dall'Alaska (mir)
Apriamo il quadro! (attilio)
H7-25 (asdf)
Passione Elettrica (massimob)
Elettroni a spasso (guidob)
Bloguerra (guerra)











=0,926 A


