
modifica torcia sub xmlt6 : eliminare 5 funzioni strob ecc.
Moderatore:
IsidoroKZ
0
voti
le resistenze si trovano gia sul circuito stampato.
per accendere i led basta ponticellare i due lati del pmos stm9435
per accendere i led basta ponticellare i due lati del pmos stm9435
0
voti
marco non mi abbandonare .
ho provato a misurare i volt erogato su dei pin , per prova volevo dissaldare 1 dei 2 chip , dai facciamo qualche tentativo .
io capisco che tu opti per una soluzione piu corretta , ma su questoi PCB non ci sta prorpio nulla da fare ?
ho provato a misurare i volt erogato su dei pin , per prova volevo dissaldare 1 dei 2 chip , dai facciamo qualche tentativo .
io capisco che tu opti per una soluzione piu corretta , ma su questoi PCB non ci sta prorpio nulla da fare ?
0
voti
mikyferla ha scritto:le resistenze si trovano gia sul circuito stampato.
per accendere i led basta ponticellare i due lati del pmos stm9435
cioe ?
0
voti
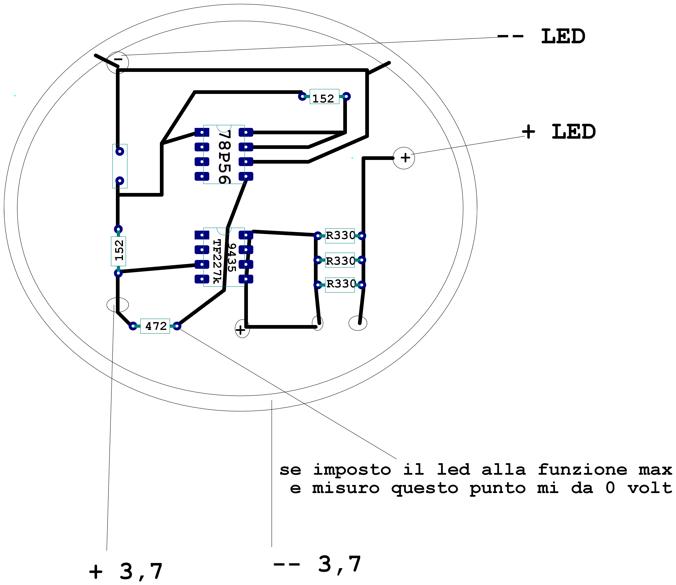
io mi chiedo , ma quei due integrati a cosa servono ?
il primo dovrebbe regolare e stabilizzare i volt ?
il secondo dovrebbe averee le funzioni strobo ecc. ?
se io modificherei cosi cosa succederebbe ?
il primo dovrebbe regolare e stabilizzare i volt ?
il secondo dovrebbe averee le funzioni strobo ecc. ?
se io modificherei cosi cosa succederebbe ?
0
voti
misurando sui vari punti ho notato che se imposto alla massima potenza il led , su un pin evidenziato in img mi da 0 volt , mentre sulle altre funzioni ho normalmente diversi volt a seconda della funzione impopstata.
la assorbe tutta il 9435 ?
la assorbe tutta il 9435 ?
0
voti
voi avete tutte le capacita per riuscirci , ci scommetto
pero' non vi piacciono le scommesse , lo avverto
mi state abbandonando in mezzo al mare
tipo alla schettino
pero' non vi piacciono le scommesse , lo avverto
mi state abbandonando in mezzo al mare
tipo alla schettino
0
voti
"Non farei mai parte di un club che accettasse la mia iscrizione" (G. Marx)
-

claudiocedrone
21,3k 4 7 9 - Master EY

- Messaggi: 15302
- Iscritto il: 18 gen 2012, 13:36
0
voti
[quote="claudiocedrone ]:la isted: Odio la caccia e la pesca sportive
[/quote]
Anch'io. Ma credimi con" la pesca in apnea giochi ad armi pari, anzi si è molto svantaggiati.
Anch'io. Ma credimi con" la pesca in apnea giochi ad armi pari, anzi si è molto svantaggiati.
0
voti
potete indicarmi un driver da acquistare tra questi ?
http://dx.com/c/flashlights-lasers-999/ ... geSize=200
grazie mille
Torna a Elettronica e spettacolo
Chi c’è in linea
Visitano il forum: Nessuno e 9 ospiti

Elettrotecnica e non solo (admin)
Un gatto tra gli elettroni (IsidoroKZ)
Esperienza e simulazioni (g.schgor)
Moleskine di un idraulico (RenzoDF)
Il Blog di ElectroYou (webmaster)
Idee microcontrollate (TardoFreak)
PICcoli grandi PICMicro (Paolino)
Il blog elettrico di carloc (carloc)
DirtEYblooog (dirtydeeds)
Di tutto... un po' (jordan20)
AK47 (lillo)
Esperienze elettroniche (marco438)
Telecomunicazioni musicali (clavicordo)
Automazione ed Elettronica (gustavo)
Direttive per la sicurezza (ErnestoCappelletti)
EYnfo dall'Alaska (mir)
Apriamo il quadro! (attilio)
H7-25 (asdf)
Passione Elettrica (massimob)
Elettroni a spasso (guidob)
Bloguerra (guerra)





