Circuito - Metodo potenziali di nodo
Moderatori:
g.schgor,
IsidoroKZ
29 messaggi
• Pagina 1 di 3 • 1, 2, 3
0
voti
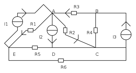
Salve ragazzi , è uno dei primi post che faccio su questo forum, precisamente il secondo . Sono uno studente di ingegneria , mi trovo davanti questo esercizio da svolgere con i potenziali di nodo. Scusate per il disegno , ma ancora non sono molto bravo ad usare Fidocad.
Le incognite da trovare del problema sono Vr1 , Vr2 e Vr3 . Adesso ho diverse domande sul procedimento :
- Non sono indicati i versi sulle resistenze R4,R5,R6, cosa deduco?
- Dopo che scrivo le correnti sulle varie resistenze e collego a massa un nodo , scrivo le equazioni ai nodi. Ma in questo caso ho 5 nodi , devo scrivere le equazioni agli altri 4 nodi restanti? Ma così procedendo il risultato sarebbe dato da una matrice 4x4 che mi sembra un po' strano! In ogni caso , se qualcuno puo solamente impostarlo mi farebbe un grande favore, grazie per l'aiuto
p.s. Come dati ho tutti i valori delle resistenze , e delle correnti erogate dai generatori
1
voti
Emilio93 ha scritto:- Non sono indicati i versi sulle resistenze R4,R5,R6, cosa deduco?
Che li scegli in maniera arbitraria
-

michelephoenix
90 1 5 - Frequentatore

- Messaggi: 105
- Iscritto il: 13 mag 2013, 20:10
1
voti
- Dopo che scrivo le correnti sulle varie resistenze e collego a massa un nodo , scrivo le equazioni ai nodi. Ma in questo caso ho 5 nodi , devo scrivere le equazioni agli altri 4 nodi restanti? Ma così procedendo il risultato sarebbe dato da una matrice 4x4 che mi sembra un po' strano!
Invece è così. Avendo
nodi il metodo dei potenziali nodali ti restituisce
equazioniIn ogni caso , se qualcuno puo solamente impostarlo mi farebbe un grande favore, grazie per l'aiuto
Prova a impostarlo che ti diciamo se commetti errori

0
voti
![\[\begin{array}{l}
{i_{R1}} = ({V_A} - {V_{\scriptstyleE\hfill\atop
\scriptstyle\hfill}})/{R_{\scriptstyle1\hfill\atop
\scriptstyle\hfill}}\\
{i_{\scriptstyleR2\hfill\atop
\scriptstyle\hfill}} = ({V_A} - {V_C})/{R_2}\\
{i_{R3}} = ({V_B} - {V_A})/{R_{\scriptstyle3\hfill\atop
\scriptstyle\hfill}}\\
{i_{R4}} = ({V_B} - {V_C})/{R_4}\\
{i_{\scriptstyleR5\hfill\atop
\scriptstyle\hfill}} = ({V_E} - {V_D})/{R_5}\\
{i_{R6}} = ({V_E} - {V_C})/{R_6}
\end{array}\] \[\begin{array}{l}
{i_{R1}} = ({V_A} - {V_{\scriptstyleE\hfill\atop
\scriptstyle\hfill}})/{R_{\scriptstyle1\hfill\atop
\scriptstyle\hfill}}\\
{i_{\scriptstyleR2\hfill\atop
\scriptstyle\hfill}} = ({V_A} - {V_C})/{R_2}\\
{i_{R3}} = ({V_B} - {V_A})/{R_{\scriptstyle3\hfill\atop
\scriptstyle\hfill}}\\
{i_{R4}} = ({V_B} - {V_C})/{R_4}\\
{i_{\scriptstyleR5\hfill\atop
\scriptstyle\hfill}} = ({V_E} - {V_D})/{R_5}\\
{i_{R6}} = ({V_E} - {V_C})/{R_6}
\end{array}\]](/forum/latexrender/pictures/dd74ac78dbf81653e3bb92ef7be5660f.png)
Inizio così , dopo collego il nodo A a terra e faccio le dovuto semplificazioni. Ma per me ci sono troppe incognite, se così è giusto vi scrivo le LKC ai nodi.
p.s. i5 sarebbe IR5 e i2 sarebbe IR2 e V=VB
0
voti
Ma per me ci sono troppe incognite
No. Lei incognite ( se metti a terra il nodo A ) sono i quattro potenziali rimanenti cioè dei nodi B C D ed E.
Le incognite sono 4 e quattro sono le equazioni linearmente indipendenti che ti dà il metodo dei potenziali nodali.
Ricorda che Il potenziale di A non è un'incognita perché lo fissi tu a 0
0
voti
Ok però procedendo così mi veniva una matrice 4x4 e il risultato era errato. Le correnti sono giuste?
0
voti
Emilio93 ha scritto:Ma per me ci sono troppe incognite
Per individuare il numero di equazioni necessarie utilizzando il metodo dei potenziali di nodo esiste questa formula:
(NumeroNodi - 1) - (NumeroGeneratoriIndipendetiTensione(tra due nodi))
Per individuare il numero di equazioni necessarie utilizzando il metodo delle correnti di maglia esiste questa formula:
NumeroLati - (NumeroNodi - 1) - (NumeroGeneratoriIndipendetiCorrente(tra due nodi))
Il mio docente preliminarmente ci faceva applicare queste formule per capire con quale metodo era conveniente risolvere la rete, supponendo che tu sia obbligato ad applicare il metodo dei potenziali di nodo, a te servirebbero:
(4-1)-0=3
equazioni
Ultima modifica di
michelephoenix il 17 mag 2013, 17:28, modificato 2 volte in totale.
-

michelephoenix
90 1 5 - Frequentatore

- Messaggi: 105
- Iscritto il: 13 mag 2013, 20:10
2
voti
mah, secondo me i nodi sono 4 e le incognite 3.
29 messaggi
• Pagina 1 di 3 • 1, 2, 3
Torna a Elettrotecnica generale
Chi c’è in linea
Visitano il forum: Nessuno e 42 ospiti

Elettrotecnica e non solo (admin)
Un gatto tra gli elettroni (IsidoroKZ)
Esperienza e simulazioni (g.schgor)
Moleskine di un idraulico (RenzoDF)
Il Blog di ElectroYou (webmaster)
Idee microcontrollate (TardoFreak)
PICcoli grandi PICMicro (Paolino)
Il blog elettrico di carloc (carloc)
DirtEYblooog (dirtydeeds)
Di tutto... un po' (jordan20)
AK47 (lillo)
Esperienze elettroniche (marco438)
Telecomunicazioni musicali (clavicordo)
Automazione ed Elettronica (gustavo)
Direttive per la sicurezza (ErnestoCappelletti)
EYnfo dall'Alaska (mir)
Apriamo il quadro! (attilio)
H7-25 (asdf)
Passione Elettrica (massimob)
Elettroni a spasso (guidob)
Bloguerra (guerra)




