Buonasera à tutti
dovrei realizzare un controllo GSM di un quadro elettrico già esistente per l'avviamento di una pompa sommersa, praticamente dovrei accendere/spegnere la pompa con un SMS inviato dal cell al combinatore telefonico, il modello del combinatore sarà questo http://www.ddelettronicaweb.com/dettagli.asp?sid=48448200120130521220817&idp=321&categoria=148 il quadro elettrico porta un teleruttore con salvamotore il tutto comandao con comndo ausil. 1-0....quello che non so e come interfaccio l'uscita relè del combinatore al quadro veramente per la testa mi girano un sacco di idee ma non so quale potrebbe essere la migliore voi come avreste fatto???
grazie
COLLEGARE GSM AD UN TELERUTTORE
Moderatori:
carloc,
g.schgor,
BrunoValente,
IsidoroKZ
10 messaggi
• Pagina 1 di 1
1
voti
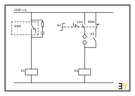
Fai lo schema elettrico della TUA soluzione / delle TUE soluzioni. Usando esclusivamente FidocadJ e senza polemizzare prima di avere postato gli schemi. Anzi, senza MAI polemizzare.
Poi, al limite altri utenti del forum ti aiuteranno a completare/migliorare lo schema per il buon funzionamento.
Poi, al limite altri utenti del forum ti aiuteranno a completare/migliorare lo schema per il buon funzionamento.
-

Candy
32,5k 7 10 13 - CRU - Account cancellato su Richiesta utente
- Messaggi: 10123
- Iscritto il: 14 giu 2010, 22:54
1
voti
dario4690 ha scritto:attualmente non dispongo di questo programma, veramente non saprei neanche da dove iniziare
inizia da qui.

http://millefori.altervista.org
Tool gratuito per chi sviluppa su millefori.
Tutti sanno che una cosa è impossibile da realizzare, finché arriva uno sprovveduto che non lo sa e la inventa. (A. Einstein)
Se non c'e` un 555 non e` un buon progetto (IsidoroKZ)
Strumento per formule
Tool gratuito per chi sviluppa su millefori.
Tutti sanno che una cosa è impossibile da realizzare, finché arriva uno sprovveduto che non lo sa e la inventa. (A. Einstein)
Se non c'e` un 555 non e` un buon progetto (IsidoroKZ)
Strumento per formule
-

posta10100
5.550 4 10 13 - Master EY

- Messaggi: 4832
- Iscritto il: 5 nov 2006, 0:09
0
voti
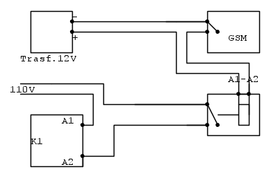
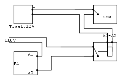
Ecco il disegno non mi sono applicato molto perché dovrei prenderci confidenza ma in sostanza io vorrei intervenire sulla bobina del teleruttore nel disegno à 110V ma domani verifico meglio visto che il quadro à un po' di anni....trà la bobina ed il relè del gsm cosa ci metto??? anche se io vorrei comunque rimanere il consenso manuale ciò che l'operatore potrà accendere/spegnere in qualsiasi momento dall'interruttore ignorando il GSM stessa cosa per chi comanda il GSM....
0
voti
Verificato il circuito di comando 110V
le uscite del relè possono essere impostate (NC-NO-IMPULSIVA)
ò fatto in questo modo per provare
sembra andar utilizzo la stessa 12Vcc del GSM poi trà il relè ed il k1 ci metterò un interruttore così l'operatore può baipassare il GSM quindi spegnere....
stò facendo bene????devo migliorare qualche cosa????
poi negli ingressi del GSM ci metto l'uscita relè delle sonde di livello in modo che quando la vasca si riempe/svuota chiama il numero interessato per comunicare della situazione della vasca....poi sarà compito del ricevete decidere di accendere la pompa di svuotamento oppure nò....tramite sms oppure guida vocale....
in futuro farò un quadro che automaticamente tramite le sonde di livello mi attiva/disattiva la pompa di riempimento comunicando tramite SMS il livello MIN-MAX in modo da essere informato quindi come dicevo ACCENDERE/SPEGNERE la pompa di svuotamento dico questo perché attualmente le pompe vengono attivate manualmente dopo aver visualizzato il livello ma almeno ora sappiamo lò stato della vasca quindi accendere da gsm lò svuotamento.....tornando à noi lò schema pùò andare?

le uscite del relè possono essere impostate (NC-NO-IMPULSIVA)
ò fatto in questo modo per provare
sembra andar utilizzo la stessa 12Vcc del GSM poi trà il relè ed il k1 ci metterò un interruttore così l'operatore può baipassare il GSM quindi spegnere....
stò facendo bene????devo migliorare qualche cosa????
poi negli ingressi del GSM ci metto l'uscita relè delle sonde di livello in modo che quando la vasca si riempe/svuota chiama il numero interessato per comunicare della situazione della vasca....poi sarà compito del ricevete decidere di accendere la pompa di svuotamento oppure nò....tramite sms oppure guida vocale....
in futuro farò un quadro che automaticamente tramite le sonde di livello mi attiva/disattiva la pompa di riempimento comunicando tramite SMS il livello MIN-MAX in modo da essere informato quindi come dicevo ACCENDERE/SPEGNERE la pompa di svuotamento dico questo perché attualmente le pompe vengono attivate manualmente dopo aver visualizzato il livello ma almeno ora sappiamo lò stato della vasca quindi accendere da gsm lò svuotamento.....tornando à noi lò schema pùò andare?

10 messaggi
• Pagina 1 di 1
Chi c’è in linea
Visitano il forum: Google Adsense [Bot] e 32 ospiti

Elettrotecnica e non solo (admin)
Un gatto tra gli elettroni (IsidoroKZ)
Esperienza e simulazioni (g.schgor)
Moleskine di un idraulico (RenzoDF)
Il Blog di ElectroYou (webmaster)
Idee microcontrollate (TardoFreak)
PICcoli grandi PICMicro (Paolino)
Il blog elettrico di carloc (carloc)
DirtEYblooog (dirtydeeds)
Di tutto... un po' (jordan20)
AK47 (lillo)
Esperienze elettroniche (marco438)
Telecomunicazioni musicali (clavicordo)
Automazione ed Elettronica (gustavo)
Direttive per la sicurezza (ErnestoCappelletti)
EYnfo dall'Alaska (mir)
Apriamo il quadro! (attilio)
H7-25 (asdf)
Passione Elettrica (massimob)
Elettroni a spasso (guidob)
Bloguerra (guerra)





