Circuito Norton-Thevenin
Moderatori:
g.schgor,
IsidoroKZ
27 messaggi
• Pagina 1 di 3 • 1, 2, 3
0
voti
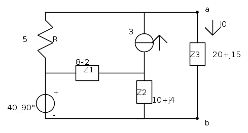
Devo trovare I0 applicando Norton e Thevenin.
Suggerimenti per impostare la risoluzione?
0
voti
comincia con la cosa più semplice:
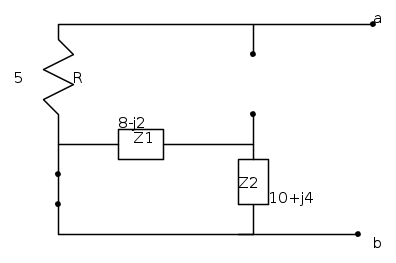
scollega Z3 e trova l'impedenza vista ai capi di a-b.
scollega Z3 e trova l'impedenza vista ai capi di a-b.
0
voti
Esatto, avevo pensato anch'io di iniziare dall'impedenza, ma che metodo mi consigli di utilizzare per ricavarla?
0
voti
andre1992 ha scritto:ma che metodo mi consigli di utilizzare per ricavarla?
Non è che ce ne siano tanti, spegni i generatori e te la calcoli...
-

michelephoenix
90 1 5 - Frequentatore

- Messaggi: 105
- Iscritto il: 13 mag 2013, 20:10
0
voti
Metto in serie Z1 e Z2 o sto dicendo una cavolata?
Mi sto perdendo in un bicchier d'acqua
Mi sto perdendo in un bicchier d'acqua

0
voti
andre1992 ha scritto:Metto in serie Z1 e Z2 o sto dicendo una cavolata?
Attenzione allo spigolo in basso a sinistra....
-

michelephoenix
90 1 5 - Frequentatore

- Messaggi: 105
- Iscritto il: 13 mag 2013, 20:10
1
voti
Se non riesci a capire come sono messi tra loro Z1 e Z2, mi sa che devi ripassare qualcos'altro prima.
"La progettazione, il primo presidio della sicurezza" [Michele Guetta]
27 messaggi
• Pagina 1 di 3 • 1, 2, 3
Torna a Elettrotecnica generale
Chi c’è in linea
Visitano il forum: Nessuno e 107 ospiti

Elettrotecnica e non solo (admin)
Un gatto tra gli elettroni (IsidoroKZ)
Esperienza e simulazioni (g.schgor)
Moleskine di un idraulico (RenzoDF)
Il Blog di ElectroYou (webmaster)
Idee microcontrollate (TardoFreak)
PICcoli grandi PICMicro (Paolino)
Il blog elettrico di carloc (carloc)
DirtEYblooog (dirtydeeds)
Di tutto... un po' (jordan20)
AK47 (lillo)
Esperienze elettroniche (marco438)
Telecomunicazioni musicali (clavicordo)
Automazione ed Elettronica (gustavo)
Direttive per la sicurezza (ErnestoCappelletti)
EYnfo dall'Alaska (mir)
Apriamo il quadro! (attilio)
H7-25 (asdf)
Passione Elettrica (massimob)
Elettroni a spasso (guidob)
Bloguerra (guerra)





