giova88 ha scritto:LKC


Ora inserendo le cadute di tensione


é giusto fin ora?
No, non puoi mescolare una rappresentazione temporale ad una simbolica.
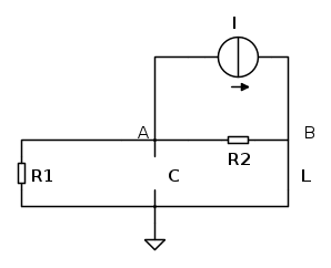
Da quello che vedo scritto comunque, suppongo che tu abbia inteso assumere le convenzioni riportate nel seguente schema
di conseguenza le equazioni ai nodi dovrebbero essere le seguenti

dove v(t) sarà una funzione sinusoidale del tempo e i(t) una funzione costante; le due equazioni ai nodi andranno poi associate alle equazioni costitutive del bipolo induttore e condensatore

al fine di ottenere una equazione differenziale in e1(t) (o e2(t)) del secondo ordine; ovviamente, non avendo a disposizione nessuna condizione iniziale, potremo solo ricercare un suo integrale particolare nella forma

che andrà a rappresentare la cercata soluzione a regime per la rete.
Questo metodo, pur corretto, è senza dubbio molto più complesso di quello "via sovrapposizione" che ti è già stato suggerito ed è quindi solo adatto a chi non voglia
"vincere facile".
