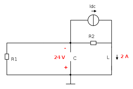
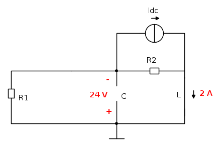
giova88 ha scritto:segue che la tensione sara 24 V
e fin qui bene, essendo comunque questa la tensione che insiste su R1 e quindi su C.
giova88 ha scritto:da qui mi calcolo la corrente inche sarà 2A
scusami ma i valori non erano R1=12 Ω e R2=2 Ω
come fai a trovare 2 A su R2
e inoltre, con tutto il rispetto per la corrente in R2, a noi interessa la corrente in R1, essendo questo in serie con l'induttanza e quindi attraversato dalla stessa corrente.

Elettrotecnica e non solo (admin)
Un gatto tra gli elettroni (IsidoroKZ)
Esperienza e simulazioni (g.schgor)
Moleskine di un idraulico (RenzoDF)
Il Blog di ElectroYou (webmaster)
Idee microcontrollate (TardoFreak)
PICcoli grandi PICMicro (Paolino)
Il blog elettrico di carloc (carloc)
DirtEYblooog (dirtydeeds)
Di tutto... un po' (jordan20)
AK47 (lillo)
Esperienze elettroniche (marco438)
Telecomunicazioni musicali (clavicordo)
Automazione ed Elettronica (gustavo)
Direttive per la sicurezza (ErnestoCappelletti)
EYnfo dall'Alaska (mir)
Apriamo il quadro! (attilio)
H7-25 (asdf)
Passione Elettrica (massimob)
Elettroni a spasso (guidob)
Bloguerra (guerra)
che sarà 2A

che calcolo come 


pigreco]=π











e 



dovuta al generatore
:



rispetto alla sorgente, centrato in
.





hai usato 20? e per V?