Circuito di condizionamento del segnale
Moderatore:
Paolino
10 messaggi
• Pagina 1 di 1
0
voti
Quello non mi sembra un AD628.
Affidabile lo e` quasi di sicuro, nel senso che non si guasta. Funzionante non lo so, dipende da che amplificatore da strumentazione metti. Preciso direi proprio poco: la tensione di riferimento fatta a quel modo mi pare che introduca grandi errori, a meno che non misuri anche lei.
Affidabile lo e` quasi di sicuro, nel senso che non si guasta. Funzionante non lo so, dipende da che amplificatore da strumentazione metti. Preciso direi proprio poco: la tensione di riferimento fatta a quel modo mi pare che introduca grandi errori, a meno che non misuri anche lei.
Per usare proficuamente un simulatore, bisogna sapere molta più elettronica di lui
Plug it in - it works better!
Il 555 sta all'elettronica come Arduino all'informatica! (entrambi loro malgrado)
Se volete risposte rispondete a tutte le mie domande
Plug it in - it works better!
Il 555 sta all'elettronica come Arduino all'informatica! (entrambi loro malgrado)
Se volete risposte rispondete a tutte le mie domande
0
voti
No sull'immagine è sbagliata la sigla. Comunque è un Ad623. Perché dici che non è precisa la tensione di alimentazione? Premetto che La Vcc è una tensione stabilizzata.
3
voti
Non ho parlato di tensione di alimentazione, almeno mi pare. Verifica che l'alimentazione e il range di modo comune dell'amplificatore da strumentazione siano a posto, e oltre a misurare la tensione di uscita dell'IA misura anche la tensione di riferimento che generi in modo da fare i conti precisi e toglierti gli errori della tensione di riferimento.
Le modifiche che potresti fare e` fare gli schemi giusti, con le sigle corrette, cosi` non spreco tempo ad andare a cercare dei datasheet di componenti che non c'entrano nulla. Potresti anche fare gli schemi con fidocadj, come viene richiesto da questo sito, cosi` se necessario chiunque altro puo` prenderli, modificarli, evidenziarne dei pezzi...
Infine potresti anche dire che cosa vuoi misurare, che accuratezza, stabilita` ti aspetti...
Le modifiche che potresti fare e` fare gli schemi giusti, con le sigle corrette, cosi` non spreco tempo ad andare a cercare dei datasheet di componenti che non c'entrano nulla. Potresti anche fare gli schemi con fidocadj, come viene richiesto da questo sito, cosi` se necessario chiunque altro puo` prenderli, modificarli, evidenziarne dei pezzi...
Infine potresti anche dire che cosa vuoi misurare, che accuratezza, stabilita` ti aspetti...
Per usare proficuamente un simulatore, bisogna sapere molta più elettronica di lui
Plug it in - it works better!
Il 555 sta all'elettronica come Arduino all'informatica! (entrambi loro malgrado)
Se volete risposte rispondete a tutte le mie domande
Plug it in - it works better!
Il 555 sta all'elettronica come Arduino all'informatica! (entrambi loro malgrado)
Se volete risposte rispondete a tutte le mie domande
0
voti
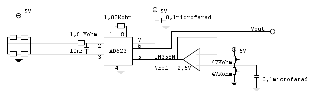
Io devo misurare lo sforzo cui vengono sottoposte delle celle di carico collegate con tramite ponte di Wheatstone. Ho optato di generare la tensione di riferimento in modo tale che quando sottopongo 0 kg alle celle di carico la tensione di uscita mi tiri fuori 2,5 v. (dovrei sostituire le resistenze da 47Kohm con dei trimmer in modo da effettuare la regolare 0kg a 2,5v). Io l'alimentazione Vcc la do da arduino a 5v che da manuale è stabilizzata. Poiché la tensione che prelevo dal ponte di wheatstone è di qualche mv, con un guadagno dai 100 ai 500 dovrei riuscire a non saturare l'uscita.
1
voti
jmonty ha scritto:Questo progetto, deve essere un progetto low cost and low precision!
A farlo troppo low cost e troppo low precision rischi di non riuscire a misurare proprio nulla...
jmonty ha scritto:(dovrei sostituire le resistenze da 47Kohm con dei trimmer in modo da effettuare la regolare 0kg a 2,5 V)
Dal tuo schema non si capisce neanche quali sarebbero queste resistenze da 47 kohm. Sostituire una o più resistenze di un ponte con un trimmer è una pessima idea che rende quasi sempre il ponte inutilizzabile per la deriva del trimmer (poi non si capisce perché ne vorresti mettere diversi: se devi regolare un parametro, lo zero in questo caso, hai bisogno di al più un trimmer).
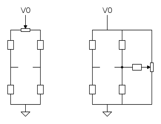
Se proprio uno vuole fare la regolazione dello zero di un ponte di Wheatstone tramite trimmer può, per esempio, usare uno dei due schemi seguenti, limitando l'effetto del trimmer al minimo indispensabile:
Comunque, il funzionamento o meno di un circuito non dipende solo dallo schema, ma anche dal dimensionamento dei componenti. Visto che però non hai fatto ciò che ti è stato richiesto da
It's a sin to write
instead of
(Anonimo).
...'cos you know that
ain't
, right?
You won't get a sexy tan if you write
in lieu of
.
Take a log for a fireplace, but don't take
for
arithm.
instead of
(Anonimo)....'cos you know that
ain't
, right?You won't get a sexy tan if you write
in lieu of
.Take a log for a fireplace, but don't take
for
arithm.-

DirtyDeeds
55,9k 7 11 13 - G.Master EY

- Messaggi: 7012
- Iscritto il: 13 apr 2010, 16:13
- Località: Somewhere in nowhere
0
voti
ecco il circuito in fidocad. Ho inserito anche un filtro passa basso!
10 messaggi
• Pagina 1 di 1
Torna a Firmware e programmazione
Chi c’è in linea
Visitano il forum: Nessuno e 15 ospiti

Elettrotecnica e non solo (admin)
Un gatto tra gli elettroni (IsidoroKZ)
Esperienza e simulazioni (g.schgor)
Moleskine di un idraulico (RenzoDF)
Il Blog di ElectroYou (webmaster)
Idee microcontrollate (TardoFreak)
PICcoli grandi PICMicro (Paolino)
Il blog elettrico di carloc (carloc)
DirtEYblooog (dirtydeeds)
Di tutto... un po' (jordan20)
AK47 (lillo)
Esperienze elettroniche (marco438)
Telecomunicazioni musicali (clavicordo)
Automazione ed Elettronica (gustavo)
Direttive per la sicurezza (ErnestoCappelletti)
EYnfo dall'Alaska (mir)
Apriamo il quadro! (attilio)
H7-25 (asdf)
Passione Elettrica (massimob)
Elettroni a spasso (guidob)
Bloguerra (guerra)




